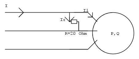
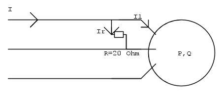
L'obiettivo è determinare la corrente I...
I è Semplicemente : I=Ir+I1
il problema addirittura I1 me lo da... non dico i valori perché voglio capirlo concettualmente e non con i numeri.
Come posso calcolare Ir??
La tensione di linea è sempre 400V?? E' questo il mio dubbio... è sempre 400, oppure devo determinarla dalla formula S=rad(3)VI1? Dove S dipende dal valore di P e Q.
Oppure Ir=V12/R, dove V12 è la differenza E1-E2 ipotizzando ad esempio E1 a fase 0.
M anche in questo caso il modulo di E è 230?? oppure sono ipotesi che non posso fare?( visto che il problema non mi mette i soliti tre generatori nell'alimentazione.
grazie mille per la vostra cortese attenzione ragazzi

Elettrotecnica e non solo (admin)
Un gatto tra gli elettroni (IsidoroKZ)
Esperienza e simulazioni (g.schgor)
Moleskine di un idraulico (RenzoDF)
Il Blog di ElectroYou (webmaster)
Idee microcontrollate (TardoFreak)
PICcoli grandi PICMicro (Paolino)
Il blog elettrico di carloc (carloc)
DirtEYblooog (dirtydeeds)
Di tutto... un po' (jordan20)
AK47 (lillo)
Esperienze elettroniche (marco438)
Telecomunicazioni musicali (clavicordo)
Automazione ed Elettronica (gustavo)
Direttive per la sicurezza (ErnestoCappelletti)
EYnfo dall'Alaska (mir)
Apriamo il quadro! (attilio)
H7-25 (asdf)
Passione Elettrica (massimob)
Elettroni a spasso (guidob)
Bloguerra (guerra)





?
?




