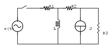
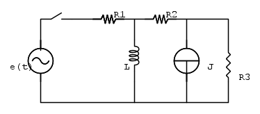
Per t<0 ho applicato il principio di sovrapposizione degli effetto, iL(t)= iLe(t)+iLj(t)
,
,
. Posto
,ho calcolato
=
=
.A questo punto ho calcolato
=
=
=
,da cui 
Ho ricavato
=
=
. Per cui
, e la cond. inziale
.Per t>0
Ho applicato Norton
Ricavando
=
Per cui
, con
e
, con
.Posto
, ho ricavato
da cui
per t>0
Elettrotecnica e non solo (admin)
Un gatto tra gli elettroni (IsidoroKZ)
Esperienza e simulazioni (g.schgor)
Moleskine di un idraulico (RenzoDF)
Il Blog di ElectroYou (webmaster)
Idee microcontrollate (TardoFreak)
PICcoli grandi PICMicro (Paolino)
Il blog elettrico di carloc (carloc)
DirtEYblooog (dirtydeeds)
Di tutto... un po' (jordan20)
AK47 (lillo)
Esperienze elettroniche (marco438)
Telecomunicazioni musicali (clavicordo)
Automazione ed Elettronica (gustavo)
Direttive per la sicurezza (ErnestoCappelletti)
EYnfo dall'Alaska (mir)
Apriamo il quadro! (attilio)
H7-25 (asdf)
Passione Elettrica (massimob)
Elettroni a spasso (guidob)
Bloguerra (guerra)







.
)

deve essere in radianti!
mi trovo come lei
per t>0: