Cos'è ElectroYou | Login Iscriviti

ElectroYou - la comunità dei professionisti del mondo elettrico

Tensione in una maglia

Circuiti, campi elettromagnetici e teoria delle linee di trasmissione e distribuzione dell’energia elettrica

Moderatori: Foto Utenteg.schgor, Foto UtenteIsidoroKZ

0
voti

[1] Tensione in una maglia

Messaggioda Foto Utenteskizzo66 » 9 feb 2017, 1:28

Sto studiando elettrotecnica da poco e non ho capito un concetto.

Sto studiando le leggi di Kirchhoff, in particolare la legge di Kirchhoff della tensione.

In pratica dice che la somma algebrica delle tensioni lungo una maglia è 0.

Non riesco a capire con quale criterio le tensioni si annullino tra di loro.

Faccio un esempio:

Se applico le leggi di Kirchhoff alla corrente, tutto mi è chiaro. Ad esempio in questo circuito riesco a capire da solo che la somma algebrica delle correnti totali in questo nodo è 0.



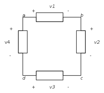
Mentre in una maglia con una serie di tensione ho molti dubbi. Metto un esempio:



Quello che non riesco a capire è perché le tensioni si annullano tra di loro? Perché ci sono tensione positive e negative? In questo caso come faccio a capire quali sono negative e quali positive.

Grazie mille e scusate per la testardaggine! #-o O_/ O_/
Ultima modifica di Foto Utenteskizzo66 il 9 feb 2017, 1:32, modificato 1 volta in totale.
Avatar utente
Foto Utenteskizzo66
123 1 6
Frequentatore
Frequentatore
 
Messaggi: 100
Iscritto il: 18 ott 2016, 22:27

0
voti

[2] Re: Tensione in una maglia

Messaggioda Foto UtenteMassimoB » 9 feb 2017, 1:32

Non si vedono i disegni O_/
MCSA Windows Server 2012 R2
Cisco CCNA R&S - Cisco CCNA Security - Cisco CCNA Cyber Ops
CompTia A+ - CompTia Linux+ - CompTIA Systems Support Specialist CSSS
CompTia Pentest+ LPIC-1 - VCP VMware - Cisco CCNP Enterprise
Avatar utente
Foto UtenteMassimoB
14,2k 6 12 13
Expert free
 
Messaggi: 3163
Iscritto il: 28 ott 2012, 9:56
Località: Milano

0
voti

[3] Re: Tensione in una maglia

Messaggioda Foto Utenteskizzo66 » 9 feb 2017, 1:33

Si ho corretto ora.
Avatar utente
Foto Utenteskizzo66
123 1 6
Frequentatore
Frequentatore
 
Messaggi: 100
Iscritto il: 18 ott 2016, 22:27

0
voti

[4] Re: Tensione in una maglia

Messaggioda Foto Utentewall87 » 9 feb 2017, 9:51

Prova a leggere qui e vedere se ti può servire.
O_/
Il futuro appartiene a coloro che credono nella bellezza dei propri sogni.

Formule LaTeX

Uso di LaTeX sul forum

ƎlectroYou
Avatar utente
Foto Utentewall87
6.025 5 10 13
Master
Master
 
Messaggi: 1467
Iscritto il: 27 nov 2014, 15:28
Località: Padova

0
voti

[5] Re: Tensione in una maglia

Messaggioda Foto UtenteIlGuru » 9 feb 2017, 11:52

Se percorri una maglia in un senso, percorri un cammino chiuso.
Lungo il cammino troverai potenziali diversi rispetto al punto di partenza, si sommeranno tutti tra loro, alcuni con segno positivo altri con segno negativo, ma quando ritorni al punto di partenza quale può essere il potenziale rispetto a quel punto li?
\Gamma\nu\tilde{\omega}\theta\i\ \sigma\epsilon\alpha\upsilon\tau\acute{o}\nu
Avatar utente
Foto UtenteIlGuru
5.482 2 10 13
G.Master EY
G.Master EY
 
Messaggi: 1924
Iscritto il: 31 lug 2015, 23:32

3
voti

[6] Re: Tensione in una maglia

Messaggioda Foto Utenteadmin » 9 feb 2017, 12:36

Avatar utente
Foto Utenteadmin
196,6k 9 12 17
Manager
Manager
 
Messaggi: 11950
Iscritto il: 6 ago 2004, 13:14

0
voti

[7] Re: Tensione in una maglia

Messaggioda Foto Utenteskizzo66 » 9 feb 2017, 17:21

Molti dei miei dubbi sono risolti ma, come faccio a stabilire il verso della tensione, e di conseguenza il segno?
Avatar utente
Foto Utenteskizzo66
123 1 6
Frequentatore
Frequentatore
 
Messaggi: 100
Iscritto il: 18 ott 2016, 22:27

0
voti

[8] Re: Tensione in una maglia

Messaggioda Foto Utenteadmin » 9 feb 2017, 17:36

Prendi una moneta e la lanci in aria: se viene testa prendi il verso della tensione con un segno, se viene croce con quello opposto.

Quando hai completato questa operazione per ogni coppia di nodi, lanci ancora in aria la moneta: se viene testa decidi di camminare lungo il percorso chiuso di cui fanno parte le tensioni, in un uno dei due versi possibili (orario, antiorario), se viene croce in quello opposto.

A questo punto scrivi l'equazione in questo modo: se camminando lungo il verso scelto a caso, hai la tensione parziale, scelta a pure caso, concorde con il verso di percorrenza, le attribuisci il segno che preferisci (positivo o negativo), se è discorde quello opposto. Fai questo fino a quando hai completato il percorso, quindi poni la somma algebrica che ti risulta uguale a zero.
Avatar utente
Foto Utenteadmin
196,6k 9 12 17
Manager
Manager
 
Messaggi: 11950
Iscritto il: 6 ago 2004, 13:14

0
voti

[9] Re: Tensione in una maglia

Messaggioda Foto UtenteIlGuru » 9 feb 2017, 17:46

Un'equazione algebrica se ne frega di come sono messi segni sui morsetti e di quale verso di percorrenza della maglia scegli. L'equazione è sempre valida.
Detto questo, come dice Admin, assegni arbitrariamente i segni e scegli un senso di percorrenza.
Questo è quello che fissa il modello matematico che andrai a descrivere con l'equazione.
Poi risolta l'equazione, se trovi dei segni positivi nei risultati significa che avevi indovinato mettendo i + ed i - su quel dipolo, se trovi segni negativi significa che non avevi indovnato, ma comunque la maglia è risolta.
\Gamma\nu\tilde{\omega}\theta\i\ \sigma\epsilon\alpha\upsilon\tau\acute{o}\nu
Avatar utente
Foto UtenteIlGuru
5.482 2 10 13
G.Master EY
G.Master EY
 
Messaggi: 1924
Iscritto il: 31 lug 2015, 23:32

0
voti

[10] Re: Tensione in una maglia

Messaggioda Foto Utenteskizzo66 » 9 feb 2017, 23:49

Provo a fare qualche esercizio e vi faccio sapere se ho ancora dei dubbi! :D :ok:
Avatar utente
Foto Utenteskizzo66
123 1 6
Frequentatore
Frequentatore
 
Messaggi: 100
Iscritto il: 18 ott 2016, 22:27

Prossimo

Torna a Elettrotecnica generale

Chi c’è in linea

Visitano il forum: Nessuno e 98 ospiti