Cos'è ElectroYou | Login Iscriviti

ElectroYou - la comunità dei professionisti del mondo elettrico

Esercizio su resistenza equivalente.

Circuiti, campi elettromagnetici e teoria delle linee di trasmissione e distribuzione dell’energia elettrica

Moderatori: Foto Utenteg.schgor, Foto UtenteIsidoroKZ

0
voti

[1] Esercizio su resistenza equivalente.

Messaggioda Foto Utenteaber24 » 9 set 2017, 10:38

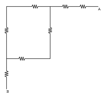
Salve a tutti non sono sicuro della mia risoluzione di un esercizio riguardante le resistenze equivalenti.
Si determini il valore della resistenza equivalente vista dalla porta A-B del cicuito:

La R_6 è in un ramo obliquo ma cercando in internet non ho trovato il modo per ruotare le resistenze di 45°su fidocadj.
Il mio dubbio è dovuto al fatto che la mia risoluzione mi sembra troppo complicata e non mi convice.

Avrei preferito mandare il file con la mia soluzione ma il forum mi dice che l'estensione .fcd non è permessa scusate per il post lungo e grazie in anticipo ad ogni anima pia che proverà anche solo a guardare il tutto.
Avatar utente
Foto Utenteaber24
20 3
 
Messaggi: 5
Iscritto il: 26 ago 2017, 18:09

2
voti

[2] Re: Esercizio su resistenza equivalente.

Messaggioda Foto Utenteadmin » 9 set 2017, 10:57

Intanto correggerei il secondo passaggio. Le resistenze del triangolo vanno in parallelo alle due esistenti, non in serie.


PS:

Stessa correzione nel 4° passaggio:R_{78} in parallelo ad R_{456}
Avatar utente
Foto Utenteadmin
196,7k 9 12 17
Manager
Manager
 
Messaggi: 11953
Iscritto il: 6 ago 2004, 13:14

0
voti

[3] Re: Esercizio su resistenza equivalente.

Messaggioda Foto Utenteaber24 » 9 set 2017, 11:14

Quindi anche nel 6°passaggio R_{8r} e R_{t1} sono in parallelo come anche R_{t2} e R_{53}?
Avatar utente
Foto Utenteaber24
20 3
 
Messaggi: 5
Iscritto il: 26 ago 2017, 18:09

1
voti

[4] Re: Esercizio su resistenza equivalente.

Messaggioda Foto Utentewall87 » 9 set 2017, 12:07

Lascia stare il 6° passaggio secondo me ti conviene ripartire da quello che ti ha postato @admin.
Come seconda cosa sul 4° passaggio io eviterei la stella-triangolo tra R-R7-R8, ti complichi le cose, ma farei il triangolo-stella tra R456-R53-R1234r; secondo me si semplifica di molto così facendo.
Così facendo dovresti arrivare ad avere un circuito così più o meno:



E poi avresti solo serie e paralleli, che sono molto più semplici :D
Il futuro appartiene a coloro che credono nella bellezza dei propri sogni.

Formule LaTeX

Uso di LaTeX sul forum

ƎlectroYou
Avatar utente
Foto Utentewall87
6.025 5 10 13
Master
Master
 
Messaggi: 1467
Iscritto il: 27 nov 2014, 15:28
Località: Padova

0
voti

[5] Re: Esercizio su resistenza equivalente.

Messaggioda Foto Utenteaber24 » 9 set 2017, 12:51

farei il triangolo-stella tra R456-R53-R1234r

Si in effetti non avevo visto la possibilità di fare questo passaggio, così risulta più semplice grazie mille ad entrambi :ok:.
Avatar utente
Foto Utenteaber24
20 3
 
Messaggi: 5
Iscritto il: 26 ago 2017, 18:09

1
voti

[6] Re: Esercizio su resistenza equivalente.

Messaggioda Foto Utenteclaudiocedrone » 9 set 2017, 20:08

:-) Ma non si fa prima trasformando dalll'inizio il triangolo R8,R7,R6 in stella ? :roll: O_/
Edit: ovviamente no :mrgreen: quoto Foto Utentewall87.
"Non farei mai parte di un club che accettasse la mia iscrizione" (G. Marx)
Avatar utente
Foto Utenteclaudiocedrone
21,3k 4 7 9
Master EY
Master EY
 
Messaggi: 15303
Iscritto il: 18 gen 2012, 13:36

3
voti

[7] Re: Esercizio su resistenza equivalente.

Messaggioda Foto Utentexyz » 9 set 2017, 20:33

Avatar utente
Foto Utentexyz
6.864 2 4 6
G.Master EY
G.Master EY
 
Messaggi: 1778
Iscritto il: 5 dic 2009, 18:37
Località: Italy Turin



Torna a Elettrotecnica generale

Chi c’è in linea

Visitano il forum: Nessuno e 112 ospiti