Cos'è ElectroYou | Login Iscriviti

ElectroYou - la comunità dei professionisti del mondo elettrico

Equivalente Thevenin Trasformatore Ideale

Circuiti, campi elettromagnetici e teoria delle linee di trasmissione e distribuzione dell’energia elettrica

Moderatori: Foto Utenteg.schgor, Foto UtenteIsidoroKZ

0
voti

[1] Equivalente Thevenin Trasformatore Ideale

Messaggioda Foto Utentedavicos » 25 gen 2018, 23:10

Salve a tutti,
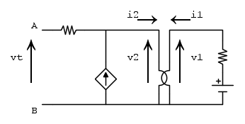
circa lo schema



tenendo presente dove sono posizionate le due correnti e le tensioni del trasformatore, per calcolare la vt volendo si possono anche invertire tali correnti e tensioni senza cambiare il circuito giusto?
Grazie
Avatar utente
Foto Utentedavicos
25 1 7
Frequentatore
Frequentatore
 
Messaggi: 156
Iscritto il: 9 ott 2017, 17:33

0
voti

[2] Re: Equivalente Thevenin Trasformatore Ideale

Messaggioda Foto UtenteIlGuru » 25 gen 2018, 23:19

La sovrapposizione degli effetti non va bene?
\Gamma\nu\tilde{\omega}\theta\i\ \sigma\epsilon\alpha\upsilon\tau\acute{o}\nu
Avatar utente
Foto UtenteIlGuru
5.482 2 10 13
G.Master EY
G.Master EY
 
Messaggi: 1924
Iscritto il: 31 lug 2015, 23:32

0
voti

[3] Re: Equivalente Thevenin Trasformatore Ideale

Messaggioda Foto Utentedavicos » 25 gen 2018, 23:23

In che senso?
Avatar utente
Foto Utentedavicos
25 1 7
Frequentatore
Frequentatore
 
Messaggi: 156
Iscritto il: 9 ott 2017, 17:33

0
voti

[4] Re: Equivalente Thevenin Trasformatore Ideale

Messaggioda Foto UtenteIlGuru » 26 gen 2018, 0:14

La Vt mi sembra uguale alla V2 che è data dal contributo di due generatori
\Gamma\nu\tilde{\omega}\theta\i\ \sigma\epsilon\alpha\upsilon\tau\acute{o}\nu
Avatar utente
Foto UtenteIlGuru
5.482 2 10 13
G.Master EY
G.Master EY
 
Messaggi: 1924
Iscritto il: 31 lug 2015, 23:32

0
voti

[5] Re: Equivalente Thevenin Trasformatore Ideale

Messaggioda Foto Utentedavicos » 26 gen 2018, 2:24

Non importa, non mi interessa un modo per risolvere il circuito o altro, quello che mi chiedo è solo quello che ho scritto nel primo messaggio.
C'è un ordine su come scrivere le caratteristiche del trasformatore? La v1 deve sempre stare a sinistra o a destra? Cose di questo tipo..
Se inverto le caratteristiche (come posizione) cambia qualcosa (a parte la forma della formula finale)?
Avatar utente
Foto Utentedavicos
25 1 7
Frequentatore
Frequentatore
 
Messaggi: 156
Iscritto il: 9 ott 2017, 17:33

0
voti

[6] Re: Equivalente Thevenin Trasformatore Ideale

Messaggioda Foto UtenteMarcoD » 26 gen 2018, 10:11

Di solito i trasformatori funzionano in alternata. Nello schema vedo il simbolo di una batteria. ??
Però a domanda:
tenendo presente dove sono posizionate le due correnti e le tensioni del trasformatore, per calcolare la vt volendo si possono anche invertire tali correnti e tensioni senza cambiare il circuito giusto?
rispondo: giusto. Si mettono come è più comodo, di solito si mettono nel verso in cui si suppone che il flusso della corrente venga un numero positivo.
nel circuito mostrato è ininfluente, ma occorrerebbe indicare il senso degli avvolgimenti mettendo un opportuno pallino in corrispondenza di uno dei morsetti.
Avatar utente
Foto UtenteMarcoD
12,2k 5 9 13
Master EY
Master EY
 
Messaggi: 6696
Iscritto il: 9 lug 2015, 16:58
Località: Torino

0
voti

[7] Re: Equivalente Thevenin Trasformatore Ideale

Messaggioda Foto Utentedavicos » 26 gen 2018, 10:15

Non sapendo come fare il pallino questi sono messi in alto dove sono le punte delle frecce.
A lezione il trasformatore l'abbiamo fatto molto prima del regime sonusoidale (sul libro invece è dopo)
Bene grazie.
Avatar utente
Foto Utentedavicos
25 1 7
Frequentatore
Frequentatore
 
Messaggi: 156
Iscritto il: 9 ott 2017, 17:33


Torna a Elettrotecnica generale

Chi c’è in linea

Visitano il forum: Nessuno e 116 ospiti