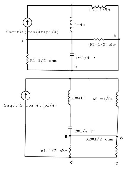
mi viene rischiesto di calcolare la potenza reattiva sul condensatore e induttore L1. Per cui dovrei calcolare le correnti su questi due lati. Il problema è che scrivendo le LKC e LKT ottengo sei equazioni a sei incognite
circuito regime sinusoidale
Moderatori:
g.schgor,
IsidoroKZ
12 messaggi
• Pagina 1 di 2 • 1, 2
0
voti
Buonasera, avrei un problema nella risoluzione di questo circuito a regime sinusoidale
mi viene rischiesto di calcolare la potenza reattiva sul condensatore e induttore L1. Per cui dovrei calcolare le correnti su questi due lati. Il problema è che scrivendo le LKC e LKT ottengo sei equazioni a sei incognite
. Non esiste un modo più veloce per risolvere questo circuito ?? Grazie
mi viene rischiesto di calcolare la potenza reattiva sul condensatore e induttore L1. Per cui dovrei calcolare le correnti su questi due lati. Il problema è che scrivendo le LKC e LKT ottengo sei equazioni a sei incognite
0
voti
A "me mi" sembra che il circuito si possa ridisegnare come qui sotto (se I pallini di collegamento sul circuito originale sono messi bene).
L2 e R2 'un c'entrano niente con il calcolo della pot reattiva su L1 e C
L2 e R2 'un c'entrano niente con il calcolo della pot reattiva su L1 e C
0
voti
In effetti inquesto modo con un semplice partitore potrei calcolare la corrente sui due lati. Posso chiederti come hai fatto a capire che il circuito poteva essere trasformato in questo modo ?
Grazie !!
0
voti
mikoile ha scritto: come hai fatto a capire che il circuito poteva essere trasformato in questo modo ?
In effetti non lo ho capito perche' mi sembra sbagliato.
Questo dovrebbe (spero) essere giusto.
0
voti
ah ecco.. però non risco a capire ancora come mai i due resistori diventino in parallelo
0
voti
Guarda le lettere che identificano I terminali dei componenti
12 messaggi
• Pagina 1 di 2 • 1, 2
Torna a Elettrotecnica generale
Chi c’è in linea
Visitano il forum: Nessuno e 14 ospiti

Elettrotecnica e non solo (admin)
Un gatto tra gli elettroni (IsidoroKZ)
Esperienza e simulazioni (g.schgor)
Moleskine di un idraulico (RenzoDF)
Il Blog di ElectroYou (webmaster)
Idee microcontrollate (TardoFreak)
PICcoli grandi PICMicro (Paolino)
Il blog elettrico di carloc (carloc)
DirtEYblooog (dirtydeeds)
Di tutto... un po' (jordan20)
AK47 (lillo)
Esperienze elettroniche (marco438)
Telecomunicazioni musicali (clavicordo)
Automazione ed Elettronica (gustavo)
Direttive per la sicurezza (ErnestoCappelletti)
EYnfo dall'Alaska (mir)
Apriamo il quadro! (attilio)
H7-25 (asdf)
Passione Elettrica (massimob)
Elettroni a spasso (guidob)
Bloguerra (guerra)







