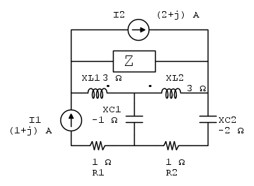
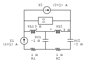
Questa è la rete. La tensione di Thevenin deve valere:

Ho preso le seguenti correnti di maglia:
in modo da avere due correnti note. I due induttori sono accoppiati con coefficiente di accoppiamento
Ohm.La tensione equivalente mi risulta
. Dove sbaglio? Devo postare l'intero sistema?P.s. come faccio ad accedere a delle funzionalità latex che mi permettano ad esempio di inserire apici, pedici, lettere greche...?

Elettrotecnica e non solo (admin)
Un gatto tra gli elettroni (IsidoroKZ)
Esperienza e simulazioni (g.schgor)
Moleskine di un idraulico (RenzoDF)
Il Blog di ElectroYou (webmaster)
Idee microcontrollate (TardoFreak)
PICcoli grandi PICMicro (Paolino)
Il blog elettrico di carloc (carloc)
DirtEYblooog (dirtydeeds)
Di tutto... un po' (jordan20)
AK47 (lillo)
Esperienze elettroniche (marco438)
Telecomunicazioni musicali (clavicordo)
Automazione ed Elettronica (gustavo)
Direttive per la sicurezza (ErnestoCappelletti)
EYnfo dall'Alaska (mir)
Apriamo il quadro! (attilio)
H7-25 (asdf)
Passione Elettrica (massimob)
Elettroni a spasso (guidob)
Bloguerra (guerra)







e
sono note,
è la tensione ai capi del generatore di sinistra,
è la tensione ai capi del generatore in alto.
? (che tra l'altro, l'impedenza e il generatore sono in parallelo per cui se non dico sciocchezze dovrebbero avere la stessa tensione ai loro capi)
come impedenza negli elementi
e
??