Salve, per definizione due circuiti sono equivalenti rispetto a due morsetti (ciascuna coppia per ogni circuito) se applicando la stessa tensione ai morsetti dei due circuiti otteniamo la stessa corrente e se applichiamo la stessa corrente con un generatore di corrente otteniamo la stessa tensione.
Negli esercizi si sostituiscono circuiti equivalenti all'interno di un altro circuito, ad esempio:
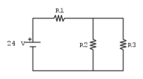
Risolvo il secondo circuito ottenendo la tensione in R23 ed uso la stessa tensione nel primo circuito per calcolare R2 e R3. Non mi è chiaro perché posso usare la stessa tensione visto che i circuiti sono diversi ed hanno differenti equazioni di Kirchhoff.
Come faccio a dimostrare in modo rigoroso, partendo dalla definizione di circuiti equivalenti data sopra, che in generale è lecito portare la tensione ai capi di due sottocircuiti equivalenti collegati con un circuito dello stesso tipo?
Equivalenza tra circuiti
Moderatori:
g.schgor,
IsidoroKZ
2
voti
Intanto incominciamo col leggere le regole del forum che dicono che le formule matematica si scrivono in
e gli schemi vanno inseriti in Fidocadj.
Detto questo mi sa che abbimo un po di idee confuse;
Tu in questo caso penso ti stia riferendo ai bipoli dove si dice che due bipoli sono collegati in serie se sono attraversati dalla stessa corrente; oppure due bipoli sono collegati in parallelo se ai loro capi si ha la stessa tensione.
In questa seconda parte invece non capisco cosa tu debba fare;
devi risolvere il ciruito? Se si trovando cosa?
devi dimostrare perché la
e la
diventino
?
e gli schemi vanno inseriti in Fidocadj.Detto questo mi sa che abbimo un po di idee confuse;
daniel77 ha scritto:Salve, per definizione due circuiti sono equivalenti rispetto a due morsetti (ciascuna coppia per ogni circuito) se applicando la stessa tensione ai morsetti dei due circuiti otteniamo la stessa corrente e se applichiamo la stessa corrente con un generatore di corrente otteniamo la stessa tensione.
Tu in questo caso penso ti stia riferendo ai bipoli dove si dice che due bipoli sono collegati in serie se sono attraversati dalla stessa corrente; oppure due bipoli sono collegati in parallelo se ai loro capi si ha la stessa tensione.
daniel77 ha scritto:Risolvo il secondo circuito ottenendo la tensione in R23 ed uso la stessa tensione nel primo circuito per calcolare R2 e R3. Non mi è chiaro perché posso usare la stessa tensione visto che i circuiti sono diversi ed hanno differenti equazioni di Kirchhoff.
Come faccio a dimostrare in modo rigoroso, partendo dalla definizione di circuiti equivalenti data sopra, che in generale è lecito portare la tensione ai capi di due sottocircuiti equivalenti collegati con un circuito dello stesso tipo?
In questa seconda parte invece non capisco cosa tu debba fare;
devi risolvere il ciruito? Se si trovando cosa?
devi dimostrare perché la
e la
diventino
?Il futuro appartiene a coloro che credono nella bellezza dei propri sogni.
Formule LaTeX
Uso di LaTeX sul forum
⋮ƎlectroYou
Formule LaTeX
Uso di LaTeX sul forum
⋮ƎlectroYou
0
voti
daniel77 ha scritto:Come faccio a dimostrare in modo rigoroso, partendo dalla definizione di circuiti equivalenti data sopra, che in generale è lecito portare la tensione ai capi di due sottocircuiti equivalenti collegati con un circuito dello stesso tipo?
Nello stesso modo in cui si dimostra in modo rigoroso, partendo dalla definizione di circuito, che la tensione che è lecito applicare al circuito è quella applicata al circuito
0
voti
Il circuito era solo un esempio per capire per quale motivo quando si risolvono i circuiti si usano i circuiti equivalenti. Qual è l'esatta definizione di due circuiti equivalenti?
0
voti
Ok, il punto che non capisco è perché se risolvo il secondo circuito dell'esempio che è diverso dal primo (ma ottenuto sostituendo al primo circuito un sottocircuito equivalente cioè R23 sostituisce le resistenze in parallelo di R2, R3) determinando la tensione in R23 posso dire che è la stessa di quella ai capi di R2, R3 del primo circuito? Se non sbaglio è cosi che vengono affrontati questi esercizi,io ho capito come fare ma non la giustificazione teorica.
0
voti
Dici a parità di corrente ma come faccio a dire che la corrente in R23 è uguale a quella di R2,R3 nel primo circuito? E' lo stesso problema di prima solo che invece prima era per la tensione. Faccio notare che la definizione NON dice direttamente che i due circuiti equivalenti devono avere la stessa tensione comunque vengono immersi in un circuito uguale, questo lo si dovrebbe dimostrare dalla definizione.
Ultima modifica di
daniel77 il 17 nov 2019, 23:22, modificato 2 volte in totale.
0
voti
Hai superato l'esame di fisica II?
Il Conte di Montecristo
Se non studio un giorno, me ne accorgo io. Se non studio due giorni, se ne accorge il pubblico.
Io devo studiare sodo e preparare me stesso perché prima o poi verrà il mio momento.
Abraham Lincoln
Se non studio un giorno, me ne accorgo io. Se non studio due giorni, se ne accorge il pubblico.
Io devo studiare sodo e preparare me stesso perché prima o poi verrà il mio momento.
Abraham Lincoln
-

EdmondDantes
11,9k 8 11 13 - Disattivato su sua richiesta
- Messaggi: 3619
- Iscritto il: 25 lug 2009, 22:18
- Località: Marsiglia
0
voti
Studio da amatore ma voglio studiare capendo bene i passaggi logici e non meccanicamente.
Torna a Elettrotecnica generale
Chi c’è in linea
Visitano il forum: Nessuno e 19 ospiti

Elettrotecnica e non solo (admin)
Un gatto tra gli elettroni (IsidoroKZ)
Esperienza e simulazioni (g.schgor)
Moleskine di un idraulico (RenzoDF)
Il Blog di ElectroYou (webmaster)
Idee microcontrollate (TardoFreak)
PICcoli grandi PICMicro (Paolino)
Il blog elettrico di carloc (carloc)
DirtEYblooog (dirtydeeds)
Di tutto... un po' (jordan20)
AK47 (lillo)
Esperienze elettroniche (marco438)
Telecomunicazioni musicali (clavicordo)
Automazione ed Elettronica (gustavo)
Direttive per la sicurezza (ErnestoCappelletti)
EYnfo dall'Alaska (mir)
Apriamo il quadro! (attilio)
H7-25 (asdf)
Passione Elettrica (massimob)
Elettroni a spasso (guidob)
Bloguerra (guerra)




