Buonasera a tutti.
Stavo pensando di fare accendere automaticamente le luci esterne della mia abitazione mediante interruttore programmabile.
Attualmente le luci di ciascun lato della casa sono controllate da un interruttore manuale dedicato.
Qualcuno sa dirmi se e come è possibile continuare a comandare l'accensione delle luci da interruttore manuale forzandone l'accensione nelle ore notturne?
Vorrei sfruttare un astro Finder 12.81 che già utilizzo per accensione delle luci led del tettino ingresso.
Buona serata e grazie per la pazienza verso la mia domanda da neofita.
Luci esterne controllate da interruttore e programmabili
Moderatori:
sebago,
MASSIMO-G,
lillo,
Mike
19 messaggi
• Pagina 1 di 2 • 1, 2
0
voti
Un deviatore: lampada (carico) collegata sul centrale, fase permanente sul contatto inferiore e fase interrotta proveniente dal timer sul superiore. In questo modo hai "alto per spento" (rende facile capire quando il programmatore accende se quando il programmatore aprirà la luce resterà accesa)
In questo caso se il programmatore è "acceso" le luci sono tutte accese, se il programmatore è spento ogni luce è comandabile dal suo interruttore e questo senza mettere in parallelo tutte le luci esterne.
In questo caso se il programmatore è "acceso" le luci sono tutte accese, se il programmatore è spento ogni luce è comandabile dal suo interruttore e questo senza mettere in parallelo tutte le luci esterne.
-

DavideDaSerra
213 1 7 - Expert

- Messaggi: 279
- Iscritto il: 21 gen 2018, 18:41
1
voti
Detto con Fido:
⋮ƎlectroYou e ne sai di più!
0
voti
Grazie a entrambi per il supporto. Lo schema di sicuro è d'aiuto.
Una buona giornata
Una buona giornata
0
voti
Ultima info (non apro un nuovo thread apposito). Mi potete consigliare un software semplice per disegnare e simulare circuiti come quello sopra?
Grazie
Grazie
0
voti
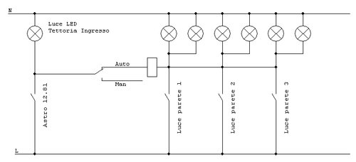
Ho realizzato lo schema di quanto vorrei realizzare, grazie anche al prezioso aiuto delle risposte precedenti.
Come dicevo attualmente il led del tettino ingresso è gestito direttamente da un astro finder 12.81 (no tasto). Le luci delle pareti esterne sono manuali.
Vorrei automatizzare l'accesione delle luci esterne sulle pareti della mia abitazione sfuttando lo stesso astro.
Quindi in poche parole quando astro da abilitazione all'accensione led tettino, dovebbe fare accendere anche le luci esterne pareti casa. L'aggiunta di un deviatore permette di disattivare l'accensione automatica e passare in automatico.
Per far si che l'accensione manuale delle luci non accenda anche il led tettino d'ingresso (che è comandato solo dall'astro) pernsavo di "slegare" il circuito usando un relè, magari un rele attivato dalla presenza di tensione da parte dell'astro?
Scusate i miei termini tecnici.. magari vi farete una risata
Buona serata e grazie ancora
Come dicevo attualmente il led del tettino ingresso è gestito direttamente da un astro finder 12.81 (no tasto). Le luci delle pareti esterne sono manuali.
Vorrei automatizzare l'accesione delle luci esterne sulle pareti della mia abitazione sfuttando lo stesso astro.
Quindi in poche parole quando astro da abilitazione all'accensione led tettino, dovebbe fare accendere anche le luci esterne pareti casa. L'aggiunta di un deviatore permette di disattivare l'accensione automatica e passare in automatico.
Per far si che l'accensione manuale delle luci non accenda anche il led tettino d'ingresso (che è comandato solo dall'astro) pernsavo di "slegare" il circuito usando un relè, magari un rele attivato dalla presenza di tensione da parte dell'astro?
Scusate i miei termini tecnici.. magari vi farete una risata
Buona serata e grazie ancora
0
voti
No
mserioli, quello schema non va bene.
Piuttosto dovresti far realizzare qualcosa del genere:
Non credo tu abbia molta dimestichezza quindi ti suggerirei di affidarti ad un elettricista o, al limite, di farti aiutare da qualcuno competente.
Saluti
p.s.
questo presupposto che le "luci led del tettino ingresso" siano alimentate a 230 Vac
Piuttosto dovresti far realizzare qualcosa del genere:
Non credo tu abbia molta dimestichezza quindi ti suggerirei di affidarti ad un elettricista o, al limite, di farti aiutare da qualcuno competente.
Saluti
p.s.
questo presupposto che le "luci led del tettino ingresso" siano alimentate a 230 Vac
W - U.H.F.
-

WALTERmwp
30,2k 4 8 13 - G.Master EY

- Messaggi: 8982
- Iscritto il: 17 lug 2010, 18:42
- Località: le 4 del mattino
1
voti
Ciao grazie per la risposta.
Il led ha un trasformatore alimentato a 220.
Hai ragione non sono competente in materia ma ero interessato a capire come la cosa potesse essere fatta.
In questo caso K di che modello dovrebbe essere?
Ciao e grazie per la pazienza
Il led ha un trasformatore alimentato a 220.
Hai ragione non sono competente in materia ma ero interessato a capire come la cosa potesse essere fatta.
In questo caso K di che modello dovrebbe essere?
Ciao e grazie per la pazienza
0
voti
Prego @mserioli.
Per rimanere in ambiente Finder guarda questo pdf: a pag.3 il relé 55.33, a pag.10 lo zoccolo 94.P3 da abbinare.
Altrimenti puoi scegliere altro prodotto equivalente o simile.
Saluti
Per rimanere in ambiente Finder guarda questo pdf: a pag.3 il relé 55.33, a pag.10 lo zoccolo 94.P3 da abbinare.
Altrimenti puoi scegliere altro prodotto equivalente o simile.
Saluti
W - U.H.F.
-

WALTERmwp
30,2k 4 8 13 - G.Master EY

- Messaggi: 8982
- Iscritto il: 17 lug 2010, 18:42
- Località: le 4 del mattino
19 messaggi
• Pagina 1 di 2 • 1, 2
Torna a Impianti, sicurezza e quadristica
Chi c’è in linea
Visitano il forum: Nessuno e 53 ospiti

Elettrotecnica e non solo (admin)
Un gatto tra gli elettroni (IsidoroKZ)
Esperienza e simulazioni (g.schgor)
Moleskine di un idraulico (RenzoDF)
Il Blog di ElectroYou (webmaster)
Idee microcontrollate (TardoFreak)
PICcoli grandi PICMicro (Paolino)
Il blog elettrico di carloc (carloc)
DirtEYblooog (dirtydeeds)
Di tutto... un po' (jordan20)
AK47 (lillo)
Esperienze elettroniche (marco438)
Telecomunicazioni musicali (clavicordo)
Automazione ed Elettronica (gustavo)
Direttive per la sicurezza (ErnestoCappelletti)
EYnfo dall'Alaska (mir)
Apriamo il quadro! (attilio)
H7-25 (asdf)
Passione Elettrica (massimob)
Elettroni a spasso (guidob)
Bloguerra (guerra)



