Buonasera ragazzi.
Scusate se riapro questa vecchia discussione. Ho lo stesso problema degli altri utenti: devo collegare un sensore crepuscolare ad una lampadina che oggi è azionata da un interruttore, senza escludere l'interruttore.
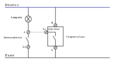
Il mio problema è che essendo totalmente neofita, non ho ben capito lo schema illustrato sopra.
Il modello di crepuscolare è il seguente:
http://store.mectronica.it/impiantistic ... osita.html
Vi ringrazio anticipatamente.
Stefano
Aiuto lampada con interruttore + crepuscolare + movimento
Moderatori:
sebago,
MASSIMO-G,
lillo,
Mike
15 messaggi
• Pagina 2 di 2 • 1, 2
0
voti
devi portare l'alimentazione (230 V) al crepuscolare, poi collegare un filo tra il contatto di uscita del sensore e l'uscita dell'interruttore che attualmente comanda la lampada
ovviamente, l'alimentazione del crepuscolare deve provenire dallo stesso circuito a cui è collegato l'interruttore (e la lampada!)
ovviamente, l'alimentazione del crepuscolare deve provenire dallo stesso circuito a cui è collegato l'interruttore (e la lampada!)
Ognuno sta solo sul cuor della terra
trafitto da un raggio di sole:
ed è subito sera
Salvatore Quasimodo
trafitto da un raggio di sole:
ed è subito sera
Salvatore Quasimodo
0
voti
Grazie!
Ti farò sapere presto!
Ti farò sapere presto!
0
voti
attilio ha scritto:
Buon giorno e scusate se riesumo roba così vecchia....
devo fare la stessa cosa nella casa nuova (e l'avevo già fatta in quella vecchia....) ma mi sorge un dubbio: ma se è notte ed il crepuscolare sta dando alimentazione alla lampada ed io agisco sull'interruttore in casa, non vado a chiudere due estremi fase/fase entrambi sotto tensione ? non rischio di fare un bell'arco ?!
Grazie !
Saluti
0
voti
Certo che questo post va avanti da diversi anni con problematiche spesso simili...
attilio ha dispensato consigli a destra e a manca ma nessuno ha detto se il circuito ha funzionato e se è andato tutto bene... Forse è scoppiato in faccia agli utenti?!
Se è già acceso penso non sia un problema, perché il circuito in quel momento è comandato dal crepuscolare. Piuttosto, se volessi spegnerlo di notte? Devo inserire un altro interruttore in serie al crepuscolare?
saluti
ma se è notte ed il crepuscolare sta dando alimentazione alla lampada ed io agisco sull'interruttore in casa, non vado a chiudere due estremi fase/fase entrambi sotto tensione ? non rischio di fare un bell'arco ?!
Se è già acceso penso non sia un problema, perché il circuito in quel momento è comandato dal crepuscolare. Piuttosto, se volessi spegnerlo di notte? Devo inserire un altro interruttore in serie al crepuscolare?
saluti
15 messaggi
• Pagina 2 di 2 • 1, 2
Torna a Impianti, sicurezza e quadristica
Chi c’è in linea
Visitano il forum: Nessuno e 98 ospiti

Elettrotecnica e non solo (admin)
Un gatto tra gli elettroni (IsidoroKZ)
Esperienza e simulazioni (g.schgor)
Moleskine di un idraulico (RenzoDF)
Il Blog di ElectroYou (webmaster)
Idee microcontrollate (TardoFreak)
PICcoli grandi PICMicro (Paolino)
Il blog elettrico di carloc (carloc)
DirtEYblooog (dirtydeeds)
Di tutto... un po' (jordan20)
AK47 (lillo)
Esperienze elettroniche (marco438)
Telecomunicazioni musicali (clavicordo)
Automazione ed Elettronica (gustavo)
Direttive per la sicurezza (ErnestoCappelletti)
EYnfo dall'Alaska (mir)
Apriamo il quadro! (attilio)
H7-25 (asdf)
Passione Elettrica (massimob)
Elettroni a spasso (guidob)
Bloguerra (guerra)





