Cos'è ElectroYou | Login Iscriviti

ElectroYou - la comunità dei professionisti del mondo elettrico

Bobina, contattore e contatti ausiliari

Progettazione, esercizio, manutenzione, sicurezza, leggi, normative...

Moderatori: Foto Utentesebago, Foto UtenteMASSIMO-G, Foto Utentelillo, Foto UtenteMike

0
voti

[11] Re: Bobina, contattore e contatti ausiliari

Messaggioda Foto Utentemir » 4 feb 2016, 17:28

schumy91 ha scritto: i contatti ausiliari si muovono assieme ai contatti principali sulla quale sono montati?

certo,possono essere di tipo NO (normally open) o NC (normally closed) e si utilizzano per un interblocco tra due o più contattori, per l'inserimento di altri circuiti o per segnalare uno stato o per l'autoalimentazione.
Avatar utente
Foto Utentemir
66,0k 9 12 13
G.Master EY
G.Master EY
 
Messaggi: 21870
Iscritto il: 19 ago 2004, 21:10

0
voti

[12] Re: Bobina, contattore e contatti ausiliari

Messaggioda Foto Utenteschumy91 » 4 feb 2016, 22:29

gentilmente si può fare un esempio per le casistiche citate sopra? ora mi è abbastanza tutto più chiaro
Avatar utente
Foto Utenteschumy91
134 1 6 8
Sostenitore
Sostenitore
 
Messaggi: 797
Iscritto il: 13 gen 2008, 0:30
Località: Cittadino del Mondo

0
voti

[13] Re: Bobina, contattore e contatti ausiliari

Messaggioda Foto UtenteCandy » 4 feb 2016, 22:31

In che senso? Quali casistiche?
Avatar utente
Foto UtenteCandy
32,5k 7 10 13
CRU - Account cancellato su Richiesta utente
 
Messaggi: 10123
Iscritto il: 14 giu 2010, 22:54

0
voti

[14] Re: Bobina, contattore e contatti ausiliari

Messaggioda Foto Utenteschumy91 » 4 feb 2016, 22:35

Interblocco tra due o più contatti, per segnalare uno stato o per l'autoalimentazione.
Avatar utente
Foto Utenteschumy91
134 1 6 8
Sostenitore
Sostenitore
 
Messaggi: 797
Iscritto il: 13 gen 2008, 0:30
Località: Cittadino del Mondo

0
voti

[15] Re: Bobina, contattore e contatti ausiliari

Messaggioda Foto UtenteCandy » 4 feb 2016, 22:37

Avevo già qualche schema in FCJ per il forum. Domani dovrei riuscire a postarlo.
Avatar utente
Foto UtenteCandy
32,5k 7 10 13
CRU - Account cancellato su Richiesta utente
 
Messaggi: 10123
Iscritto il: 14 giu 2010, 22:54

0
voti

[16] Re: Bobina, contattore e contatti ausiliari

Messaggioda Foto Utenteschumy91 » 4 feb 2016, 22:41

Se volessi disegnare io un circuito utilizzando dei contattori come devo ragionare? magari facendo l'esempio di costruire il circuito del verricello
Avatar utente
Foto Utenteschumy91
134 1 6 8
Sostenitore
Sostenitore
 
Messaggi: 797
Iscritto il: 13 gen 2008, 0:30
Località: Cittadino del Mondo

1
voti

[17] Re: Bobina, contattore e contatti ausiliari

Messaggioda Foto UtenteStefanoSunda » 5 feb 2016, 15:08

Se volessi disegnare io un circuito utilizzando dei contattori come devo ragionare? magari facendo l'esempio di costruire il circuito del verricello
Per capire, ti posto lo schema di un verricello. Così puoi capire come i due contattori sono interbloccati tra loro.

Aggiunto lo stop per dimenticanza Stefano Sunda.
Avatar utente
Foto UtenteStefanoSunda
2.885 3 6 10
Master
Master
 
Messaggi: 1965
Iscritto il: 16 set 2010, 19:29

0
voti

[18] Re: Bobina, contattore e contatti ausiliari

Messaggioda Foto Utenteschumy91 » 5 feb 2016, 17:30

Ok dal circuito da te postato se ho capito bene c'è una sola velocità di funzionamento sia per la discesa che la salita, giusto?
Avatar utente
Foto Utenteschumy91
134 1 6 8
Sostenitore
Sostenitore
 
Messaggi: 797
Iscritto il: 13 gen 2008, 0:30
Località: Cittadino del Mondo

1
voti

[19] Re: Bobina, contattore e contatti ausiliari

Messaggioda Foto Utentemir » 5 feb 2016, 19:44

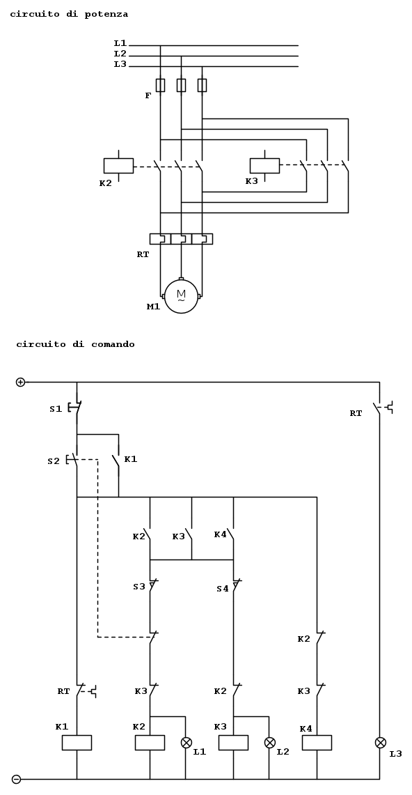
Altro circuito di esempio (non si tratta di un verricello :D ) ...
Consideriamo l’inversione di marcia di un motore asincrono trifase, con protezione termica ed inversione attraverso micro di finecorsa (elettromeccanici) quindi inversione immediata, e relative lampade di segnalazione di stato.




Provo a illustrarne il funzionamento considerando lo schema di comando.
Premendo il pulsante S2 si alimenta la bobina del relè ausiliario K1, che si ecciterà chiudendo i propri contatti tra cui il suo contatto K1.

La chiusura di questo contatto consente alla bobina di rimanere alimentata anche al rilascio di S2 (ritenuta)
Con lo stesso contatto si alimenta la bobina dell’altro relè ausiliario K4, che realizza la chiusura del circuito sulla bobina del contattore per la marcia indietro K3 e la relativa spia di segnalazione L2 (collegata in derivazione su K3).
--(la lampada poteva essere anche comandate da un contatto NO ausiliario di K3, ovviamente collegandola in derivazione alla bobina del contattore si risparmia un contatto ausiliario)

La chiusura dei contatti del contattore K3 realizza l’alimentazione del motore M1 (L1-L2-L3), ed il motore inizia a girare in senso antiorario.

La bobina del contattore K2 all’inizio dell’avviamento perché sul suo ramo si trova inserito un contatto NC del pulsante S2 che si apre nel momento in cui si preme S2, ovviamente perché si è deciso di escludere al momento iniziale la marcia in senso orario, ma nulla vieta di fare il contrario.

Nel momento in cui si aziona il finecorsa S4 si interrompe il ramo di alimentazione di K3 e mediante una momentanea chiusura del relè K4 si realizza l’eccitazione di K2 e la relativa lampada L1, ed ovviamente si spenge la lampada L2.

In questa condizione il motore si alimenta e gira in senso orario
Nel momento in cui si aziona il finecorsa S3 si diseccita il contattore K2 che interrompe l’alimentazione al motore M1.

Di nuovo attraverso la momentanea chiusura di K4 relè ausiliario si alimenta K3 che a sua volta invertirà il senso di rotazione del motore M1 alimentandolo.

Questo processo seguirà fintanto che sarà presente l’alimentazione al circuito di comando, o fintanto che non si prema il pulsante di arresto S1, che con la sua azione interrompe l’alimentazione al circuito fermando il processo.

Nel circuito è presente una protezione termica del motore che qualora interviene attraverso il suo contatto NC nominato RT apre il circuito di alimentazione di K1 interrompendo il funzionamento del sistema e segnalando il suo intervento attraverso la lampada L3 comandata dal contatto NO ausiliario di RT.
Avatar utente
Foto Utentemir
66,0k 9 12 13
G.Master EY
G.Master EY
 
Messaggi: 21870
Iscritto il: 19 ago 2004, 21:10

0
voti

[20] Re: Bobina, contattore e contatti ausiliari

Messaggioda Foto UtenteCandy » 5 feb 2016, 21:35

Come fa K4 ad attivarsi, che non vuole vedere ne K2, ne K3, ma allo stesso tempo li comanda? Direi che un poco indeciso.
Avatar utente
Foto UtenteCandy
32,5k 7 10 13
CRU - Account cancellato su Richiesta utente
 
Messaggi: 10123
Iscritto il: 14 giu 2010, 22:54

PrecedenteProssimo

Torna a Impianti, sicurezza e quadristica

Chi c’è in linea

Visitano il forum: Nessuno e 32 ospiti