Progettazione, esercizio, manutenzione, sicurezza, leggi, normative...
Moderatori:
sebago,
MASSIMO-G,
lillo,
Mike
da
lelerelele » 16 ago 2017, 15:28
sono anni che sono uscito dal giro
però avrei detto che usando un trasformatore trifase a triangolo (380 V di linea), avrei potuto utilizzare la 220 V in uscita sulle tre fasi.
magari pensavo male.
saluti.
-

lelerelele
4.899
3
7
9
- Master

-
- Messaggi: 5509
- Iscritto il: 8 giu 2011, 8:57
- Località: Reggio Emilia
da
StefanoSunda » 16 ago 2017, 21:39
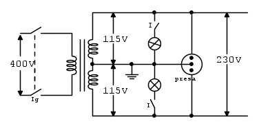
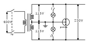
Incuriosito dalla cosa ho preso un tester ed ho fatto una prova con una presa...tra uno dei 2 fori esterni ed il centrale ci sono circa 125V mentre tra i 2 fori esterni circa 240V...qual è il principio alla base di ciò?
Dalla misura effettuata sulla presa si intuisce che il sistema è monofase in derivazione a tre conduttori 230/115V, con punto medio del trasformatore a massa.
Oggi che le potenze in gioco sono notevolmente aumentate si preferisce utilizzare il sistema trifase a quattro fili (trifase con neutro).
-

StefanoSunda
2.885
3
6
10
- Master

-
- Messaggi: 1965
- Iscritto il: 16 set 2010, 19:29
-
-

schumy91
134
1
6
8
- Sostenitore

-
- Messaggi: 797
- Iscritto il: 13 gen 2008, 0:30
- Località: Cittadino del Mondo
da
fpalone » 20 ago 2017, 14:42
schumy91 ha scritto:tra uno dei 2 fori esterni ed il centrale ci sono circa 125V mentre tra i 2 fori esterni circa 240V...qual è il principio alla base di ciò? Grazie
Se misuri 125 V tra fase e terra e 240 V tra fasi, iI principio dovrebbe essere quello descritto da da
StefanoSunda. Sei sicuro che quello sia lo schema del trasformatore? Quale è lo stato del neutro nella porzione di rete a 230V, a valle del trasformatore da te citato?
-

fpalone
21,0k
6
8
12
- G.Master EY

-
- Messaggi: 3549
- Iscritto il: 26 dic 2007, 17:46
- Località: roma
Torna a Impianti, sicurezza e quadristica
Chi c’è in linea
Visitano il forum: Nessuno e 77 ospiti