Messa a terra Gruppo elettrogeno e sistemi di distribuzione
Moderatori:
sebago,
MASSIMO-G,
lillo,
Mike
29 messaggi
• Pagina 2 di 3 • 1, 2, 3
0
voti
ok peró mettiamo di distribuire con cavi pentapolari (quindi TN-S) ci deve essere una differenza se neutro e terra sono collegate tra loro o se non lo sono...
-

Francesco1985
0 2 - Messaggi: 5
- Iscritto il: 16 lug 2020, 23:52
0
voti
Salve a tutti, riapro questo vecchio post perché ancora non mi è del tutto chiara la differenza tra i vari sistemi di distribuzione nello specifico caso.
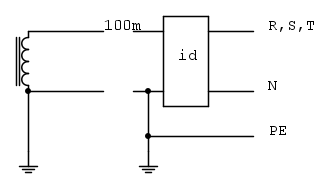
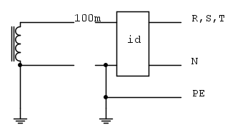
Ponendo il caso di un palco/circo/fiera alimentato da un generatore trifase collocato ad esempio a 100m di distanza, posso realizzare vari sistemi di distribuzione del neutro:
Questo è il sistema che vedo realizzato più spesso, secondo me piuttosto insensato: non vedo il motivo di distribuire due fili per PE e neutro
Questo è il sistema che utilizzerei io, un vero e proprio TT con le due terre praticamente coincidenti
E infine questo, un classico TN, TNC dal generatore al quadro vicino al palco e TNS dal quadro in poi. Il secondo dispersore vicino al palco, lo vogliono gli esaminatori.
Che vantaggi e svantaggi ci sono tra questo e quello precedente?
Ponendo il caso di un palco/circo/fiera alimentato da un generatore trifase collocato ad esempio a 100m di distanza, posso realizzare vari sistemi di distribuzione del neutro:
Questo è il sistema che vedo realizzato più spesso, secondo me piuttosto insensato: non vedo il motivo di distribuire due fili per PE e neutro
Questo è il sistema che utilizzerei io, un vero e proprio TT con le due terre praticamente coincidenti
E infine questo, un classico TN, TNC dal generatore al quadro vicino al palco e TNS dal quadro in poi. Il secondo dispersore vicino al palco, lo vogliono gli esaminatori.
Che vantaggi e svantaggi ci sono tra questo e quello precedente?
-

SediciAmpere
4.187 5 5 8 - Master

- Messaggi: 4850
- Iscritto il: 31 ott 2013, 15:00
0
voti
GioArca67 ha scritto:Ormai un differenziale non si nega più a nessuno.
Se poi ha riarmo o magari è di tipo F anche meglio...
Per "id" intendevo proprio interruttore differenziale
-

SediciAmpere
4.187 5 5 8 - Master

- Messaggi: 4850
- Iscritto il: 31 ott 2013, 15:00
0
voti
Nel secondo caso una interruzione dei collegamenti in uno dei tre punti indicati in rosso non fa mancare la protezione.
Non mi sembra un motivo sufficiente per imporlo.
0
voti
SediciAmpere ha scritto:Questo è il sistema che vedo realizzato più spesso, secondo me piuttosto insensato: non vedo il motivo di distribuire due fili per PE e neutro
Credo sia dovuto semplicemente a due fattori:
1 è il sistema più semplice. Metti un differenziale dal generatore, a monte di tutto, più i vari differenziali a valle (che comunque metteresti) e sei a posto. Meno preoccupazioni per il progettista, per l'installatore, per chi firma, ecc
Poi non so se per i luoghi adibiti a pubblico spettacolo sia proprio richiesto da normativa...
2 le ditte che allestiscono palchi, fiere, ecc spesso hanno già tutto il materiale pronto, costruito in modo da avere tutti i quadri già cablati, i cavi già con le loro spine, ecc.
Quindi lavorare sempre e solo con sistemi TN-S permette di passare senza problemi ad un TT, nel caso in cui organizzino eventi dove ci sono forniture adeguate
Il TN-C sicuramente è sensato da usare per installazioni fisse, per quelle temporanee non è detto.
Almeno l'itagliano sallo...
0
voti
Grazie per le risposte, non ho specificato che mi riferivo ad impianti con pitenza superiore agli 80 kW, perciò non si usano prolunghe con cavi multipolari, ma cavi singoli da stendere paralleli, con sezione di 120, 185 o 240 mm² ;
a seconda del sistema di distribuzione che il progettista sceglie, si può distribuire o no il cavo di terra.
a seconda del sistema di distribuzione che il progettista sceglie, si può distribuire o no il cavo di terra.
-

SediciAmpere
4.187 5 5 8 - Master

- Messaggi: 4850
- Iscritto il: 31 ott 2013, 15:00
0
voti
SediciAmpere ha scritto:Questo è il sistema che vedo realizzato più spesso, secondo me piuttosto insensato: non vedo il motivo di distribuire due fili per PE e neutro
Il senso è quello di realizzare un sistema di distribuzione TN-S dove il guasto verso terra si chiude nel rame per cui è sufficiente la protezione magnetica o di guasto a terra e quindi evitare un differenziale che può intervenire intempestivamente.
--
Michele Lysander Guetta
--
"Non pensare mai al dolore, al pericolo o ai nemici un momento più lungo del necessario per combatterli." — Ayn Rand
Michele Lysander Guetta
--
"Non pensare mai al dolore, al pericolo o ai nemici un momento più lungo del necessario per combatterli." — Ayn Rand
-

Mike
55,6k 7 10 12 - G.Master EY

- Messaggi: 17010
- Iscritto il: 1 ott 2004, 18:25
- Località: Conegliano (TV)
0
voti
ciao
Mike,
concordo su quello che dici, ma dalla mia piccola esperienza:
le impedenze interne dei GE sono elevate rispetto a quella misurabile su un impianto collegato alla rete.
spesso (sempre, in base ai miei precedenti) il coordinamento con soli interruttori a sovracorrente non è fattibile.
concordo su quello che dici, ma dalla mia piccola esperienza:
le impedenze interne dei GE sono elevate rispetto a quella misurabile su un impianto collegato alla rete.
spesso (sempre, in base ai miei precedenti) il coordinamento con soli interruttori a sovracorrente non è fattibile.
29 messaggi
• Pagina 2 di 3 • 1, 2, 3
Torna a Impianti, sicurezza e quadristica
Chi c’è in linea
Visitano il forum: Nessuno e 77 ospiti

Elettrotecnica e non solo (admin)
Un gatto tra gli elettroni (IsidoroKZ)
Esperienza e simulazioni (g.schgor)
Moleskine di un idraulico (RenzoDF)
Il Blog di ElectroYou (webmaster)
Idee microcontrollate (TardoFreak)
PICcoli grandi PICMicro (Paolino)
Il blog elettrico di carloc (carloc)
DirtEYblooog (dirtydeeds)
Di tutto... un po' (jordan20)
AK47 (lillo)
Esperienze elettroniche (marco438)
Telecomunicazioni musicali (clavicordo)
Automazione ed Elettronica (gustavo)
Direttive per la sicurezza (ErnestoCappelletti)
EYnfo dall'Alaska (mir)
Apriamo il quadro! (attilio)
H7-25 (asdf)
Passione Elettrica (massimob)
Elettroni a spasso (guidob)
Bloguerra (guerra)







