Intervento differenziale anomalo
Moderatori:
sebago,
MASSIMO-G,
lillo,
Mike
47 messaggi
• Pagina 3 di 5 • 1, 2, 3, 4, 5
0
voti
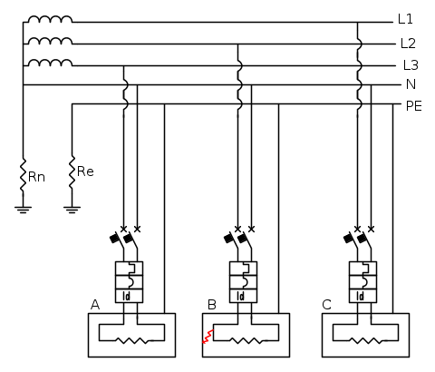
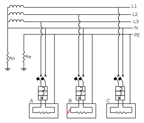
Non riesco a capire, l'assenza del collegamento di terra (o un collegamento ad alta impedenza), ma la presenza dell'impianto di terra fa intervenire gli interruttori delle altre abitazioni? In che modo?
"La progettazione, il primo presidio della sicurezza" [Michele Guetta]
0
voti
Quindi si ipotizza un accoppiamento tra le masse e le parti attive dei componenti degli altri appartamenti tale da far passare una corrente superiore ai 15mA?
Ed escludiamo che sia già presente un guasto su tali impianti, ad esempio il conduttore neutro a contatto con una massa, visto che pare improbabile che questo guasto sia presente in 3 appartamenti.
Giusto?
Ed escludiamo che sia già presente un guasto su tali impianti, ad esempio il conduttore neutro a contatto con una massa, visto che pare improbabile che questo guasto sia presente in 3 appartamenti.
Giusto?
"La progettazione, il primo presidio della sicurezza" [Michele Guetta]
0
voti
Io dico la mia da ignorante: hai considerato il caso in cui:
- Il differenziale è all'inizio del montate, subito sotto al contatore, dove sono tutti gli altri;
- I montanti sono molto vicini tra loro;
- Ogni utenza, (condominio), ha svariati carichi elettronici con filtri EMC capacitivi;
- In seguito ad un guasto, un differenziale inizia la manovra di apertura;
- Il polo della fase, (esempio), è di un nulla più lento di quello del neutro ad aprire.
Hai provato a rappresentare l'array di impedenze in questo caso? Fotografato da un simile istante?
- Il differenziale è all'inizio del montate, subito sotto al contatore, dove sono tutti gli altri;
- I montanti sono molto vicini tra loro;
- Ogni utenza, (condominio), ha svariati carichi elettronici con filtri EMC capacitivi;
- In seguito ad un guasto, un differenziale inizia la manovra di apertura;
- Il polo della fase, (esempio), è di un nulla più lento di quello del neutro ad aprire.
Hai provato a rappresentare l'array di impedenze in questo caso? Fotografato da un simile istante?
-

Candy
32,5k 7 10 13 - CRU - Account cancellato su Richiesta utente
- Messaggi: 10123
- Iscritto il: 14 giu 2010, 22:54
2
voti
Le poche volte che ho osservato questo fenomeno, si è sempre comportato nel seguente modo: a causa di uno scatto del differenziale in un condominio, nel medesimo istante, scatta anche un secondo differenziale.
Le casistiche che ho esaminato sono poche, pochissime.
Ho sempre associato il fenomeno ad un ritorno di corrente temporaneo tra circuiti attigui: mentre il differenziale A sta aprendosi, quasi certamente i due contatti che non sono guidati si trovano ad essere uno ancora chiuso mentre il compagno apre. In questo istante eventuali correnti che si bilanciano preferendo il neutro come via di ritorno, fuggono via impianto di terra per tornare al neutro tramite altro impianto.
Da qui l'affermazione di PA: la via dell'impianto di terra è ostruita o poco pratica, (alta impedenza), e la mia che insiste nell'accoppiamento capacitivo: l'unico che si può sbilanciare durante una manovra di apertura interruttore.
Le casistiche che ho esaminato sono poche, pochissime.
Ho sempre associato il fenomeno ad un ritorno di corrente temporaneo tra circuiti attigui: mentre il differenziale A sta aprendosi, quasi certamente i due contatti che non sono guidati si trovano ad essere uno ancora chiuso mentre il compagno apre. In questo istante eventuali correnti che si bilanciano preferendo il neutro come via di ritorno, fuggono via impianto di terra per tornare al neutro tramite altro impianto.
Da qui l'affermazione di PA: la via dell'impianto di terra è ostruita o poco pratica, (alta impedenza), e la mia che insiste nell'accoppiamento capacitivo: l'unico che si può sbilanciare durante una manovra di apertura interruttore.
-

Candy
32,5k 7 10 13 - CRU - Account cancellato su Richiesta utente
- Messaggi: 10123
- Iscritto il: 14 giu 2010, 22:54
0
voti
La tua spiegazione
Candy non fa una piega e ti ringrazio per la delucidazione, ma credo che tu sia d'accordo con me che è una situazione al quanto limitata nella casistica se pur possibile.
A parer mio il problema dell' utente in questione è di più semplice spiegazione ma nulla esclude che tu abbia ragione anche in questo caso specifico anzi...
A parer mio il problema dell' utente in questione è di più semplice spiegazione ma nulla esclude che tu abbia ragione anche in questo caso specifico anzi...
MCSA Windows Server 2012 R2
Cisco CCNA R&S - Cisco CCNA Security - Cisco CCNA Cyber Ops
CompTia A+ - CompTia Linux+ - CompTIA Systems Support Specialist CSSS
CompTia Pentest+ LPIC-1 - VCP VMware - Cisco CCNP Enterprise
Cisco CCNA R&S - Cisco CCNA Security - Cisco CCNA Cyber Ops
CompTia A+ - CompTia Linux+ - CompTIA Systems Support Specialist CSSS
CompTia Pentest+ LPIC-1 - VCP VMware - Cisco CCNP Enterprise
0
voti
Candy ha scritto:In questo caso si discute per confrontarsi, per accomunare le proprie esperienze e vedere se possono arricchirsi.
Senza ombra di dubbio

MCSA Windows Server 2012 R2
Cisco CCNA R&S - Cisco CCNA Security - Cisco CCNA Cyber Ops
CompTia A+ - CompTia Linux+ - CompTIA Systems Support Specialist CSSS
CompTia Pentest+ LPIC-1 - VCP VMware - Cisco CCNP Enterprise
Cisco CCNA R&S - Cisco CCNA Security - Cisco CCNA Cyber Ops
CompTia A+ - CompTia Linux+ - CompTIA Systems Support Specialist CSSS
CompTia Pentest+ LPIC-1 - VCP VMware - Cisco CCNP Enterprise
0
voti
Ok, il ragionamento fila, ma l'impedenza dell'impianto di terra dovrebbe essere paragonabile a quella delle capacità trasversali. Tipicamente nei filtri RFI per elettrodomestici si usano capacità verso massa di 0,027 microfarad, che a 50 Hz corrispondono a un centinaio di kohm. E' vero che mettendosi gli occhiali di Fourier le cose cambiano, ma la vedo sempre dura arrivare all'obiettivo, dovrebbero aver usato un "chiodo di terra" al posto della puntazza.Candy ha scritto:In questo istante eventuali correnti che si bilanciano preferendo il neutro come via di ritorno, fuggono via impianto di terra per tornare al neutro tramite altro impianto.
Azzardo un'ipotesi alternativa:
il guasto non è un difetto di isolamento ma un c.c. (potrebbe essere, vista la chiarezza con cui è stato posto il problema), la linea Enel è particolarmente sfigata, l'ulteriore riduzione di tensione durante il c.c. determina il malfunzionamento del differenziale (sfigatello pure lui) dell'unità immobiliare a fianco.
47 messaggi
• Pagina 3 di 5 • 1, 2, 3, 4, 5
Torna a Impianti, sicurezza e quadristica
Chi c’è in linea
Visitano il forum: Google Adsense [Bot] e 77 ospiti

Elettrotecnica e non solo (admin)
Un gatto tra gli elettroni (IsidoroKZ)
Esperienza e simulazioni (g.schgor)
Moleskine di un idraulico (RenzoDF)
Il Blog di ElectroYou (webmaster)
Idee microcontrollate (TardoFreak)
PICcoli grandi PICMicro (Paolino)
Il blog elettrico di carloc (carloc)
DirtEYblooog (dirtydeeds)
Di tutto... un po' (jordan20)
AK47 (lillo)
Esperienze elettroniche (marco438)
Telecomunicazioni musicali (clavicordo)
Automazione ed Elettronica (gustavo)
Direttive per la sicurezza (ErnestoCappelletti)
EYnfo dall'Alaska (mir)
Apriamo il quadro! (attilio)
H7-25 (asdf)
Passione Elettrica (massimob)
Elettroni a spasso (guidob)
Bloguerra (guerra)






