da
Ivan77 » 9 apr 2016, 16:15
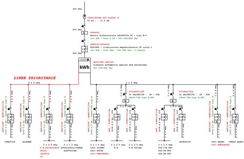
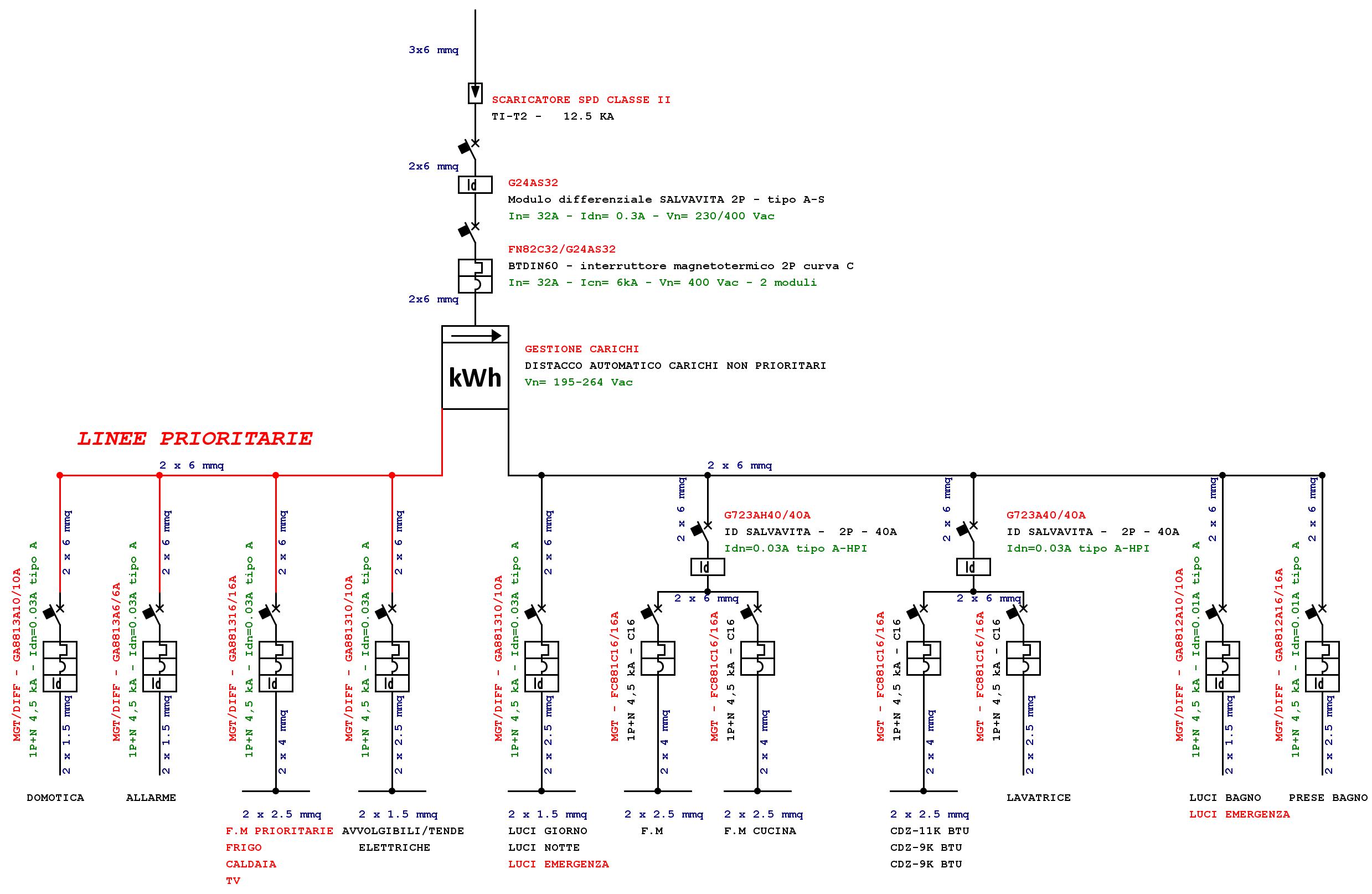
Franco012 ha scritto:[list][*] il comparto "carichi non prioritari" mi sembra un po' troppo affollato.
Il dispositivo che ho preso come esempio nel mio schema è il F80GC (bticino). A dire la verità io come linea piroritaria avrei lasciato solo le F.M prioritaie e Luci.
Franco012 ha scritto:Dovresti fare qualche aggiustamento, prevedendo un magnetotermico da 10A al posto di uno da 16A, là dove possibile;
In questi casi mi converrebbe aggiungere un altro differenziale per accorpare meglio i magnetotermici ?
Attilio ha scritto:Il differenziale puro del bagno ha corrente nominale di 16A, o lo metti da 25A e mantieni la divisione prese/luci o semplifichi un po' i sezionamenti ad esempio mettendo un magnetotermico differenziale unico per prese e luci.
Forse potrei rimuovere la linea "Luci Bagno", anche perché le luci le gestirò attarverso dei relè della Finder, posti in un altro quadro, via Arduino.
Per i moduli corrente (si dice così?

) ho utilizzato un altro quadro da 36 moduli
Franco012 ha scritto:[*] alcuni conduttori sono sovradimensionati.
Per le luci, avvolgibili, caldaia ed impianto allarme ( tutte linee dirette che partono dal quadro relè) ho utilizzato conduttori da 1,5 mmq. Nello schema ho messo 2,5 mmq e 4 mmq perché ho intenzione , sempre se è consigliabile, di derivare la linea proveniente dai magnetotermici, via morsettiere, alle singole linee . Per le prese, invece, ho utilizzato i conduttori da 4mmq , per la terra ed il neutro, solo fino alle scatole di derivazione, ogni singola fase parte direttamente dal quadro relè ed è di 2,5 mmq.