Giuliano58 ha scritto:Ho un problema simile, e pensavo di risolverlo così:
due contattori di potenza quadripolari.
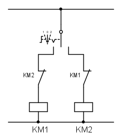
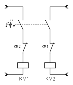
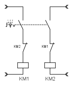
Un commutatore rotativo manuale 1-0-2 che quando viene azionato passa per lo zero
Quindi il commutatore tiene eccitato il contattore "rete".
Il generatore ha la partenza manuale.
Quando manca la rete commuto su "0" e nessun contattore è eccitato
Avvio il generatore e commuto su "2"
Al ritorno della rete faccio al contrario, prima spegnendo il generatore, ovviamente
Funziona? Grazie
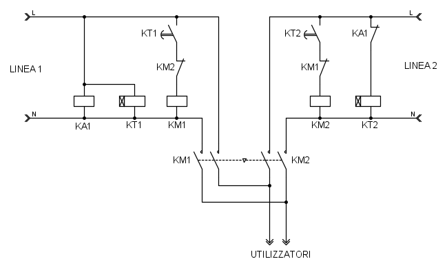
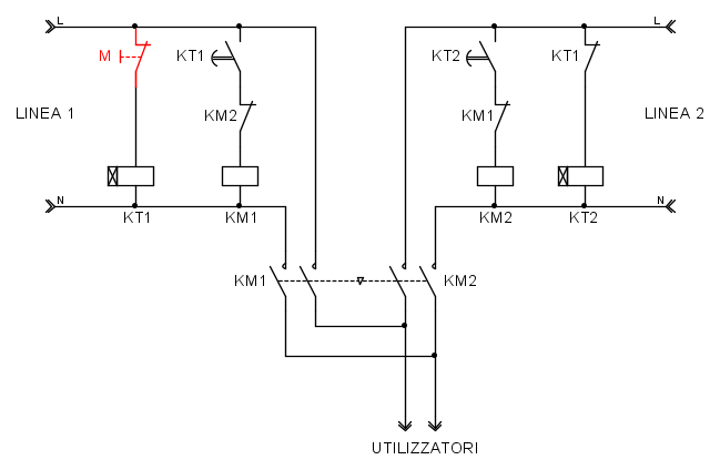
Direi che va bene, ma negli ausiliari devi interbloccare elettricamente le due bobine,
come ha illustrato
Non è indispensabile spegnere il generatore prima della commutazione, anche se può essere una buona prassi.
Questione Interblocchi
Secondo la Norma che si applica a questi impianti, la CEI 0-21, capitolo 8.4.3 "Funzionamento in isola su carichi privilegiati", gli interblocchi devono essere "ridondanti" e lascia spazio a due filosofie:
1. Interblocco Elettrico+Meccanico
2. Interblocco Elettrico Doppio
Nel caso sopra citato l'interblocco è doppio perché uno è nel commutatore rotativo ed il secondo nei contatti tra le bobine.

Elettrotecnica e non solo (admin)
Un gatto tra gli elettroni (IsidoroKZ)
Esperienza e simulazioni (g.schgor)
Moleskine di un idraulico (RenzoDF)
Il Blog di ElectroYou (webmaster)
Idee microcontrollate (TardoFreak)
PICcoli grandi PICMicro (Paolino)
Il blog elettrico di carloc (carloc)
DirtEYblooog (dirtydeeds)
Di tutto... un po' (jordan20)
AK47 (lillo)
Esperienze elettroniche (marco438)
Telecomunicazioni musicali (clavicordo)
Automazione ed Elettronica (gustavo)
Direttive per la sicurezza (ErnestoCappelletti)
EYnfo dall'Alaska (mir)
Apriamo il quadro! (attilio)
H7-25 (asdf)
Passione Elettrica (massimob)
Elettroni a spasso (guidob)
Bloguerra (guerra)








Da dove prenderebbe alimentazione il selettore rotativo?
hai ragione, istintivamente avevo pensato che 
