Scatta magnetotermico 10A e contatore
Moderatori:
sebago,
MASSIMO-G,
lillo,
Mike
0
voti
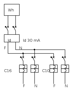
Caro MYR, sono sempre Auciello46, innanzitutto prima di iniziare volevo associarmi con te per i complimenti al forum, a tutti gli amici che ne fanno uso, e al suo Amministratore. Riprendendo il discorso con la speranza di non annoiarti (perché sono ripetitivo), il quadro elettrico è formato da un differenziale puro 2 poli, due magnetotermici (da 10 e16), bt din bticino serie F82A 2 poli, 400volt, 4,5KA, curva C, ( e non c'è la N del neutro scritta a destra dei magnetotermici come la serie F81A), pertanto i fili possono andare messi senza una logica perché sono entrambi con la fase. Volevo un consiglio tecnico, perché mi è stato detto che si può fare a meno di fare i ponticelli sui magneto, ma fare in questo modo: prendere il filo del differenziale diciamo la fase per capirci meglio, mettere un filo sulla fase del magneto da 10, poi mettere un altro filo sulla fase su quello da 16 e fare un unico nodo attorcigliandoli, poi dopo serrarli con un cappuccio isolante, e così fare per l'altro polo dice che così la linea è più bilanciata. Voglio ripetermi dicendo che il quadro elettrico tiene solo 2 magneto e il differenziale puro e io ho fatto il ponticello tradizionale da un magneto all'altro, è il caso di lasciar perdere o conviene fare il nodo e spostare i fili blù sulla parte destra dei magneto e quelli marrone a sinistra? Ho già detto che la linea di tutta la casa (50mq) è corredata di terra. P.S. I fili dal contatore escono solo con la fase senza neutro. Rinnovandoti cordiali saluti ti saluto caramente per la pazienza di leggere un messaggio così lungo. Ciao, Auciello46
-

auciello46
35 2 - New entry

- Messaggi: 58
- Iscritto il: 27 mag 2010, 18:10
0
voti
Ciao Mir, ho ricevuto lo schema del differenziale e dei 2 magnetotermici, deduco che dal differenziale si porta la fase nel magneto e poi ponticellando la si porta su quell'altro magneto e così per il neutro, io così ho fatto, pertanto il fatto di fare i nodi cioè unire i fili della fase e quelli del neutro è meglio non prenderli in considerazione. Cordiali saluti Auciello46
-

auciello46
35 2 - New entry

- Messaggi: 58
- Iscritto il: 27 mag 2010, 18:10
0
voti
Ciao a tutti amici del Forum, sono Auciello46, nell'occasione delle festività, auguro di vero cuore a Voi tutti un augurio sincero di Buon Natale e buon anno insieme alle Vostre famiglie.
-

auciello46
35 2 - New entry

- Messaggi: 58
- Iscritto il: 27 mag 2010, 18:10
0
voti
Impara a cablare in questo modo:
Morsetti a cappuccio Cembre a serraggio indiretto o a morsettiera in linea, (gabbia con serraggio a sezione restringente) contro i tradizionali a serraggio diretto( vite che incide il fascio di conduttori).....
Sezioni dei conduttori omogenee tra loro; es 3x 2,5mm2
Puntalini crimpati per le terminazioni dei cavi e serrati sui magnetotermici-differenziali, e puntalini a doppio ingresso x i ponticelli da modulo a modulo....
Evito di sottolineare i cablaggi di molti installatori fatti con anima cavo spiralata a mano senza puntali, o fasci di cavi multisezioni aggraffati alla meglio entro morsetto a serraggio diretto di enorme sezione ..con conduttori più piccoli tranciati o collegati male....
Morsetti a cappuccio Cembre a serraggio indiretto o a morsettiera in linea, (gabbia con serraggio a sezione restringente) contro i tradizionali a serraggio diretto( vite che incide il fascio di conduttori).....
Sezioni dei conduttori omogenee tra loro; es 3x 2,5mm2
Puntalini crimpati per le terminazioni dei cavi e serrati sui magnetotermici-differenziali, e puntalini a doppio ingresso x i ponticelli da modulo a modulo....
Evito di sottolineare i cablaggi di molti installatori fatti con anima cavo spiralata a mano senza puntali, o fasci di cavi multisezioni aggraffati alla meglio entro morsetto a serraggio diretto di enorme sezione ..con conduttori più piccoli tranciati o collegati male....
0
voti
Cari amici del Forum, sono AUCIELLO46, volevo da voi una risposta definitiva e certa su un quesito che ho già posto ma che non ho avuto la risposta che desideravo, scusate se la ripongo e mi affido alla vostra professionalità e alla cortesia di rispondermi. La domanda è: in alcune zone di Roma tra cui (montespaccato-boccea) dal contatore escono 2fasi (accertato con il cercafase) cioè la 220 è bifase se il temine è giusto. Avendo il quadro elettrico in casa formato da un differenziale 2P, e 2 magnetotermici da 16 e 10A della serie bt ticino 400v, 4500KA, CURVA 2poli F82A e avendo costatato che i fili che escono da sotto i 2 magneti sono messi( il gruppo di fili marrone a destra, e quelli blu a sinistra cioè il contrario di come si mettono di solito cioè marrone a sin. e blù a destra), se un domani l'ACEA dovesse mettere il neutro e alimentare le case con fase e neutro come in altre parti d'ITALIA, l'impianto va bene uguale o può sorgere qualche problema? Vi ringrazio della risposta e spero che mi togliate questo dubbio, perché parlando con più persone qualcuno dice che se anche in centrale dovessero mettere fase e neutro l'impianto va bene uguale perche i magneti sono F82A ticino, qualcun altro dice è meglio invertire i fili e non ci sto capendo più niente. Grazie della pazienza e della risposta e scusate l'incertezza ma con la corrente è meglio avere le idee chiare. Auciello46
-

auciello46
35 2 - New entry

- Messaggi: 58
- Iscritto il: 27 mag 2010, 18:10
0
voti
quelli blu a sinistra cioè il contrario di come si mettono di solito
Ciò che conta è che, se il neutro è indicato sull'interruttore ("N"), ad esso si colleghi il cavo di neutro.
Suppongo che se l'interruttore è 2P il neutro non sia indicato, ma non è detto.
0
voti
Guarda, finora nei molti cambi tensione che abbiamo fatto qua da me, cioè il passaggio di un gruppo di utenza da una linea trifase a 230 V (230 V tra fase e fase)a d una linea trifase a 400 V (230 V tra fase e neutro), l'unico inconveniente è stato il blocco della caldaia a gas. In questo caso basta invertire i due fili che la alimentano e tutto torna a posto.
0
voti
Salve Auciello46, oltre le indicazioni suggerite da 6367, aggiungerei che l'F82A della bticino,ha la protezione magnetotermica su entrambe i poli, pertanto invertendo le polarità le protezioni rimangono su entrambe, potresti avere qualche problema su utilizzatori, tipo l'esempio citato da MSIvano.


Torna a Impianti, sicurezza e quadristica
Chi c’è in linea
Visitano il forum: Nessuno e 113 ospiti

Elettrotecnica e non solo (admin)
Un gatto tra gli elettroni (IsidoroKZ)
Esperienza e simulazioni (g.schgor)
Moleskine di un idraulico (RenzoDF)
Il Blog di ElectroYou (webmaster)
Idee microcontrollate (TardoFreak)
PICcoli grandi PICMicro (Paolino)
Il blog elettrico di carloc (carloc)
DirtEYblooog (dirtydeeds)
Di tutto... un po' (jordan20)
AK47 (lillo)
Esperienze elettroniche (marco438)
Telecomunicazioni musicali (clavicordo)
Automazione ed Elettronica (gustavo)
Direttive per la sicurezza (ErnestoCappelletti)
EYnfo dall'Alaska (mir)
Apriamo il quadro! (attilio)
H7-25 (asdf)
Passione Elettrica (massimob)
Elettroni a spasso (guidob)
Bloguerra (guerra)





