Pierluigi2002 ha scritto:Mi incuriosisce il fatto che dei quattro cavi in partenza sotto il GME, due, siano tagliati netti con un tagliacavi, uno come se avesse subito una scarica da corto circuito, mentre il neutro ha ancora la parte pronta da inserire nel morsetto.
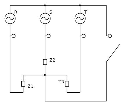
Provo a schematizzare la situazione:
Nel disegno i terminali a pallino vorrebbero rappresentare la morsettiera a valle del GET (il trifase se non ricordo male non è il GEM, bensì il GET). Come ho già detto in un post precedente, a mio parere l'arco è stato innescato dal fatto che il neutro, erroneamente sfilato dall'incauto operatore, vuoi perché il suddetto operatore si è spaventato dallo sfiammare di N che credeva "inerte", è andato a toccare T, e a quel punto l'aria ionizzata all'interno della morsettiera è stata veicolo dell'arco, con un fenomeno degenerativo (più sfiamma, più si ionizza, più sfiamma, ecc...). Nella fattispecie i danni maggiori dovrebbero essere sugli utilizzatori Z1 e Z2.
Nel momento in cui si stacca in ogni caso il filo di neutro rimane appeso ad un "centro stella dell'impianto", che sarà tutto tranne centro, ma che comunque non costituisce un percorso preferenziale per l'arco, visto che il percorso preferenziale è attraverso i morsetti delle tre fasi ancora collegate alla rete elettrica (quindi con un'impedenza molto bassa). A mio parere questo è il motivo per cui il cavo di neutro non è stato danneggiato tanto quanto gli altri.
Spero di non aver preso cantonate, sono un po' stanco...
Ciao
PSQ
P.S.: ho visto adesso che
Candy ha dato un'interpretazione molto simile alla mia...

per il doppione
