Cos'è ElectroYou | Login Iscriviti

ElectroYou - la comunità dei professionisti del mondo elettrico

corrente di cortocircuito franco bifase a terra

Progettazione, esercizio, manutenzione, sicurezza, leggi, normative...

Moderatori: Foto Utentesebago, Foto UtenteMASSIMO-G, Foto Utentelillo, Foto UtenteMike

0
voti

[1] corrente di cortocircuito franco bifase a terra

Messaggioda Foto Utentepot » 10 nov 2011, 13:58

Salve a tutti,

Qualcuno conosce la dimostrazione della corrente di cortocircuito bifase franco a terra??

(-j3^1/2 En (Zo-aZi))/ZdZo+ZoZi+ZiZo scusate ma non so inserire le formule con latex :(

Zo ,Zd, Zi sono rispettivamente le impedenza alla sequenza omopolare, diretta e inversa

a è alfa .

En f.e.m del generatore di tensione presente nella sequenza diretta

3^1/2 radice di 3

Grazie
Avatar utente
Foto Utentepot
16 1 4
New entry
New entry
 
Messaggi: 57
Iscritto il: 3 ott 2011, 17:06

6
voti

[2] Re: corrente di cortocircuito franco bifase a terra

Messaggioda Foto Utenteadmin » 10 nov 2011, 16:06

pot ha scritto:[..]
(-j3^1/2 En (Zo-aZi))/ZdZo+ZoZi+ZiZo scusate ma non so inserire le formule con latex :(

Non è una scusa valida: si deve imparare, ci sono strumenti che facilitano, come indicato negli articoli di Help. Non si capisce perché tu voglia infliggere di interpretare le formule senza fare il minimo sforzo per collaborare con chi è disposto ad aiutarti, nel caso conosca l'argomento. (Tra l'altro la formula che hai scritto è pure sbagliata: cosa facilissima da ottenere scrivendo le formule in quel modo).
-----
Il guasto è il seguente

Le condizioni di guasto permettono di stabilire che
\begin{array}{l}
 \dot E_2  = \dot E_3  = 0 \\ 
 \dot I_1  = 0 \\ 
 \dot E_0  = \frac{{\dot E_1  + \dot E_2  + \dot E_3 }}{3} = \frac{{\dot E_1 }}{3} \\ 
 \dot E_d  = \frac{{\dot E_1  + \alpha \dot E_2  + \alpha ^2 \dot E_3 }}{3} = \frac{{\dot E_1 }}{3} \\ 
 \dot E_i  = \frac{{\dot E_1  + \alpha ^2 \dot E_2  + \alpha \dot E_3 }}{3} = \frac{{\dot E_1 }}{3} \\ 
 \end{array}
quindi di impostare il seguente sistema per le componenti di sequenza delle tensioni e delle correnti

\begin{array}{l}
 \dot E_d  = \dot E_i  \\ 
 \dot E_d  = \dot E_0  \\ 
 \dot I_d  + \dot I_i  + \dot I_0  = 0 \\ 
 \dot E_n  - \dot Z_d \dot I_d  = \dot E_d  \\ 
  - \dot Z_i \dot I_i  = \dot E_i  \\ 
  - \dot Z_0 \dot I_0  = \dot E_0  \\ 
 \end{array}
Tale sistema corrisponde al parallelo dei tre bipoli di sequenza, quindi allo schema



Si possono ora ricavare le correnti di sequenza

\begin{array}{l}
 \dot I_d  = \dot E_n \frac{{\dot Z_0  + \dot Z_i }}{{\dot Z_0 \dot Z_i  + \dot Z_i \dot Z_d  + \dot Z_0 \dot Z_d }} \\ 
 \dot I_i  =  - \dot E_n \frac{{\dot Z_0 }}{{\dot Z_0 \dot Z_i  + \dot Z_i \dot Z_d  + \dot Z_0 \dot Z_d }} \\ 
 \dot I_0  =  - \dot E_n \frac{{\dot Z_i }}{{\dot Z_0 \dot Z_i  + \dot Z_i \dot Z_d  + \dot Z_0 \dot Z_d }} \\ 
 \end{array}

Quindi le correnti di guasto valgono:

\begin{array}{l}
 \dot I_2  = \dot I_0  + \alpha ^2 \dot I_d  + \alpha \dot I_i  =  \\ 
  = \dot E_n \frac{{ - \dot Z_i  + \alpha ^2 \dot Z_0  + \alpha ^2 \dot Z_i  - \alpha \dot Z_0 }}{{\dot Z_0 \dot Z_i  + \dot Z_i \dot Z_d  + \dot Z_0 \dot Z_d }} = \dot E_n \frac{{\dot Z_0 \left( {\alpha ^2  - \alpha } \right) + \dot Z_i \left( {\alpha ^2  - 1} \right)}}{{\dot Z_0 \dot Z_i  + \dot Z_i \dot Z_d  + \dot Z_0 \dot Z_d }} \\ 
 \end{array}

e poiché si ha

\alpha  =  - \frac{1}{2} + j\frac{{\sqrt 3 }}{2}

\begin{array}{l}
 \alpha ^2  - \alpha  =  - \frac{1}{2} - j\frac{{\sqrt 3 }}{2} - \left( { - \frac{1}{2} + j\frac{{\sqrt 3 }}{2}} \right) =  - j\sqrt 3  \\ 
 \alpha ^2  - 1 =  - \frac{1}{2} - j\frac{{\sqrt 3 }}{2} - 1 =  - \frac{3}{2} - j\frac{{\sqrt 3 }}{2} =  - j\sqrt 3 \left( {\frac{1}{2} - j\frac{{\sqrt 3 }}{2}} \right) =  - j\sqrt 3 \left( {1 + \alpha ^2 } \right) \\ 
 \end{array}

si ottiene

\dot I_2  =  - j\sqrt 3 \dot E_n \frac{{\dot Z_i \left( {1 + \alpha ^2 } \right) + \dot Z_0 }}{{\dot Z_0 \dot Z_i  + \dot Z_i \dot Z_d  + \dot Z_0 \dot Z_d }}

---

\begin{array}{l}
 \dot I_3  = \dot I_0  + \alpha  \dot I_d  + \alpha^2 \dot I_i  =  \\ 
  = \dot E_n \frac{{ - \dot Z_i  + \alpha  \dot Z_0  + \alpha  \dot Z_i  - \alpha^2 \dot Z_0 }}{{\dot Z_0 \dot Z_i  + \dot Z_i \dot Z_d  + \dot Z_0 \dot Z_d }} = \dot E_n \frac{{\dot Z_0 \left( {\alpha   - \alpha^2 } \right) + \dot Z_i \left( {\alpha  - 1} \right)}}{{\dot Z_0 \dot Z_i  + \dot Z_i \dot Z_d  + \dot Z_0 \dot Z_d }} \\ 
 \end{array}

e poiché
\begin{array}{l}
 \alpha  - 1 =  - \frac{1}{2} + j\frac{{\sqrt 3 }}{2} - 1 =  - \frac{3}{2} + j\frac{{\sqrt 3 }}{2} =  \\ 
  = j\sqrt 3 \left( {\frac{1}{2} + j\frac{{\sqrt 3 }}{2}} \right) = j\sqrt 3 \left( {1 + \alpha } \right) \\ 
 \end{array}

si può scrivere anche

\dot I_3  =  j\sqrt 3 \dot E_n \frac{{\dot Z_i \left( {1 + \alpha } \right) + \dot Z_0 }}{{\dot Z_0 \dot Z_i  + \dot Z_i \dot Z_d  + \dot Z_0 \dot Z_d }}

-----

Infine si ha

\dot I_g  = \dot I_2  + \dot I_3  = 3\dot I_0

(che in fondo è una verifica essendo la corrente sul neutro il triplo della componente omopolare)
Avatar utente
Foto Utenteadmin
196,6k 9 12 17
Manager
Manager
 
Messaggi: 11951
Iscritto il: 6 ago 2004, 13:14

3
voti

[3] Re: corrente di cortocircuito franco bifase a terra

Messaggioda Foto Utentedelgrosso » 10 nov 2011, 20:37

Anch'io sto studiando il calcolo delle correnti di cortocircuito. Volevo porre una domanda al Prof. Admin:

La corrente di guasto in tal caso non è pari alla somma della corrente che circola nella fase 2 più quella che circola nella fase 3?

Se la I2=-I3 non si ha un guasto bifase senza contatto a terra??
Avatar utente
Foto Utentedelgrosso
63 5
New entry
New entry
 
Messaggi: 72
Iscritto il: 16 giu 2010, 0:28

0
voti

[4] Re: corrente di cortocircuito franco bifase a terra

Messaggioda Foto Utenteadmin » 10 nov 2011, 21:12

Hai perfettamente ragione Foto Utentedelgrosso!
Provvedo immediatamente a correggere!
Grazie per la segnalazione! :ok:
Avatar utente
Foto Utenteadmin
196,6k 9 12 17
Manager
Manager
 
Messaggi: 11951
Iscritto il: 6 ago 2004, 13:14

0
voti

[5] Re: corrente di cortocircuito franco bifase a terra

Messaggioda Foto Utentepot » 11 nov 2011, 12:46

Provvederò ad imparare come si scrive una formula matematica con latex.

Grazie per la risposta admin, ho capito il procedimento.
Avatar utente
Foto Utentepot
16 1 4
New entry
New entry
 
Messaggi: 57
Iscritto il: 3 ott 2011, 17:06

1
voti

[6] Re: corrente di cortocircuito franco bifase a terra

Messaggioda Foto Utentelillo » 6 dic 2012, 19:09

stavo per aprire un nuovo 3D ma cerca cerca e ho trovato questo:
ripropongo i miei calcoli anche se il piccolo dubbio che mi attanagliava è stato risolto leggendo questo:
Foto Utenteadmin ha scritto:(che in fondo è una verifica essendo la corrente sul neutro il triplo della componente omopolare)


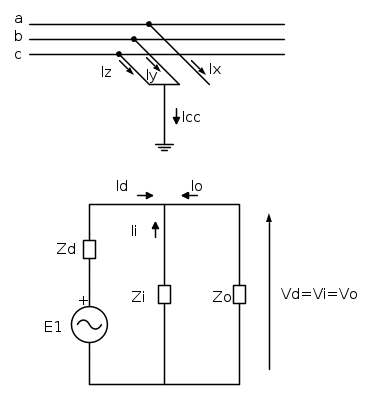
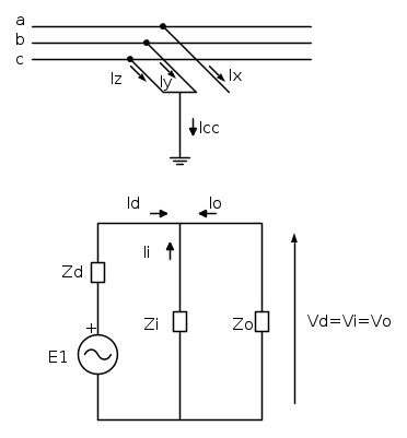
il primo è lo schema di guasto, il secondo la connessione delle reti alle sequenze imposta dal guasto.
riporto dal calcolo delle correnti alle sequenze:
tali correnti valgono:
I_d=\frac{E_1}{Z_d+\frac{Z_iZ_o}{Z_i+Z_o}}=\frac{E_1(Z_i+Z_o)}{Z_dZ_i+Z_dZ_o+Z_iZ_o}

I_i=-I_d\frac{Z_o}{Z_i+Z_o}=-\frac{E_1Z_o}{Z_dZ_i+Z_dZ_o+Z_iZ_o}

I_o=-I_d\frac{Z_i}{Z_i+Z_o}=-\frac{E_1Z_i}{Z_dZ_i+Z_dZ_o+Z_iZ_o}

la corrente di cortocircuito è la somma:

I_{cc}=I_y+I_z

ricavo I_y da:

I_y=I_o+\alpha ^2I_d+\alpha I_i=\frac{-E_1Z_i+\alpha ^2E_1(Z_i+Z_o)-\alpha E_1Z_o}{Z_dZ_i+Z_dZ_o+Z_iZ_o}

mentre I_z da:

I_z=I_o+\alpha I_d+\alpha ^2I_i=\frac{-E_1Z_i+\alpha E_1(Z_i+Z_o)-\alpha ^2E_1Z_o}{Z_dZ_i+Z_dZ_o+Z_iZ_o}

e infine la loro somma:

I_y+I_z=\frac{-E_1Z_i+\alpha ^2E_1(Z_i+Z_o)-\alpha E_1Z_o-E_1Z_i+\alpha E_1(Z_i+Z_o)-\alpha ^2E_1Z_o}{Z_dZ_i+Z_dZ_o+Z_iZ_o}

riscriviamo cercando di raggruppare a fattor comune:

I_y+I_z=E_1\frac{-2Z_i+\alpha ^2Z_i+\alpha Z_i}{Z_dZ_i+Z_dZ_o+Z_iZ_o}=E_1\frac{Z_i(\alpha ^2+\alpha -2)}{Z_dZ_i+Z_dZ_o+Z_iZ_o}

ma:

\alpha ^2+\alpha=-1

quindi la corrente di cortocircuito vale:

I_{cc}=I_y+I_z=\frac{-3E_1Z_i}{Z_dZ_i+Z_dZ_o+Z_iZ_o}
Avatar utente
Foto Utentelillo
20,5k 7 12 13
G.Master EY
G.Master EY
 
Messaggi: 4172
Iscritto il: 25 nov 2010, 11:30
Località: Nuovo Mondo

0
voti

[7] Re: corrente di cortocircuito franco bifase a terra

Messaggioda Foto UtenteLuca1607 » 7 mar 2021, 10:06

Buongiorno,
riprendo questo vecchissimo thread (ero indeciso se aprire uno nuovo) con i preziosissimi contributi di Foto Utentelillo e Foto Utenteadmin, per chiarirmi alcuni dubbi sull'argomento in oggetto.
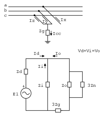
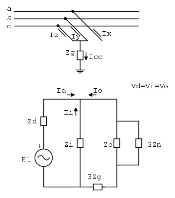
1) Se volessi considerare anche l'impedenza di guasto Zg e l'impedenza di neutro Zn (ovvero una rete con neutro compensato tramite bobina di Petersen), lo schema alle sequenze sarebbe questo?


2) Caso di Doppio guasto monofase a terra su 2 linee diverse di rete a NI, ad esempio: fase "2" a terra in una cabina secondaria seguito da un secondo guasto a terra sulla fase "3" di un'altra linea. Vorrei calcolarmi la massima corrente di guasto (Zg=0) che transita nell'impianto di terra di suddetta cabina secondaria. In tal caso è corretto usare sempre la formula di I2 ricavata da Admin e Lillo?

Grazie
Luca
Avatar utente
Foto UtenteLuca1607
155 1 1 6
New entry
New entry
 
Messaggi: 61
Iscritto il: 18 feb 2015, 20:37


Torna a Impianti, sicurezza e quadristica

Chi c’è in linea

Visitano il forum: Nessuno e 67 ospiti