Ciao a tutti,
una domanda per la maggior parte banale.. leggendo questo articolo ho trovato la seguente frase presente nell'immagine in allegato c'è scritto che la tensione verso terra delle fasi sane in presenza di guasto a terra di una fase con sistema con centro stella FRANCAMENTE A TERRA può arrivare al massimo alla tensione concatenata.
Io avrei detto che le tensione delle fasi sane rispetto a terra non subiscono variazioni.. diverranno al massimo la tensione concatenata se il sistema è esercito a neutro isolato.. sbaglio?
Grazie
Buona giornata
Tensione verso terra sistema con neutro francamente a terra
Moderatori:
sebago,
MASSIMO-G,
lillo,
Mike
34 messaggi
• Pagina 1 di 4 • 1, 2, 3, 4
0
voti
loganwolverine ha scritto:Io avrei detto che le tensione delle fasi sane rispetto a terra non subiscono variazioni.. diverranno al massimo la tensione concatenata se il sistema è esercito a neutro isolato.. sbaglio?
No
0
voti
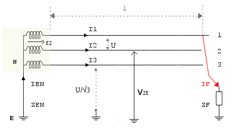
Non riesco a capire allora.. è corretto dire che il potenziale del centro stella essendo collegato francamente a terra è uguale a quello di terra (assumendo sia zero), il potenziale della fase guasta verso terra assumerà il valore della tensione di fase, le altre due fasi anche facendo Kirchhoff, per esempio, sulla fase due risulta:
E2 - V2E = 0 --> V2E= E2
dove sbaglio?
Grazie
E2 - V2E = 0 --> V2E= E2
dove sbaglio?
Grazie
- Allegati
-
- Immagine2.png (8.27 KiB) Osservato 5843 volte
-

loganwolverine
130 1 2 7 - Stabilizzato

- Messaggi: 328
- Iscritto il: 17 gen 2011, 12:14
0
voti
Non riesco a seguire... allora come può la tensione delle fasi sane rispetto a terra raggiungere al massimo la tensione concatenata?
-

loganwolverine
130 1 2 7 - Stabilizzato

- Messaggi: 328
- Iscritto il: 17 gen 2011, 12:14
0
voti
ma scusa... riprendo il mio messaggio iniziale:
Ciao a tutti,
una domanda per la maggior parte banale.. leggendo questo articolo ho trovato la seguente frase presente nell'immagine in allegato c'è scritto che la tensione verso terra delle fasi sane in presenza di guasto a terra di una fase con sistema con centro stella FRANCAMENTE A TERRA può arrivare al massimo alla tensione concatenata.
Io avrei detto che le tensione delle fasi sane rispetto a terra non subiscono variazioni.. diverranno al massimo la tensione concatenata se il sistema è esercito a neutro isolato.. sbaglio?
a questa affermazione hai risposto di no.
In pratica la frase che ho trovato riportata è sbagliata?
Ciao a tutti,
una domanda per la maggior parte banale.. leggendo questo articolo ho trovato la seguente frase presente nell'immagine in allegato c'è scritto che la tensione verso terra delle fasi sane in presenza di guasto a terra di una fase con sistema con centro stella FRANCAMENTE A TERRA può arrivare al massimo alla tensione concatenata.
Io avrei detto che le tensione delle fasi sane rispetto a terra non subiscono variazioni.. diverranno al massimo la tensione concatenata se il sistema è esercito a neutro isolato.. sbaglio?
a questa affermazione hai risposto di no.
In pratica la frase che ho trovato riportata è sbagliata?
-

loganwolverine
130 1 2 7 - Stabilizzato

- Messaggi: 328
- Iscritto il: 17 gen 2011, 12:14
2
voti
Beh, hai chiesto: "Sbaglio?"
La risposta che ho dato è "no" che significa "non sbagli".
Cosa avrei dovuto rispondere per dirti che non stavi sbagliando?
La risposta che ho dato è "no" che significa "non sbagli".
Cosa avrei dovuto rispondere per dirti che non stavi sbagliando?
0
voti
Bo mi arrendo.. conclusione non ho capito come mai nell'articolo c'è scritto che la tensione verso terra delle fasi sane può assumere la tensione concatenata.
-

loganwolverine
130 1 2 7 - Stabilizzato

- Messaggi: 328
- Iscritto il: 17 gen 2011, 12:14
3
voti
Perché quell'articolo ha scritto una cosa sbagliata: se il guasto è franco, il centro stella è vincolato al potenziale di terra qualunque sia la corrente di guasto, e le altre fasi, rispetto al centro stella, quindi rispetto a terra, hanno sempre la tensione imposta dal singolo generatore, che è la stellata rispetto al centro stella, non la concatenata.
34 messaggi
• Pagina 1 di 4 • 1, 2, 3, 4
Torna a Impianti, sicurezza e quadristica
Chi c’è in linea
Visitano il forum: Nessuno e 38 ospiti

Elettrotecnica e non solo (admin)
Un gatto tra gli elettroni (IsidoroKZ)
Esperienza e simulazioni (g.schgor)
Moleskine di un idraulico (RenzoDF)
Il Blog di ElectroYou (webmaster)
Idee microcontrollate (TardoFreak)
PICcoli grandi PICMicro (Paolino)
Il blog elettrico di carloc (carloc)
DirtEYblooog (dirtydeeds)
Di tutto... un po' (jordan20)
AK47 (lillo)
Esperienze elettroniche (marco438)
Telecomunicazioni musicali (clavicordo)
Automazione ed Elettronica (gustavo)
Direttive per la sicurezza (ErnestoCappelletti)
EYnfo dall'Alaska (mir)
Apriamo il quadro! (attilio)
H7-25 (asdf)
Passione Elettrica (massimob)
Elettroni a spasso (guidob)
Bloguerra (guerra)
