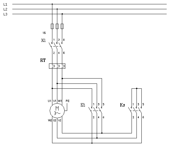
dei due schemi stella triangolo allegati quale risulta quello corretto ?
in uno la protezione termica viene messa a monte di tutto il sistema e quindi viene regolata in base alla sommatoria delle correnti dei due rami, nell'altro la termica viene messa su un solo ramo e viene tarata solo sulla corrente del ramo di linea.
stò avendo dei problemi con dei motori che hanno potenziato e che si stanno bruciando uno dopo l'altro collegati con la termica solo su un ramo
avviamento stella triangolo schema corretto
Moderatori:
sebago,
MASSIMO-G,
lillo,
Mike
22 messaggi
• Pagina 1 di 3 • 1, 2, 3
2
voti
secondo me sono validi entrambi, nel primo bisogna tarare corrente 1,73 inferiore. L'unica differenza e che i motori nei due schemi vanno collegati diversamente ovvero nel primo i fili in morsettiera sono scalati da schema, nel secondo quando si collega in morsettiera vanno scalati quelli del motore.
-

mistervolt
252 1 4 6 - Frequentatore

- Messaggi: 279
- Iscritto il: 11 feb 2013, 11:24
- Località: Roma
0
voti
nel mio caso lo schema utilizzato è il primo su sfondo verde, la termica è stata installata solo sul ramo di linea.
ho schematizzato il tutto nello schema sotto, ho fatto delle rilevazioni con pinza amperometrica a funzionamento ordinario con collegamento a triangolo e quindi con i due contattori KL e kA chiusi.
SUL RAMO DI LINEA (SOTTO IL CONTATTORE KL) A VALLE DELLA TERMICA MISURO 34A (TERMICA REGOLATA A 35A)
SUL RAMO USCITA MOTORE (RAMO A VALLE DEL CONTATTORE kA) MISURO 16A
SOTTO L'INTERRUTTORE MAGNETOTERMICO GENERALE MISURA LA SOMMATORIA DEI DUE RAMI 34+16 = 50A
SULLA TARGA DEL MOTORE DA 22KW. 400V, COSFI 0,85 LA MASSIMA CORRENTE AMMISSIBILE A TRIANGOLO E' 40A DOPO DI CHE IL MOTORE TENDE A DANNEGGIARSI.
ALLO STATO ATTUALE CON LE CONDIZIONI DI CUI SOPRA I MOTORI SI STANNO BRUCIANDO UNO AD UNO E LA TERMICA INSTALLATA NON SALVA UN BEL NIENTE.....
DA QUI IL DUBBIO SE LO SCHEMA IDONEO SIA IL SECONDO
ho schematizzato il tutto nello schema sotto, ho fatto delle rilevazioni con pinza amperometrica a funzionamento ordinario con collegamento a triangolo e quindi con i due contattori KL e kA chiusi.
SUL RAMO DI LINEA (SOTTO IL CONTATTORE KL) A VALLE DELLA TERMICA MISURO 34A (TERMICA REGOLATA A 35A)
SUL RAMO USCITA MOTORE (RAMO A VALLE DEL CONTATTORE kA) MISURO 16A
SOTTO L'INTERRUTTORE MAGNETOTERMICO GENERALE MISURA LA SOMMATORIA DEI DUE RAMI 34+16 = 50A
SULLA TARGA DEL MOTORE DA 22KW. 400V, COSFI 0,85 LA MASSIMA CORRENTE AMMISSIBILE A TRIANGOLO E' 40A DOPO DI CHE IL MOTORE TENDE A DANNEGGIARSI.
ALLO STATO ATTUALE CON LE CONDIZIONI DI CUI SOPRA I MOTORI SI STANNO BRUCIANDO UNO AD UNO E LA TERMICA INSTALLATA NON SALVA UN BEL NIENTE.....
DA QUI IL DUBBIO SE LO SCHEMA IDONEO SIA IL SECONDO
0
voti
c'è qualcosa che non va: a triangolo, l'assorbimento sui rami deve essere uguale. Controlla bene i collegamenti del motore. La termica, sempre secondo me, non salva niente perché tarata male. Domanda: il motore gira bene, ai giri effettivi?
-

mistervolt
252 1 4 6 - Frequentatore

- Messaggi: 279
- Iscritto il: 11 feb 2013, 11:24
- Località: Roma
0
voti
l'assorbimento che ho indicato deriva da un cambio di puleggia sul motore che è stato fatt per potenziare la macchina su cu è montato,
un'altra macchina non mododfcata e con lo stesso motore presenta i seguenti valri di corrente (misurati con pinza)
primo ramo 25A contro 34A
secondo ramo 6A contro 16A
totale corrente a monte 31A contro 50A
la termica in questa modalitàè regolata a 28A
il motore non modificato gira bene e i collegamenti sono corretti
il motore con puleggia modificata hai i collegamenti a posto, ma non sembra per niente girare bene
un'altra macchina non mododfcata e con lo stesso motore presenta i seguenti valri di corrente (misurati con pinza)
primo ramo 25A contro 34A
secondo ramo 6A contro 16A
totale corrente a monte 31A contro 50A
la termica in questa modalitàè regolata a 28A
il motore non modificato gira bene e i collegamenti sono corretti
il motore con puleggia modificata hai i collegamenti a posto, ma non sembra per niente girare bene
1
voti
Ancora peggio del primo, mi pare strano. Aspettiamo pareri più autorevoli. Domande banali: hai controllato che il motore sia avvolto a 400 - 690? Sei sicuro che lo schema in campo risponda al 100%? A valle dei contattori KL e kA fa capo lo stesso avvolgimento, come fa ad assorbire cosi... Trattasi di un motore trifase a singola velocità?
-

mistervolt
252 1 4 6 - Frequentatore

- Messaggi: 279
- Iscritto il: 11 feb 2013, 11:24
- Località: Roma
0
voti
Motore Ok, hai controllato il cablaggio dello schema e i collegamenti al motore?
-

mistervolt
252 1 4 6 - Frequentatore

- Messaggi: 279
- Iscritto il: 11 feb 2013, 11:24
- Località: Roma
0
voti
calmo,
sono motori che azionano dei ventilatori? Ogni quanto tempo vengono avviati? qual è il tempo minimo tra un avviamento e l'altro?
Avete capito se i motori si guastano durante la fase di avviamento o quando sono a regime?
Quale tipo di guasto avete rilevato sui motori guasti?
Ciao
Mario
sono motori che azionano dei ventilatori? Ogni quanto tempo vengono avviati? qual è il tempo minimo tra un avviamento e l'altro?
Avete capito se i motori si guastano durante la fase di avviamento o quando sono a regime?
Quale tipo di guasto avete rilevato sui motori guasti?
Ciao
Mario
Mario Maggi
https://www.evlist.it per la mobilità elettrica e filiera relativa
https://www.axu.it , inverter speciali, convertitori DC/DC, soluzioni originali per la qualità dell'energia
Innovazioni: https://www.axu.it/mm4
https://www.evlist.it per la mobilità elettrica e filiera relativa
https://www.axu.it , inverter speciali, convertitori DC/DC, soluzioni originali per la qualità dell'energia
Innovazioni: https://www.axu.it/mm4
-

mario_maggi
20,0k 3 11 12 - G.Master EY

- Messaggi: 4177
- Iscritto il: 21 dic 2006, 9:59
- Località: Milano
22 messaggi
• Pagina 1 di 3 • 1, 2, 3
Torna a Impianti, sicurezza e quadristica
Chi c’è in linea
Visitano il forum: Nessuno e 73 ospiti

Elettrotecnica e non solo (admin)
Un gatto tra gli elettroni (IsidoroKZ)
Esperienza e simulazioni (g.schgor)
Moleskine di un idraulico (RenzoDF)
Il Blog di ElectroYou (webmaster)
Idee microcontrollate (TardoFreak)
PICcoli grandi PICMicro (Paolino)
Il blog elettrico di carloc (carloc)
DirtEYblooog (dirtydeeds)
Di tutto... un po' (jordan20)
AK47 (lillo)
Esperienze elettroniche (marco438)
Telecomunicazioni musicali (clavicordo)
Automazione ed Elettronica (gustavo)
Direttive per la sicurezza (ErnestoCappelletti)
EYnfo dall'Alaska (mir)
Apriamo il quadro! (attilio)
H7-25 (asdf)
Passione Elettrica (massimob)
Elettroni a spasso (guidob)
Bloguerra (guerra)
