Buongiorno,
devo installare tre lampade luminoso 230V intermittenza per 15-30 secondi/1 minuto, ma non so come collegare il temporizzatore (vedi allegato)
E' possibile?
Un grazie a tutti per l'aiuto
Videocitofono con 3 luci intermittenza (230 Vca)
Moderatori:
sebago,
MASSIMO-G,
lillo,
Mike
4 messaggi
• Pagina 1 di 1
0
voti
Ultima modifica di
WALTERmwp il 21 set 2020, 21:31, modificato 1 volta in totale.
Motivazione: Titolo riportato in minuscolo e rettificato
Motivazione: Titolo riportato in minuscolo e rettificato
-

dorzifufyo
0 2 - Messaggi: 5
- Iscritto il: 16 set 2020, 8:50
0
voti
Prima di tutto, non aprire nuovi argometi per niente, continua con il primo che hai aperto.
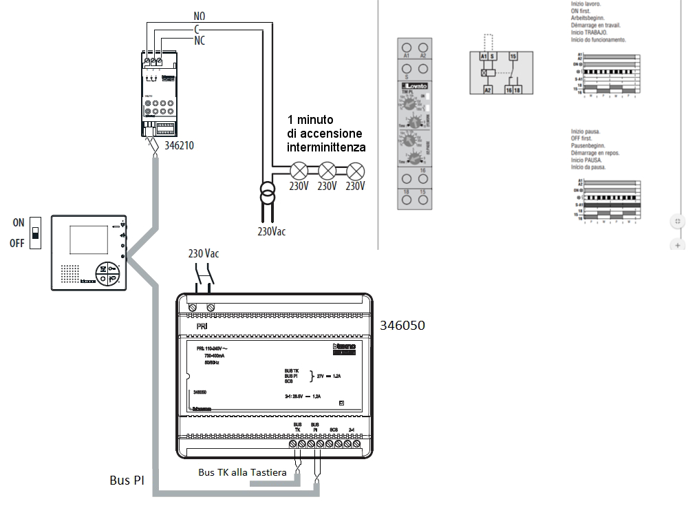
per quanto riguarda i collegamenti prima bisogna configurare l'attuatore 346210, per farlo hai bisogno dei configuratori numerici.
- Ripetizione di chiamata
MOD = inserire il confuguratore SLA
N/P = inserire il configuratore con il numero uguale a quello che trovi sul citofono
T = inserire il 5 che corrisponde ad un tempo di 1 minuto
https://catalogo.bticino.it/app/webroot/low_res/487900_489888_ST_00000444_IT.pdf
Per il temporizzatore è da capire se ha bisogno del comando START o se basta alimentarlo direttamente, al massimo posta le istruzioni o il modello per vedere come fare
per quanto riguarda i collegamenti prima bisogna configurare l'attuatore 346210, per farlo hai bisogno dei configuratori numerici.
- Ripetizione di chiamata
MOD = inserire il confuguratore SLA
N/P = inserire il configuratore con il numero uguale a quello che trovi sul citofono
T = inserire il 5 che corrisponde ad un tempo di 1 minuto
https://catalogo.bticino.it/app/webroot/low_res/487900_489888_ST_00000444_IT.pdf
Per il temporizzatore è da capire se ha bisogno del comando START o se basta alimentarlo direttamente, al massimo posta le istruzioni o il modello per vedere come fare
-

gabrisav
1.852 2 4 7 - Expert EY

- Messaggi: 1711
- Iscritto il: 13 set 2015, 18:26
- Località: Borgosatollo (Bs)
0
voti
Buongiorno a tutti e buon inizio settimana,
l'allegato TM-PL temporizzatore.
Grazie e attendo aggiornamenti
l'allegato TM-PL temporizzatore.
Grazie e attendo aggiornamenti
- Allegati
-
Lovato TM-PL.pdf- (150.92 KiB) Scaricato 88 volte
-

dorzifufyo
0 2 - Messaggi: 5
- Iscritto il: 16 set 2020, 8:50
0
voti
Dallo schema basta dagli l'alimentazione ai morsetti A1-A2 per far partire il l'intermittenza, togliendo alimentazione si spegne il tutto, il collegamento da fare con l'attuatore citofonico è come quello postato in [1].
I morsetti 15-18 li usi per chiudere il ciruito che fa accendere le lampadine.
Ora, se non sai o capito come fare i collegamenti chiama un elettricista che ti faccia l'impianto

I morsetti 15-18 li usi per chiudere il ciruito che fa accendere le lampadine.
Ora, se non sai o capito come fare i collegamenti chiama un elettricista che ti faccia l'impianto

-

gabrisav
1.852 2 4 7 - Expert EY

- Messaggi: 1711
- Iscritto il: 13 set 2015, 18:26
- Località: Borgosatollo (Bs)
4 messaggi
• Pagina 1 di 1
Torna a Impianti, sicurezza e quadristica
Chi c’è in linea
Visitano il forum: Nessuno e 102 ospiti

Elettrotecnica e non solo (admin)
Un gatto tra gli elettroni (IsidoroKZ)
Esperienza e simulazioni (g.schgor)
Moleskine di un idraulico (RenzoDF)
Il Blog di ElectroYou (webmaster)
Idee microcontrollate (TardoFreak)
PICcoli grandi PICMicro (Paolino)
Il blog elettrico di carloc (carloc)
DirtEYblooog (dirtydeeds)
Di tutto... un po' (jordan20)
AK47 (lillo)
Esperienze elettroniche (marco438)
Telecomunicazioni musicali (clavicordo)
Automazione ed Elettronica (gustavo)
Direttive per la sicurezza (ErnestoCappelletti)
EYnfo dall'Alaska (mir)
Apriamo il quadro! (attilio)
H7-25 (asdf)
Passione Elettrica (massimob)
Elettroni a spasso (guidob)
Bloguerra (guerra)