Per un prossimo articolo riguardo ad un circuito realizzato che però vorrei rendere un po' più realistico, avrei bisogno di un aiuto per la selezione di un trasduttore di pressione, ma visto che putroppo non sono un esperto a riguardo pongo qui il mio quesito :)
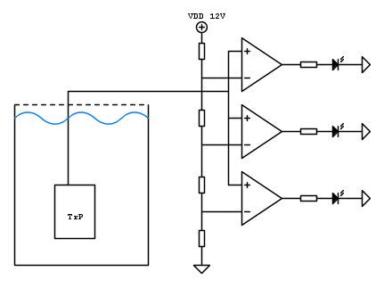
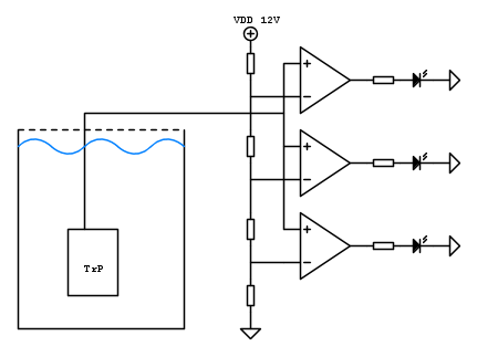
Disponendo di un deposito pieno d'acqua vorrei conoscerne il livello basandomi su un certo valore di tensione restituito da un trasduttore di pressione, facendo anche uso di un circuito comparatore alimentato a 12V.
In funzione del valore di tensione restituito, e grazie alla tensione di riferimento dei comparatori, dovrei essere in grado di determinare una percentuale relativa alla quantità d'acqua presente nel deposito.
Questa è una rappresentazione di collegamento tra il trasduttore ed il comparatore di livello.
Immagino che il rango di pressione del trasduttore dipenda anche dalla capienza del deposito, quindi penso sia bene che cominci a studiarmi un po' questo link, dico bene?
Oltre alla tensione di alimentazione (12V) ed alla pressione che immagino sia il dato più importante, per caso mi sto dimenticando qualcosa?
Spero di non aver detto qualche boiata.
Grazie mille per il vostro aiuto ed interesse.


Elettrotecnica e non solo (admin)
Un gatto tra gli elettroni (IsidoroKZ)
Esperienza e simulazioni (g.schgor)
Moleskine di un idraulico (RenzoDF)
Il Blog di ElectroYou (webmaster)
Idee microcontrollate (TardoFreak)
PICcoli grandi PICMicro (Paolino)
Il blog elettrico di carloc (carloc)
DirtEYblooog (dirtydeeds)
Di tutto... un po' (jordan20)
AK47 (lillo)
Esperienze elettroniche (marco438)
Telecomunicazioni musicali (clavicordo)
Automazione ed Elettronica (gustavo)
Direttive per la sicurezza (ErnestoCappelletti)
EYnfo dall'Alaska (mir)
Apriamo il quadro! (attilio)
H7-25 (asdf)
Passione Elettrica (massimob)
Elettroni a spasso (guidob)
Bloguerra (guerra)



instead of
(Anonimo).
ain't
, right?
in lieu of
.
for
arithm.


ed usando il valore standard