Cos'è ElectroYou | Login Iscriviti

ElectroYou - la comunità dei professionisti del mondo elettrico

sensore capace di riconoscere il suo gemello

Sensori, trasduttori, regolatori...
0
voti

[11] Re: sensore capace di riconoscere il suo gemello

Messaggioda Foto Utentelelerelele » 24 mar 2015, 18:06

liuc1962 ha scritto:ho sentito anche un amico che si occupa di sistemi radio e anche secondo lui la cosa è complicata

infatti stavo proprio pensando a trasmissione radio, sto usando appunto questi http://www.ebay.it/itm/433Mhz-Wireless-RF-Transmitter-Receiver-Modul-Alarm-Super-Regeneration-Arduino-/111536127776?pt=LH_DefaultDomain_77&hash=item19f8123f20 ed è una pacchia, unico problema che si leggono gia a parecchi metri di distanza.

oppure pensavo a http://www.ebay.it/itm/Mini-Modulo-PIR-Rilevatore-Di-Movimento-Sensore-Infrarossi-Regolabile-Sicurezza-/301460797194?pt=Componenti_per_antifurti&hash=item463076b70a che è gia pronto all'uso, tarabile, ovvio che però deve essere a vista, se girato all'indietro non va.

facci un pensierino, forse questa seconda soluzione a senori PIR potrebbe essere semplice e fattibile.

saluti.
Avatar utente
Foto Utentelelerelele
4.899 3 7 9
Master
Master
 
Messaggi: 5505
Iscritto il: 8 giu 2011, 8:57
Località: Reggio Emilia

0
voti

[12] Re: sensore capace di riconoscere il suo gemello

Messaggioda Foto Utenteliuc1962 » 24 mar 2015, 18:27

Grazie,ci darò proprio un'occhiata.
Saluti
Avatar utente
Foto Utenteliuc1962
0 2
 
Messaggi: 7
Iscritto il: 20 mar 2015, 14:27
Località: ancona

0
voti

[13] Re: sensore capace di riconoscere il suo gemello

Messaggioda Foto UtenteRussell » 24 mar 2015, 18:32

le schede del primo link sono esattamente quelle di cui parlavo in un precedente intervento
è previsto mettere una piccola antenna in uno dei fori della scheda dell'apparato ricevente
basta metterla piu' corta di quella prestabilita (15cm) per avere una copertura inferiore.
ma è da provare...


Il PIR invece non credo possa funzionare, in pratica il gatto sarebbe sottoposto a trattamento acustico anche se se avvicina ad un muro piuttosto che all'altro gatto.
Avatar utente
Foto UtenteRussell
3.373 3 5 9
Master
Master
 
Messaggi: 2193
Iscritto il: 4 ott 2009, 10:25

0
voti

[14] Re: sensore capace di riconoscere il suo gemello

Messaggioda Foto Utentelelerelele » 25 mar 2015, 10:36

Russell ha scritto:basta metterla piu' corta di quella prestabilita (15cm) per avere una copertura inferiore.
ma è da provare...

li ho provati appunto qualche settimana fa, ricevono un segnale ottimo anche senza antenna fino a parecchi metri di distanza, mettendo il filo di antenna su entrambi raggiungo la distanza in casa su 3 piani, in diagonale, con segnale ancora buono.

saluti.
Avatar utente
Foto Utentelelerelele
4.899 3 7 9
Master
Master
 
Messaggi: 5505
Iscritto il: 8 giu 2011, 8:57
Località: Reggio Emilia

0
voti

[15] Re: sensore capace di riconoscere il suo gemello

Messaggioda Foto UtenteEcoTan » 25 mar 2015, 16:05

Usando frequenze radio di svariati MegaHertz, la distanza a cui può arrivare il segnale è molto caotica e dipende da varie riflessioni ambientali, invece a frequenze sul centinaio di kHz la situazione è molto più regolare.
Avatar utente
Foto UtenteEcoTan
7.720 4 12 13
Expert EY
Expert EY
 
Messaggi: 5426
Iscritto il: 29 gen 2014, 8:54

0
voti

[16] Re: sensore capace di riconoscere il suo gemello

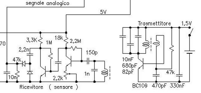
Messaggioda Foto UtenteEcoTan » 6 mag 2015, 14:30

EcoTan ha scritto:neanche le multinazionali dell'elettronica si azzardano a mettere in produzione qualcosa senza prima sperimentarla in laboratorio..

Beh, dopo tutto una foto del trasmettitore e uno stralcio di uno schemino che male possono fare..
L'antenna trasmittente in ferrite ha 24:2 spire, quella ricevente un centinaio.
La frequenza è 340 kHz, il difficile è accordare i due sulla stessa frequenza.
Allegati
Immag0598.jpg
prova.JPG
Avatar utente
Foto UtenteEcoTan
7.720 4 12 13
Expert EY
Expert EY
 
Messaggi: 5426
Iscritto il: 29 gen 2014, 8:54

0
voti

[17] Re: sensore capace di riconoscere il suo gemello

Messaggioda Foto Utentegill90 » 7 mag 2015, 23:57

Però l'idea del PIR non mi pare proprio balzana: sarebbe sicuramente più semplice di un sistema a radiofrequenza e sufficientemente efficace. Un soggetto sarà dotato di solo trasmettitore, mentre un altro di semplice ricevitore + eventuale buzzer/circuito per il suono. Il trasmettitore se ne frega di dove o come sono diretti i segnali propagati, mentre il ricevitore dovrebbe poter riconoscere se il trasmettitore ad esso accoppiato si trova nelle vicinanze oppure no.
Ci sarebbe anche l'alternativa ultrasuoni, ma trattandosi di animali la escluderei perché potrebbe dargli fastidio.
Avatar utente
Foto Utentegill90
4.146 3 7 12
G.Master EY
G.Master EY
 
Messaggi: 1134
Iscritto il: 1 set 2011, 16:18

Precedente

Torna a Sensoristica

Chi c’è in linea

Visitano il forum: Nessuno e 9 ospiti