Salve, l'altro giorno mi hanno accennato ad un metodo della compensazione...Si utilizzavano tre fili e due ingressi analogici...Non hanno detto altro...Ho solo capito che serve per quantificare la caduta di tensione sul cavo se il sensore e l'ingresso analogico stanno molto distanti fra loro...
Qualcuno può spiegarmelo più a fondo? Grazie!
Collegamento trasduttori
14 messaggi
• Pagina 1 di 2 • 1, 2
0
voti
Visto che abbiamo il neonato forum di sensoristica ho spostato la tua domanda qui.
Di che trasduttori parlavate? Resistivi?
A quale metodo di misura stavate facendo riferimento? Il ponte di Wheatstone?
Di che trasduttori parlavate? Resistivi?
A quale metodo di misura stavate facendo riferimento? Il ponte di Wheatstone?
It's a sin to write
instead of
(Anonimo).
...'cos you know that
ain't
, right?
You won't get a sexy tan if you write
in lieu of
.
Take a log for a fireplace, but don't take
for
arithm.
instead of
(Anonimo)....'cos you know that
ain't
, right?You won't get a sexy tan if you write
in lieu of
.Take a log for a fireplace, but don't take
for
arithm.-

DirtyDeeds
55,9k 7 11 13 - G.Master EY

- Messaggi: 7012
- Iscritto il: 13 apr 2010, 16:13
- Località: Somewhere in nowhere
3
voti
Nel caso parlassero proprio di trasduttori resistivi e ponte di Wheatstone...
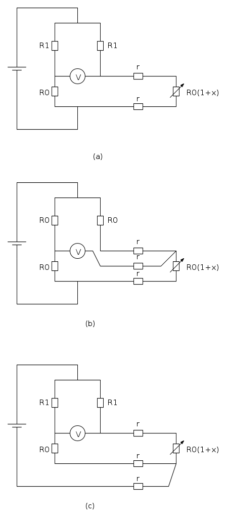
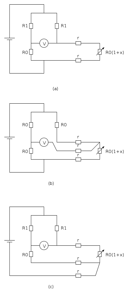
In (a) il trasduttore è collegato con due fili di resistenza
a un ponte lontano. Nascono due errori: un errore di zero e un errore di sensibilità.
In (b) c'è un primo ponte a 3 fili, valido quando tutte le resistenze del ponte sono uguali. Viene cancellato l'errore di zero e rimane solo un errore di sensibilità.
In (c) c'è un secondo ponte a 3 fili, valido anche quanto non tutte le resistenze del ponte sono uguali. Anche qui, viene cancellato l'errore di zero e rimane solo un errore di sensibilità.
Il voltmetro rappresenta un qualunque dispositivo di misura con ingresso differenziale.
In (a) il trasduttore è collegato con due fili di resistenza
a un ponte lontano. Nascono due errori: un errore di zero e un errore di sensibilità.In (b) c'è un primo ponte a 3 fili, valido quando tutte le resistenze del ponte sono uguali. Viene cancellato l'errore di zero e rimane solo un errore di sensibilità.
In (c) c'è un secondo ponte a 3 fili, valido anche quanto non tutte le resistenze del ponte sono uguali. Anche qui, viene cancellato l'errore di zero e rimane solo un errore di sensibilità.
Il voltmetro rappresenta un qualunque dispositivo di misura con ingresso differenziale.
It's a sin to write
instead of
(Anonimo).
...'cos you know that
ain't
, right?
You won't get a sexy tan if you write
in lieu of
.
Take a log for a fireplace, but don't take
for
arithm.
instead of
(Anonimo)....'cos you know that
ain't
, right?You won't get a sexy tan if you write
in lieu of
.Take a log for a fireplace, but don't take
for
arithm.-

DirtyDeeds
55,9k 7 11 13 - G.Master EY

- Messaggi: 7012
- Iscritto il: 13 apr 2010, 16:13
- Località: Somewhere in nowhere
0
voti
Può essere che sia una cosa del genere?
(Purtroppo è tutto quello che è stato detto, non riesco ad essere più preciso)
E via software andrò a sottrarre due volte la tensione letta sull'Analogic Input 2...Può essere una soluzione?
(Purtroppo è tutto quello che è stato detto, non riesco ad essere più preciso)
E via software andrò a sottrarre due volte la tensione letta sull'Analogic Input 2...Può essere una soluzione?
0
voti
Io lo vedo due problemi: uno spreco di risorse e l'ntroduzione di errori dalla doppia conversione A/D. Francamente, se non esistono ragioni particolari, mi sembra poco ortodosso.
In generale, ci si inventa come riuscire ad usare un unico convertitore per due trasduttori, non viceversa.
In generale, ci si inventa come riuscire ad usare un unico convertitore per due trasduttori, non viceversa.
-

Candy
32,5k 7 10 13 - CRU - Account cancellato su Richiesta utente
- Messaggi: 10123
- Iscritto il: 14 giu 2010, 22:54
3
voti
VRI ha scritto:Può essere che sia una cosa del genere?
No, così proprio no. In una misura con mezzo ponte si può fare una misura a 4 fili con il circuito che ti riporto sotto:
Ogni
rappresenta un filo.Il voltmetro rappresenta un qualunque convertitore analogico-digitale con ingresso differenziale. I tuoi due "ingressi analogici" possono semplicemente riferirsi ai due ingressi di un ADC differenziale. Alcuni ADC non sono però veramente differenziali ma pseudo-differenziali, perché la misura è ottenuta per differenza di due conversioni successive. Magari questo risponde anche ai dubbi di It's a sin to write
instead of
(Anonimo).
...'cos you know that
ain't
, right?
You won't get a sexy tan if you write
in lieu of
.
Take a log for a fireplace, but don't take
for
arithm.
instead of
(Anonimo)....'cos you know that
ain't
, right?You won't get a sexy tan if you write
in lieu of
.Take a log for a fireplace, but don't take
for
arithm.-

DirtyDeeds
55,9k 7 11 13 - G.Master EY

- Messaggi: 7012
- Iscritto il: 13 apr 2010, 16:13
- Località: Somewhere in nowhere
0
voti
At Dirty:
In quel modo il nostro ingresso(voltmetro) misura la tensione sul trasduttore diminuita di quelle delle due cadute di tensione sulle resistenze dei cavi...Giusto?
Non siamo di nuovo al punto di partenza?
Per curiosità...Potrebbe funzionare?
In quel modo il nostro ingresso(voltmetro) misura la tensione sul trasduttore diminuita di quelle delle due cadute di tensione sulle resistenze dei cavi...Giusto?
Non siamo di nuovo al punto di partenza?
candy ha scritto: mi sembra poco ortodosso.
Per curiosità...Potrebbe funzionare?
1
voti
VRI ha scritto:Non siamo di nuovo al punto di partenza?
No
VRI ha scritto:Per curiosità...Potrebbe funzionare?
Come l'hai disegnato tu sembra ci sia un solo filo: se lo disegni con il numero di fili corretto ottieni quello che ti ho disegnato in [7]...
It's a sin to write
instead of
(Anonimo).
...'cos you know that
ain't
, right?
You won't get a sexy tan if you write
in lieu of
.
Take a log for a fireplace, but don't take
for
arithm.
instead of
(Anonimo)....'cos you know that
ain't
, right?You won't get a sexy tan if you write
in lieu of
.Take a log for a fireplace, but don't take
for
arithm.-

DirtyDeeds
55,9k 7 11 13 - G.Master EY

- Messaggi: 7012
- Iscritto il: 13 apr 2010, 16:13
- Località: Somewhere in nowhere
0
voti
Giusto...
Io non avevo disegnato la batteria/alimentatore/ecc. che alimenta il circuito del trasduttore...E una resistenza del cavo...
Un'altra cosa...Quando si è posto il problema della distanza tra trasduttore e ingresso analogico io ho proposto l'utilizzo di un cavo più grosso dove per più grosso si intendeva l'utilizzo di un 1,5mm e mi è stato detto che scorreva poca corrente e quindi non andava bene...
Sono rimasto un po' perplesso
Io non avevo disegnato la batteria/alimentatore/ecc. che alimenta il circuito del trasduttore...E una resistenza del cavo...
Un'altra cosa...Quando si è posto il problema della distanza tra trasduttore e ingresso analogico io ho proposto l'utilizzo di un cavo più grosso dove per più grosso si intendeva l'utilizzo di un 1,5mm e mi è stato detto che scorreva poca corrente e quindi non andava bene...
Sono rimasto un po' perplesso
14 messaggi
• Pagina 1 di 2 • 1, 2
Chi c’è in linea
Visitano il forum: Nessuno e 2 ospiti

Elettrotecnica e non solo (admin)
Un gatto tra gli elettroni (IsidoroKZ)
Esperienza e simulazioni (g.schgor)
Moleskine di un idraulico (RenzoDF)
Il Blog di ElectroYou (webmaster)
Idee microcontrollate (TardoFreak)
PICcoli grandi PICMicro (Paolino)
Il blog elettrico di carloc (carloc)
DirtEYblooog (dirtydeeds)
Di tutto... un po' (jordan20)
AK47 (lillo)
Esperienze elettroniche (marco438)
Telecomunicazioni musicali (clavicordo)
Automazione ed Elettronica (gustavo)
Direttive per la sicurezza (ErnestoCappelletti)
EYnfo dall'Alaska (mir)
Apriamo il quadro! (attilio)
H7-25 (asdf)
Passione Elettrica (massimob)
Elettroni a spasso (guidob)
Bloguerra (guerra)



