Se poi hai qualcosa da farci vedere (schemi, codice) non esitare a pubblicarlo. Lo leggo volentieri nel tempo libero e posso darti consigli per quanto sia in grado.
Se però non sei disposto a pubblicarlo (perché magari temi che essendo online ti si accusi di aver copiato) di più non possiamo fare perché rientrerebbe nella consulenza privata.
Diciamo che rispondendo su un forum si ha l'illusione che si aiuti più di una persona (visto che poi cercando su google si trovano risposte).
Apertura automatica saracinesca con PIR
46 messaggi
• Pagina 3 di 5 • 1, 2, 3, 4, 5
0
voti
MarcoD ha scritto:Ho trovato due errori Nello schema del post 16:
Sostituire la scritta RL1 in basso con RL2
Il simbolo del motore è M3, dovrebbe essere M DC
Mi ero accorto dell' RL1 e lo avevo corretto ma riguardo la modifica del motore l'ho nominato così visto che mi è stato richiesto di usare un motore asincrono trifase (in corrente alternata) o dei motoriduttori.
Mi chiedevo se lo potessi sostituire al posto di quello in corrente continua senza ulteriori modifiche negli schemi...
-

gabriele86
20 3 - Messaggi: 20
- Iscritto il: 18 mag 2021, 11:32
0
voti
ma riguardo la modifica del motore l'ho nominato così visto che mi è stato richiesto di usare un motore asincrono trifase (in corrente alternata) o dei motoriduttori.
Percepisco qualche sgradevole stonatura
non è che alimentando in continua un motore asincrono, funzioni!
Al post 17 nicsergio ti ha indicato uno schema di collegamento per motore asincrono, riesci a integrarlo modificando il tuo schema ? Posso aiutarti, ma solo dopo un tuo tentativo.
L'uso dei motoriduttori si applica sia ai motori in continua sia a quelli in alternata.

p.as.: se non hai mai visto un motore, guarda qui:
http://www.acm.it/wp/prodotti/serie-titan/
http://www.acm.it/old/ls1251.html un esempio di centralina
Dal punto di vista didattico ed elettrico, i documenti non sono granchè, ma questo fornisce il Mercato.
Non è mia intenzione fare pubblicità
0
voti
MarcoD ha scritto:ma riguardo la modifica del motore l'ho nominato così visto che mi è stato richiesto di usare un motore asincrono trifase (in corrente alternata) o dei motoriduttori.
Percepisco qualche sgradevole stonatura:
non è che alimentando in continua un motore asincrono, funzioni!
Al post 17 nicsergio ti ha indicato uno schema di collegamento per motore asincrono, riesci a integrarlo modificando il tuo schema ? Posso aiutarti, ma solo dopo un tuo tentativo.
L'uso dei motoriduttori si applica sia ai motori in continua sia a quelli in alternata.
Ok, ricevuto. Perdonatemi se vi faccio sanguinare gli occhi con alcune delle mie affermazioni ma come vi ho detto ho delle lacune abbastanza discutibili nella materia, cercherò lo stesso di darmi da fare.
Grazie ancora per il vostro aiuto.
-

gabriele86
20 3 - Messaggi: 20
- Iscritto il: 18 mag 2021, 11:32
1
voti
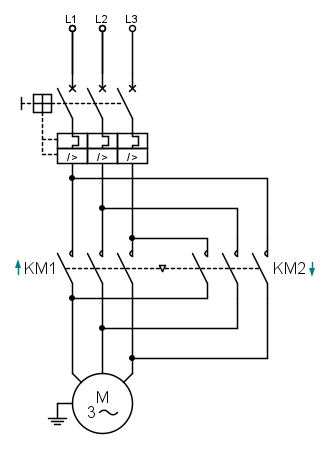
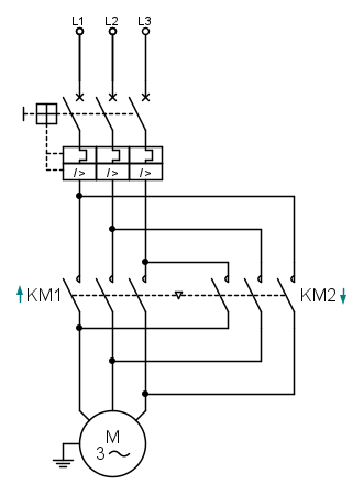
Se si utilizza un motore asincrono trifase, il circuito di potenza potrebbe essere del tipo:
dove i due relè sono dei teleruttori che vanno interbloccati (o un teleinvertitore).
Concordo con
MarcoD che se va bene un qualunque motoriduttore, allora potresti usare anche il motore DC del primo schema.
dove i due relè sono dei teleruttori che vanno interbloccati (o un teleinvertitore).
Concordo con
1
voti
D'accordo, stavo adottando le modifiche su autocad ma vedendo che richiede più lavoro stavo provando CadeSimu, che ci ha consigliato il nostro prof, ma non sto trovando tutti i componenti. Ora provo a scaricare FidoCadJ così rimaniamo in sintonia sulla stessa linea degli editor.
-

gabriele86
20 3 - Messaggi: 20
- Iscritto il: 18 mag 2021, 11:32
0
voti
gabriele86 ha scritto:provo a scaricare FidoCadJ così rimaniamo in sintonia sulla stessa linea degli editor
io utilizzo una mia libreria, ma non essendo standard devo poi separare le macro in primitive prima di postare gli schemi altrimenti i simboli vengono omessi
0
voti
nicsergio ha scritto:gabriele86 ha scritto:provo a scaricare FidoCadJ così rimaniamo in sintonia sulla stessa linea degli editor
io utilizzo una mia libreria, ma non essendo standard devo poi separare le macro in primitive prima di postare gli schemi altrimenti i simboli vengono omessi
Ho installato il software ma quando provo ad aprirlo compare una finestra con scritto: "Error: A JNI error has occorrured, please check your installation and try again." poi cliccando su OK: "A Java Exception has occurred." (ho installato l'ultima versione di Java, la build 1.80.0). Cosa posso fare ?
-

gabriele86
20 3 - Messaggi: 20
- Iscritto il: 18 mag 2021, 11:32
46 messaggi
• Pagina 3 di 5 • 1, 2, 3, 4, 5
Chi c’è in linea
Visitano il forum: Nessuno e 7 ospiti

Elettrotecnica e non solo (admin)
Un gatto tra gli elettroni (IsidoroKZ)
Esperienza e simulazioni (g.schgor)
Moleskine di un idraulico (RenzoDF)
Il Blog di ElectroYou (webmaster)
Idee microcontrollate (TardoFreak)
PICcoli grandi PICMicro (Paolino)
Il blog elettrico di carloc (carloc)
DirtEYblooog (dirtydeeds)
Di tutto... un po' (jordan20)
AK47 (lillo)
Esperienze elettroniche (marco438)
Telecomunicazioni musicali (clavicordo)
Automazione ed Elettronica (gustavo)
Direttive per la sicurezza (ErnestoCappelletti)
EYnfo dall'Alaska (mir)
Apriamo il quadro! (attilio)
H7-25 (asdf)
Passione Elettrica (massimob)
Elettroni a spasso (guidob)
Bloguerra (guerra)




