Si è monostabile, il datasheet lo trovi qui.
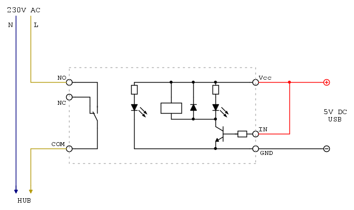
A occhio quelli che dici tu dovrebbero essere: il diodo in antiparallelo alla bobina di attivazione (serve a evitare sovratensioni fornendo un percorso di scarica per l'induttanza quando si apre il circuito), il transistor per pilotare l'ingresso (essendo progettata per Arduino, onde evitare di sovraccaricare i pin di I/O non si fa pilotare la bobina direttamente a loro ma ci si mette uno stadio di amplificazione in mezzo) e le resistenza di polarizzazione dello stadio più quelle di limitazione per i LED (se ti danno fastidio, i LED li puoi tranquillamente dissaldare).
Se usi questa scheda, collega a VCC e IN il positivo dell'alimentazione del tuo USB e a GND la massa.
Attivare lampada USB all'accensione della TV
49 messaggi
• Pagina 5 di 5 • 1, 2, 3, 4, 5
2
voti
Perfetto. É tutto chiaro.
Grazie per tutte le spiegazioni che mi avete dato e soprattutto per la pazienza.
Buona domenica a tutti.
Grazie per tutte le spiegazioni che mi avete dato e soprattutto per la pazienza.
Buona domenica a tutti.
-

GeorgeMcFly
65 6 - Frequentatore

- Messaggi: 119
- Iscritto il: 13 set 2020, 18:18
0
voti
Buongiorno a tutti,
riprendo il topic solo per aggiornarvi che ho ordinato e mi è arrivato il relà con scheda.
Avrei un solo piccolo dubbio sui collegamenti.
Allego foto sia del modello (cinese) che mi è arrivato che di uno standard strutturalmente identico al mio.
Nel mio caso l'alimentazione dei 5v è esterna e da o con Arduino non vi è niente da collegare. I 5v vengono dalla USB della TV. Qui previa costruzione di un cavo USB da adattare, il positivo va su VCC e il neutro su GND ma su IN non dovrei collegare niente, non usando Arduino. Giusto?
Per la parte invece da collegare alla 220 V devo tagliare il filo dell'hub che va alla spina da inserire nella presa di corrente. Avrò quindi tra le mani il cavo tagliato in due.
Qui se non ho capito male le due estremità del positivo vanno nell'ingresso 1 mentre le due estremità del neutro nell'ingresso n.2. Almeno se la modalità è quella NO (normally open) di partenza, dove alla sollecitazione della 5v il circuito si chiude. Potete gentilmente confermare se è tutto corretto?
Grazie.
riprendo il topic solo per aggiornarvi che ho ordinato e mi è arrivato il relà con scheda.
Avrei un solo piccolo dubbio sui collegamenti.
Allego foto sia del modello (cinese) che mi è arrivato che di uno standard strutturalmente identico al mio.
Nel mio caso l'alimentazione dei 5v è esterna e da o con Arduino non vi è niente da collegare. I 5v vengono dalla USB della TV. Qui previa costruzione di un cavo USB da adattare, il positivo va su VCC e il neutro su GND ma su IN non dovrei collegare niente, non usando Arduino. Giusto?
Per la parte invece da collegare alla 220 V devo tagliare il filo dell'hub che va alla spina da inserire nella presa di corrente. Avrò quindi tra le mani il cavo tagliato in due.
Qui se non ho capito male le due estremità del positivo vanno nell'ingresso 1 mentre le due estremità del neutro nell'ingresso n.2. Almeno se la modalità è quella NO (normally open) di partenza, dove alla sollecitazione della 5v il circuito si chiude. Potete gentilmente confermare se è tutto corretto?
Grazie.
- Allegati
-
- 1pc-font-b-12V-b-font-font-b-Relay-b-font-Module-Expansion-Board-Low-Level.jpg (80.79 KiB) Osservato 12812 volte
-
- one-channel-relay-module-pinout.jpg (13.46 KiB) Osservato 12812 volte
-

GeorgeMcFly
65 6 - Frequentatore

- Messaggi: 119
- Iscritto il: 13 set 2020, 18:18
1
voti
Devi collegare anche il pin IN, come ti aveva suggerito
gill90, ponteggiandolo con Vcc, in quanto è il segnale che pilota, tramite un transistor, la bobina del relè.
Lato 230V, il relè ha un solo contatto, puoi interrompere uno solo dei conduttori attivi, quindi la fase, in genere di colore nero o marrone, mentre il neutro (blu) non va interrotto, anche se poi non è detto che sia la fase che viene effettivamente interrotta: dipende come viene inserita la spina di alimentazione.
Se non prendo abbagli, lo schema dovrebbe essere il seguente, spero possa farti chiarezza:
Lato 230V, il relè ha un solo contatto, puoi interrompere uno solo dei conduttori attivi, quindi la fase, in genere di colore nero o marrone, mentre il neutro (blu) non va interrotto, anche se poi non è detto che sia la fase che viene effettivamente interrotta: dipende come viene inserita la spina di alimentazione.
Se non prendo abbagli, lo schema dovrebbe essere il seguente, spero possa farti chiarezza:
0
voti
Fiuuuu... grazie per la dritta ragazzi... mi avete risparmiato un bel cortone
Riguardo i punti a cui collegare la fase... ma lo schema riporta un ordine diverso rispetto all'immagine che ho postato o sbaglio? Volendo usare la prima immagine che ho postato con i numeri, devo agganciare la fase ai punti 1 e 2 giusto?
Riguardo i punti a cui collegare la fase... ma lo schema riporta un ordine diverso rispetto all'immagine che ho postato o sbaglio? Volendo usare la prima immagine che ho postato con i numeri, devo agganciare la fase ai punti 1 e 2 giusto?
- Allegati
-
- 1pc-font-b-12V-b-font-font-b-Relay-b-font-Module-Expansion-Board-Low-Level.jpg (80.79 KiB) Osservato 12767 volte
-

GeorgeMcFly
65 6 - Frequentatore

- Messaggi: 119
- Iscritto il: 13 set 2020, 18:18
2
voti
Fase o neutro non ha importanza perché basta che inverti la spina nelle presa a muro che al posto della fase ci va il neutro. Lo schema di collegamento per la 230V è semplice, se per comodità di espressione vuoi prendere in considerazione la fase comunque non c’è problema.
Un polo che arriva dalla spina, supponiamo la fase, lo colleghi, come entrata al morsetto 2 (sempre che corrisponda al comune del relè) e dal morsetto 1 prelevi la stessa fase commutata e la colleghi ad un polo della presa che va all’Hub. Il filo restante, che arriva dalla spina (che in questo caso sarà il neutro) lo colleghi direttamente all’altro polo della presa che alimenta l’Hub.
Un polo che arriva dalla spina, supponiamo la fase, lo colleghi, come entrata al morsetto 2 (sempre che corrisponda al comune del relè) e dal morsetto 1 prelevi la stessa fase commutata e la colleghi ad un polo della presa che va all’Hub. Il filo restante, che arriva dalla spina (che in questo caso sarà il neutro) lo colleghi direttamente all’altro polo della presa che alimenta l’Hub.
2
voti
Ok, tutto chiaro ora.
Che dire ragazzi, ormai i grazie sono inflazionati. Siete preziosissimi!
Piuttosto ho notato che il topic ha raccolto un botto di visite in pochi giorni, penso perché sia una cosa che interessi anche moltissimi altri utenti. Come scritto le implicazioni pratiche sono notevoli.
A buon rendere e a presto.
Che dire ragazzi, ormai i grazie sono inflazionati. Siete preziosissimi!
Piuttosto ho notato che il topic ha raccolto un botto di visite in pochi giorni, penso perché sia una cosa che interessi anche moltissimi altri utenti. Come scritto le implicazioni pratiche sono notevoli.
A buon rendere e a presto.

-

GeorgeMcFly
65 6 - Frequentatore

- Messaggi: 119
- Iscritto il: 13 set 2020, 18:18
49 messaggi
• Pagina 5 di 5 • 1, 2, 3, 4, 5
Chi c’è in linea
Visitano il forum: Nessuno e 22 ospiti

Elettrotecnica e non solo (admin)
Un gatto tra gli elettroni (IsidoroKZ)
Esperienza e simulazioni (g.schgor)
Moleskine di un idraulico (RenzoDF)
Il Blog di ElectroYou (webmaster)
Idee microcontrollate (TardoFreak)
PICcoli grandi PICMicro (Paolino)
Il blog elettrico di carloc (carloc)
DirtEYblooog (dirtydeeds)
Di tutto... un po' (jordan20)
AK47 (lillo)
Esperienze elettroniche (marco438)
Telecomunicazioni musicali (clavicordo)
Automazione ed Elettronica (gustavo)
Direttive per la sicurezza (ErnestoCappelletti)
EYnfo dall'Alaska (mir)
Apriamo il quadro! (attilio)
H7-25 (asdf)
Passione Elettrica (massimob)
Elettroni a spasso (guidob)
Bloguerra (guerra)





