salve, ho un allarme da casa alla cui morsettiera escono 12vcc 30ma in caso di allarme. volevo mettere un relè la cui bobina(che resti sempre eccitata tutto il tempo che l'allarme resti attivo) sia compatibile con l'corrente in uscita e abbia due contati normalmete aperti completamente indipendenti tra loro in modo che posso applicare a un contatto una tensione di 220 V per il collegamenbto di una lampadina 100w e l'altro contatto mi serve per chiudere un contatto di una punsantiera di un vecchio telefono, dove ho memorizzato un numero che chiamerà con chiamata rapida.
potete dirmi un modello adatto alle mie esigenze?
grazie
saluti
rele per uscita antifurto
3 messaggi
• Pagina 1 di 1
1
voti
Dal punto di vista della sicurezza elettrica NON puoi usare un (comune) relè a doppio contatto per usare un contatto collegato sulla rete elettrica e l'altro ad un apparecchio telefonico. C'è bisogno di un doppio isolamento.
Ti suggerisco 2 relè separati.
A questo punto va bene qualsiasi relè con bobina a 12Vcc e contatto adatto a reggere 250V.
Bye
Ser.Tom
Ti suggerisco 2 relè separati.
A questo punto va bene qualsiasi relè con bobina a 12Vcc e contatto adatto a reggere 250V.
Bye
Ser.Tom1
voti
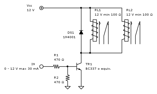
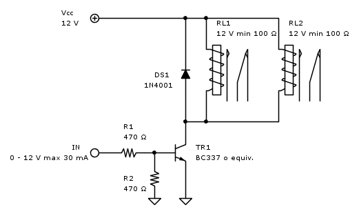
La bobina del relè deve avere una resistenza di almeno 400 ohm, altrimenti la corrente richiesta sarà maggiore di 30 mA.
Se poi i relè da collegare sono due, puoi metterne due in parallelo da 12 V e almeno 800 ohm, o due in serie uguali da 6 V e almeno 200 ohm.
Non dimenticare di mettere un diodo di ricircolo in "antiparallelo".
Se non trovi relè con resistenza della bobina così alta, potresti usare un transistor per amplificare la corrente:
Se poi i relè da collegare sono due, puoi metterne due in parallelo da 12 V e almeno 800 ohm, o due in serie uguali da 6 V e almeno 200 ohm.
Non dimenticare di mettere un diodo di ricircolo in "antiparallelo".
Se non trovi relè con resistenza della bobina così alta, potresti usare un transistor per amplificare la corrente:
Big fan of ⋮ƎlectroYou! Ausili per disabili e anziani su ⋮ƎlectroYou
Caratteri utili: À È É Ì Ò Ó Ù α β γ δ ε η θ λ μ π ρ σ τ φ ω Ω º ª ² ³ √ ∛ ∜ ₀ ₁ ₂ ₃ ₄ ₅ ₆ ∃ ∄ ∆ ∈ ∉ ± ∓ ∾ ≃ ≈ ≠ ≤ ≥
Caratteri utili: À È É Ì Ò Ó Ù α β γ δ ε η θ λ μ π ρ σ τ φ ω Ω º ª ² ³ √ ∛ ∜ ₀ ₁ ₂ ₃ ₄ ₅ ₆ ∃ ∄ ∆ ∈ ∉ ± ∓ ∾ ≃ ≈ ≠ ≤ ≥
3 messaggi
• Pagina 1 di 1
Chi c’è in linea
Visitano il forum: Nessuno e 29 ospiti

Elettrotecnica e non solo (admin)
Un gatto tra gli elettroni (IsidoroKZ)
Esperienza e simulazioni (g.schgor)
Moleskine di un idraulico (RenzoDF)
Il Blog di ElectroYou (webmaster)
Idee microcontrollate (TardoFreak)
PICcoli grandi PICMicro (Paolino)
Il blog elettrico di carloc (carloc)
DirtEYblooog (dirtydeeds)
Di tutto... un po' (jordan20)
AK47 (lillo)
Esperienze elettroniche (marco438)
Telecomunicazioni musicali (clavicordo)
Automazione ed Elettronica (gustavo)
Direttive per la sicurezza (ErnestoCappelletti)
EYnfo dall'Alaska (mir)
Apriamo il quadro! (attilio)
H7-25 (asdf)
Passione Elettrica (massimob)
Elettroni a spasso (guidob)
Bloguerra (guerra)





