Oggi i telecomandi hanno a bordo una tecnologia molto avanzata, implementata soprattutto per avere più canali, per essere codificati, non copiabili, ecc... ecc...
Ma come sono nati?
beh, dobbiamo andare a parlare del signor Calzecchi Onesti e dell'invenzione del coesore.
Il coesore non è altro che un tubetto di vetro entro il quale è stato praticato il vuoto (coesori non sotto vuoto funzionano per un po', ma poi l'aria li ossida e non funzionano più).
Dentro questo tubetto è posta della limatura metallica tra due elettrodi.
Se misuri la resistenza tra gli elettrodi noterai che è molto alta, dell'ordine della decina di megaohm.
Se però avvicini al tubetto un accendigas (di quelli che fanno le scintille) e gli fai generare qualche scintilla in prossimità del tubetto noterai che la resistenza crolla a valori intorno al centinaio di ohm.
Hai appena costruito il componente principale del telegrafo senza fili di Marconi!
Io avevo effettivamente provato a costruire un coesore, con un tubetto di una penna bic e due viti.
Ho dovuto lavorare... il giusto, per farlo funzionare!!
naturalmente non ho praticato il vuoto, ma, come dicevo, per un po' questi aggeggi funzionano.
Meno limatura metallica metterai, meglio funzionerà il dispositivo.
Più corto farai il dispositivo, meglio funzionerà.
Se poi riesci a collegare un estremo del coesore ad una antenna e l'altro ad un tubo dell'acqua fredda avrai un sistema che ti avverte quando arrivano i temporali !
Ti disegno uno schema, che ti sembrerà rudimentale, ma sappi che la radiotecnica è nata da qui:
Hai appena fatto un telecomando!
Facendo qualche scintilla con il tuo accendigas notarai che la resistenza del coesore crolla.
Noterai anche di più. Il coesore ha memoria. Una volta che si è coeso, la resistenza resta bassa.
Per "resettarlo" dovrai percuoterlo, dandogli qualche colpetto sopra.
Osserverai che dopo ritornerà ad avere una resistenza alta.
Ti metto anche un filmato YouTube che ho trovato che ti fa vedere l'esperimento realizzato:
Naturalmente dopo aver fatto questo, vorremmo che il nostro telecomando ci desse un contatto sfruttabile.
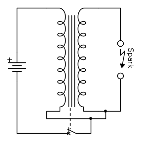
Marconi usò il coesore per far scattare un relè (inventato da poco, all'epoca) per far suonare un campanello: era nato il telegrafo senza fili.
Fece così:
Dove la linea tratteggiata che ho disegnato dal relè al coesore significa che l'ancora del relè, quando scattava, dava un colpetto al coesore che lo resettava. In questo modo quando si smetteva di trasmettere il campanello smetteva di suonare.
L'evoluzione di questo sistema è la possibilità di avere diversi canali, per realizzare questo si "caricava" il coesore di un gruppo LC, che aprendosi, alla risonanza, faceva chiudere il coesore.
Ma per farlo serviva un trasmettitore a banda un po' più stretta del nostro accendigas.
Una scintilla irradia in una banda molto ampia, ma la densità di potenza per unità di frequenza è molto modesta, e il coesore necessità di una certa potenza per chiudersi.
Inoltre conta che questi sistemi hanno rendimenti bassissimi, alcuni di loro anche inferiori all'1%.
Per l'epoca, però, era fantastico avere a disposizione qualcosa che funzionasse senza fili.
(naturalmente non per le poste italiane, che rifiutarono il brevetto; così Marconi andò a depositarlo in Inghilterra. Inutile dire che, pochi anni dopo, la Marconi Wireless Telegraphs forniva tutti i trasmettitori per le navi inglesi e qualche anno più tardi realizzava un trasmettitore per comunicare in America, poi per accendere le luci a Sidney dalla Cornovaglia, realizzando le prime radiocomunicazioni intercontinentali...)
Se ti interessa nella prossima puntata vediamo i trasmettitori dell'epoca e come funzionano.
I dispositivi che abbiamo oggi nelle nostre tasche devono dire grazie a questi loro antenati, se possono funzionare perfettamente...
Pietro

Elettrotecnica e non solo (admin)
Un gatto tra gli elettroni (IsidoroKZ)
Esperienza e simulazioni (g.schgor)
Moleskine di un idraulico (RenzoDF)
Il Blog di ElectroYou (webmaster)
Idee microcontrollate (TardoFreak)
PICcoli grandi PICMicro (Paolino)
Il blog elettrico di carloc (carloc)
DirtEYblooog (dirtydeeds)
Di tutto... un po' (jordan20)
AK47 (lillo)
Esperienze elettroniche (marco438)
Telecomunicazioni musicali (clavicordo)
Automazione ed Elettronica (gustavo)
Direttive per la sicurezza (ErnestoCappelletti)
EYnfo dall'Alaska (mir)
Apriamo il quadro! (attilio)
H7-25 (asdf)
Passione Elettrica (massimob)
Elettroni a spasso (guidob)
Bloguerra (guerra)

pigreco]=π







