Salve a tutti
Avrei bisogno di riunire i segnali provenienti da quattro trasmettitori (circa 700MHz , 50 Ohm) e inviarli ad un'antenna, come posso fare?
Mi va bene sia l'autocostruzione che consigli su prodotti già fatti
Non so la potenza di preciso, ma credo intorno ai 100mW
La prima cosa che mi viene in mente è usare cinque resistenze antiinduttive da 27 Ohm, che ne pensate?
Grazie
sommare i segnali di 4 trasmettitori in una antenna
Moderatore:
jordan20
11 messaggi
• Pagina 1 di 2 • 1, 2
0
voti
Non ho la risposta, ma seguo perché l'argomento è interessante, io, in passato, ho fatto il contrario: un TX per 4 antenne.
Ho però una domanda:
Presumo che i trasmettitori funzionino uno alla volta e che tu voglia evitare il classico sistema a selettore (meccanico o elettromeccanico), ma come disaccoppi i tre trasmettitori spenti rispetto a quello che trasmette?
Ho però una domanda:
Presumo che i trasmettitori funzionino uno alla volta e che tu voglia evitare il classico sistema a selettore (meccanico o elettromeccanico), ma come disaccoppi i tre trasmettitori spenti rispetto a quello che trasmette?
Disapprovo quello che dite, ma difenderò fino alla morte il vostro diritto di dirlo [attribuita a Voltaire]
La gentilezza dovrebbe diventare lo stile naturale della vita, non l'eccezione [Siddhārtha Gautama]
La gentilezza dovrebbe diventare lo stile naturale della vita, non l'eccezione [Siddhārtha Gautama]
-

Max2433BO
18,6k 4 11 13 - G.Master EY

- Messaggi: 4724
- Iscritto il: 25 set 2013, 16:29
- Località: Universo - Via Lattea - Sistema Solare - Terzo pianeta...
1
voti
La prima cosa che mi viene in mente è usare cinque resistenze antiinduttive da 27 Ohm, che ne pensate?
può funzionare, ma il segnale di ogni trasmettitore, avendo 1 R in serie incontra un partitore costituito da R/4,
quindi viene attenuato di R/(R+4R) = 0,2 in tensione.
Non ne so molto, ma ci dovrebbero essere degli accoppiatori Wilkinson ( cerca wilkinson power divider) che teoricamente non hanno perdite (power splitter/combiner).

Quello che usano i professionisti:
https://www.minicircuits.com/products/R ... iners.html
0
voti
Una domanda più facile sarebbe stata inutile farla
Ciao Leoonardo.
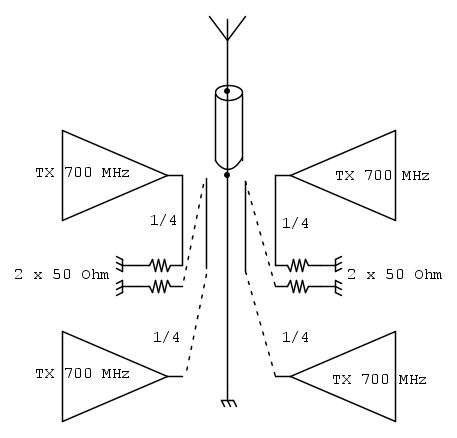
E' probabile che ci sia anche qualcosa di già pronto, ma io partirei da questa idea :
Che è da vedere se funziona.
E' posibile realizzarla su PCB oppure sbucciare l'anima di un cavo coassiale per un sottomultiplo dei 700 MHz ed accoppiarci d'intorno altri 4 spezzoni di cavo coassiale (sbucciato uguale) e tenuti assieme da alcune fascette o termoretrattile.
E' una descrizione limitata, ma dovrebbe essere comprensibile unita allo schema
pensavo......: ogni TX ha una portanrte in contimuo? Ed ha delle informazioni?
Se ha delle informazioni diverse per ognuno, non si danno noia tra di loro?.
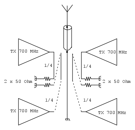
Ciao Leoonardo.E' probabile che ci sia anche qualcosa di già pronto, ma io partirei da questa idea :
Che è da vedere se funziona.
E' posibile realizzarla su PCB oppure sbucciare l'anima di un cavo coassiale per un sottomultiplo dei 700 MHz ed accoppiarci d'intorno altri 4 spezzoni di cavo coassiale (sbucciato uguale) e tenuti assieme da alcune fascette o termoretrattile.
E' una descrizione limitata, ma dovrebbe essere comprensibile unita allo schema
pensavo......: ogni TX ha una portanrte in contimuo? Ed ha delle informazioni?
Se ha delle informazioni diverse per ognuno, non si danno noia tra di loro?.
Alex
https://www.facebook.com/Elettronicaeelettrotecnica
<< vedi di pigliare arditamente in mano, il dizionario che ti suona in bocca,
se non altro è schietto e paesano.
(Giuseppe Giusti) <<
https://www.facebook.com/Elettronicaeelettrotecnica
<< vedi di pigliare arditamente in mano, il dizionario che ti suona in bocca,
se non altro è schietto e paesano.
(Giuseppe Giusti) <<
0
voti
Un partitore TV (es fracarro PA4), quei dispositivi sono bidirezionali e progettati per le bande che useresti.
-

DavideDaSerra
213 1 7 - Expert

- Messaggi: 279
- Iscritto il: 21 gen 2018, 18:41
0
voti
Grazie a tutti per le risposte, mi spiego meglio:
i 4 trasmettitori trasmettono contemporaneamente, ognuno trasmette un segnale con modulazione digitale con due portanti, variabili da 470 a 950 MHz e profondità di modulazione di 7,2 MHz.
setteali! Come stai?
Mi sembra la soluzione migliore, purtroppo non avevo specificato che mi serve una larghezza di banda enorme, quasi un'ottava, può andare bene lo stesso?
MarcoD domani li guardo per bene, se trovo un modello con bnc , con la banda che mi serve e 4 vie, aggiudicato
DavideDaSerra ci avevo pensato, ma quelli per TV sono da 75 Ohm
i 4 trasmettitori trasmettono contemporaneamente, ognuno trasmette un segnale con modulazione digitale con due portanti, variabili da 470 a 950 MHz e profondità di modulazione di 7,2 MHz.
Mi sembra la soluzione migliore, purtroppo non avevo specificato che mi serve una larghezza di banda enorme, quasi un'ottava, può andare bene lo stesso?
-

SediciAmpere
4.187 5 5 8 - Master

- Messaggi: 4847
- Iscritto il: 31 ott 2013, 15:00
0
voti
Se l'attenuazione non è un problema si potrebbe farlo resistivo.
Rimane il problema che la trasmissione di tutti rientra anche negli altri trasmettitori.
Potrebbe essere un problema e generare intermodulazioni se in uscita da ciascun Tx non fosse presente un accoppiatore direzionale.
Le soluzioni accordate su una larghezza di banda così ampia mi sembrano abbastanza poco praticabili.
Bisogna fare qualche prova magari su PCB in SMD.
P. S.
Di che genere di potenza stiamo parlando?
Si potrebbe anche fare a trasformatori utilizzando il principio della "forchetta induttiva " .
Magari su film spesso a elementi distribuiti.
Ciao
Rimane il problema che la trasmissione di tutti rientra anche negli altri trasmettitori.
Potrebbe essere un problema e generare intermodulazioni se in uscita da ciascun Tx non fosse presente un accoppiatore direzionale.
Le soluzioni accordate su una larghezza di banda così ampia mi sembrano abbastanza poco praticabili.
Bisogna fare qualche prova magari su PCB in SMD.
P. S.
Di che genere di potenza stiamo parlando?
Si potrebbe anche fare a trasformatori utilizzando il principio della "forchetta induttiva " .
Magari su film spesso a elementi distribuiti.
Ciao
600 Elettra
0
voti
Forse potresti adoperare in modo improprio tre partitori 1ingresso 2uscite Fracarro mod PP12 da 48 a 862 MHz, terminazioni a morsetto.
Dovrebbero essere reversibili , quindi usabili come combiner.
I 4 TX prima entrano a due a due nelle due uscite di due divisori, poi ogni ingresso dei due divisori va nelle uscite del terzo divisore.
https://www.elettronew.com/it/accessori ... -1884.html
Però sono a 75 ohm non troppo dissimile da 50.
Costano relativamente poco ( 10 €? ciascuno) , potresti provarli-
Sicuramente i minicircuits sono migliori, ma anche molto più costosi.
Dovrebbero essere reversibili , quindi usabili come combiner.
I 4 TX prima entrano a due a due nelle due uscite di due divisori, poi ogni ingresso dei due divisori va nelle uscite del terzo divisore.
https://www.elettronew.com/it/accessori ... -1884.html
Però sono a 75 ohm non troppo dissimile da 50.
Costano relativamente poco ( 10 €? ciascuno) , potresti provarli-
Sicuramente i minicircuits sono migliori, ma anche molto più costosi.
0
voti
Cercando partitori 50 ohm trovo dispositivi per 4G/lte ma ne ho visti solo a due vie (poi Google in queste ricerche non aiuta
).
"Non farei mai parte di un club che accettasse la mia iscrizione" (G. Marx)
-

claudiocedrone
21,3k 4 7 9 - Master EY

- Messaggi: 15302
- Iscritto il: 18 gen 2012, 13:36
2
voti
Forse potrebbe essere utile il Gysel copuler a 4 ingressi, tutto in coassiale?
Disapprovo quello che dite, ma difenderò fino alla morte il vostro diritto di dirlo [attribuita a Voltaire]
La gentilezza dovrebbe diventare lo stile naturale della vita, non l'eccezione [Siddhārtha Gautama]
La gentilezza dovrebbe diventare lo stile naturale della vita, non l'eccezione [Siddhārtha Gautama]
-

Max2433BO
18,6k 4 11 13 - G.Master EY

- Messaggi: 4724
- Iscritto il: 25 set 2013, 16:29
- Località: Universo - Via Lattea - Sistema Solare - Terzo pianeta...
11 messaggi
• Pagina 1 di 2 • 1, 2
Chi c’è in linea
Visitano il forum: Nessuno e 38 ospiti

Elettrotecnica e non solo (admin)
Un gatto tra gli elettroni (IsidoroKZ)
Esperienza e simulazioni (g.schgor)
Moleskine di un idraulico (RenzoDF)
Il Blog di ElectroYou (webmaster)
Idee microcontrollate (TardoFreak)
PICcoli grandi PICMicro (Paolino)
Il blog elettrico di carloc (carloc)
DirtEYblooog (dirtydeeds)
Di tutto... un po' (jordan20)
AK47 (lillo)
Esperienze elettroniche (marco438)
Telecomunicazioni musicali (clavicordo)
Automazione ed Elettronica (gustavo)
Direttive per la sicurezza (ErnestoCappelletti)
EYnfo dall'Alaska (mir)
Apriamo il quadro! (attilio)
H7-25 (asdf)
Passione Elettrica (massimob)
Elettroni a spasso (guidob)
Bloguerra (guerra)


