Io non lo so fare.
Ad ogni modo, si tratta di installare la nuova versione di Fidocad nel sito?
Collaborate allo sviluppo FidoCadJ!
Moderatore:
admin
1
voti
Sì, la versione 0.24.7 non è "nuova", ma oggi è collaudata e stabile, permetterebbe di garantire la compatibilità con le versioni che farò uscire in un futuro più o meno prossimo (speriamo). Dovrebbe bastare sostituire il file fidocadj.jar che dev'essere già presente da qualche parte, non so essere più specifico, ma non dovrebbe essere troppo difficile.
Follow me on Mastodon: @davbucci@mastodon.sdf.org
-

DarwinNE
31,0k 7 11 13 - G.Master EY

- Messaggi: 4420
- Iscritto il: 18 apr 2010, 9:32
- Località: Grenoble - France
2
voti
Dimenticavo: sono in vena di correzioni di bug. Qui c'è la lista dei problemi ancora da risolvere:
https://github.com/DarwinNE/FidoCadJ/issues
(qualcuno della 0.24.7 l'ho già sistemato). Se avete cose da suggerire, è il momento giusto
https://github.com/DarwinNE/FidoCadJ/issues
(qualcuno della 0.24.7 l'ho già sistemato). Se avete cose da suggerire, è il momento giusto

Follow me on Mastodon: @davbucci@mastodon.sdf.org
-

DarwinNE
31,0k 7 11 13 - G.Master EY

- Messaggi: 4420
- Iscritto il: 18 apr 2010, 9:32
- Località: Grenoble - France
0
voti
Ciao
DarwinNE,
prima di aggiungere un issue alla lista te ne accenno qui perché magari è solo un mio errato procedimento.
Ho notato che non è possibile incollare un testo copiato da una qualsiasi applcazione all'interno della casella "Testo".
Mi spiego meglio cosa succede (... o meglio non succede
):
- seleziono un testo, con il mouse, in una applicazione e cliccandoci sopra con il pulsante destro del mouse seleziono l'opzione "copia".
- In FidoCadJ seleziono l'icona "Testo" e, nella finestra parametri che si apre, nella casella "testo" (dove di default è inserito "String") tento di cliccare con il tasto destro del mouse per incollare quanto precedente mente copiato.
Ho scritto "tento" perché questa azione non sortisce nulla.
Ti risulta?
Tutto ciò è stato fatto sotto linux (nello specifico Ubuntu 18.04.4) con jre 1.8.0_131 e la versione 0.24.7 di FidoCadJ.
Max
prima di aggiungere un issue alla lista te ne accenno qui perché magari è solo un mio errato procedimento.
Ho notato che non è possibile incollare un testo copiato da una qualsiasi applcazione all'interno della casella "Testo".
Mi spiego meglio cosa succede (... o meglio non succede
- seleziono un testo, con il mouse, in una applicazione e cliccandoci sopra con il pulsante destro del mouse seleziono l'opzione "copia".
- In FidoCadJ seleziono l'icona "Testo" e, nella finestra parametri che si apre, nella casella "testo" (dove di default è inserito "String") tento di cliccare con il tasto destro del mouse per incollare quanto precedente mente copiato.
Ho scritto "tento" perché questa azione non sortisce nulla.
Ti risulta?
Tutto ciò è stato fatto sotto linux (nello specifico Ubuntu 18.04.4) con jre 1.8.0_131 e la versione 0.24.7 di FidoCadJ.
MaxDisapprovo quello che dite, ma difenderò fino alla morte il vostro diritto di dirlo [attribuita a Voltaire]
La gentilezza dovrebbe diventare lo stile naturale della vita, non l'eccezione [Siddhārtha Gautama]
La gentilezza dovrebbe diventare lo stile naturale della vita, non l'eccezione [Siddhārtha Gautama]
-

Max2433BO
18,6k 4 11 13 - G.Master EY

- Messaggi: 4724
- Iscritto il: 25 set 2013, 16:29
- Località: Universo - Via Lattea - Sistema Solare - Terzo pianeta...
0
voti
Ciao
DarwinNE, Mi piacerebbe che ci fosse un tasto che rimetta in automatico la griglia in modo standard, intendo una configurazione standard forse con una griglia più piccola che tutti dovremmo adoperare per evitare che una volta scaricato L'FCD i simboli non risultino disallineati. Mi piacerebbe avere delle librerie completamente compatibili, perché a me spesso è capitato che copiando L'FCD di un mio disegno per incollarlo in EY mi sparissero alcuni componenti. Una cosa che mi disturba e quella che non posso disattivare una linea o un simbolo direttamente da maus ma mi appare la window parametri che secondo me serve poco, io perlomeno non l'ho mai usata
-

elektronik
7.800 4 6 7 - Master

- Messaggi: 3836
- Iscritto il: 12 mag 2015, 22:26
0
voti
DarwinNE ha scritto:Se avete cose da suggerire, è il momento giusto
Io avrei una feature request, se hai voglia
Te la metto direttamente in GitHub se preferisci (va considerata issue o c'è un altro modo di classificarla?)
Ad ogni modo... sarebbe comodo se quando si stanno posizionando componenti, premendo il tasto Esc si passasse in modalità di selezione. Sarebbe un comportamento simile a quello della linea: finito di aggiungere segmenti si preme Esc.
Ciao e grazie mille per il lavoro che fai!
Boiler
3
voti
Max2433BO ha scritto:Ho notato che non è possibile incollare un testo copiato da una qualsiasi applcazione all'interno della casella "Testo".
Strano, ma potrebbe essere che quando uno fa copia dall'applicazione, il risultato non venga messo nella clipboard come "testo semplice" e per una ragione o per un'altra FidoCadJ non lo digerisce. Non so quanto questo dipenda da FidoCadJ, non ho studiato il problema. Apri comunque una Issue su GitHub, potrebbe valer la pena di cercare di capire se il problema è risolvibile.
elektronik ha scritto:Mi piacerebbe che ci fosse un tasto che rimetta in automatico la griglia in modo standard, intendo una configurazione standard forse con una griglia più piccola che tutti dovremmo adoperare per evitare che una volta scaricato L'FCD i simboli non risultino disallineati.
Cioè inserire 5 come dimensione di griglia? Si potrebbe aggiungere un bottone "Default" nella configurazione del programma. Puoi aggiungere una Issue su GitHub?
elektronik ha scritto:Mi piacerebbe avere delle librerie completamente compatibili, perché a me spesso è capitato che copiando L'FCD di un mio disegno per incollarlo in EY mi sparissero alcuni componenti.
Questo è un problema quasi del tutto risolvibile utilizzando "Copia e suddividi simboli non standard" (Control+M invece di Control+C) invece del solito "Copia" per poi incollare i disegni qui nel forum. Qui per esempio utilizzo dei simboli di una mia libreria non standard, facendo un copia/incolla tradizionale:
Come si vede, il disegno è incompleto. Se faccio "Copia e suddividi simboli non standard" il problema è risolto (anche se potrebbe essere un po' più scomodo modificare il disegno in un secondo tempo):
elektronik ha scritto:Una cosa che mi disturba e quella che non posso disattivare una linea o un simbolo direttamente da maus ma mi appare la window parametri che secondo me serve poco, io perlomeno non l'ho mai usata
Perlomeno su Mac il tasto destro del mouse non è utilizzato da FidoCadJ mentre si introduce una linea. Intendi dire che sarebbe comodo che selezioni la freccina nella barra dei comandi in alto?
boiler ha scritto:Ad ogni modo... sarebbe comodo se quando si stanno posizionando componenti, premendo il tasto Esc si passasse in modalità di selezione. Sarebbe un comportamento simile a quello della linea: finito di aggiungere segmenti si preme Esc.
Aggiungi pure una Issue su GitHub. Le chiamano così anche quando sono qualcosa di diverso
Se ho capito bene, il comportamento che richiedi sarebbe quello che si ottiene premendo lo spazio, non credo che sarebbe molto difficile aggiungere anche Esc. Per caso, vuoi questo comportamento perché usi un CAD che usa Esc in un contesto simile?
Follow me on Mastodon: @davbucci@mastodon.sdf.org
-

DarwinNE
31,0k 7 11 13 - G.Master EY

- Messaggi: 4420
- Iscritto il: 18 apr 2010, 9:32
- Località: Grenoble - France
0
voti
DarwinNE ha scritto:Se ho capito bene, il comportamento che richiedi sarebbe quello che si ottiene premendo lo spazio
Ahhh, perfetto... ma allora non serve aprire nulla
Per caso, vuoi questo comportamento perché usi un CAD che usa Esc in un contesto simile?
Sì, Altium Designer.
Ma adesso so che si usa lo spazio, mi ci abituerò
Boiler
0
voti
DarwinNE ha scritto:elektronik ha scritto:Mi piacerebbe che ci fosse un tasto che rimetta in automatico la griglia in modo standard, intendo una configurazione standard forse con una griglia più piccola che tutti dovremmo adoperare per evitare che una volta scaricato L'FCD i simboli non risultino disallineati.
Cioè inserire 5 come dimensione di griglia? Si potrebbe aggiungere un bottone "Default" nella configurazione del programma. Puoi aggiungere una Issue su GitHub?
Proprio così
elektronik ha scritto: Mi piacerebbe avere delle librerie completamente compatibili
DarwinNE ha scritto: Questo è un problema quasi del tutto risolvibile utilizzando "Copia e suddividi simboli non standard" (Control+M invece di Control+C)
ottimo adesso faccio così
elektronik ha scritto:Una cosa che mi disturba e quella che non posso disattivare una linea o un simbolo direttamente da maus ma mi appare la window parametri che secondo me serve poco, io perlomeno non l'ho mai usata
DarwinNE ha scritto: Intendi dire che sarebbe comodo che selezioni la freccina nella barra dei comandi in alto?
Si sarebbe ottimo se premendo il tasto destro del maus inserisse la freccina come daltronde fanno quasi tuitti i cad
-

elektronik
7.800 4 6 7 - Master

- Messaggi: 3836
- Iscritto il: 12 mag 2015, 22:26
0
voti
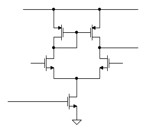
Ieri ho letto un thread che mi ha fatto pensare ad un vecchio thread mio
da quel vecchio thread ho provato a copiare il sorgente FidocadJ per poi reinserirlo in un post
l'immagine corretta che si dovrebbe vedere è questa (e così si vede nel vecchio thread)

Ma se copio ed incollo il sorgente in un nuovo post se ne esce questo
(come si può vedere c'è un problema sulle scritte in alto ed uno in basso)
Il vecchio thread è qui
https://www.electroyou.it/forum/viewtopic.php?t=67355&p=687745#p687745
K
da quel vecchio thread ho provato a copiare il sorgente FidocadJ per poi reinserirlo in un post
l'immagine corretta che si dovrebbe vedere è questa (e così si vede nel vecchio thread)

Ma se copio ed incollo il sorgente in un nuovo post se ne esce questo
(come si può vedere c'è un problema sulle scritte in alto ed uno in basso)
Il vecchio thread è qui
https://www.electroyou.it/forum/viewtopic.php?t=67355&p=687745#p687745
K
-

Kagliostro
6.401 4 5 7 - Master

- Messaggi: 4832
- Iscritto il: 19 set 2012, 11:32
Torna a Chiarimenti, regole, informazioni, proposte
Chi c’è in linea
Visitano il forum: Nessuno e 16 ospiti

Elettrotecnica e non solo (admin)
Un gatto tra gli elettroni (IsidoroKZ)
Esperienza e simulazioni (g.schgor)
Moleskine di un idraulico (RenzoDF)
Il Blog di ElectroYou (webmaster)
Idee microcontrollate (TardoFreak)
PICcoli grandi PICMicro (Paolino)
Il blog elettrico di carloc (carloc)
DirtEYblooog (dirtydeeds)
Di tutto... un po' (jordan20)
AK47 (lillo)
Esperienze elettroniche (marco438)
Telecomunicazioni musicali (clavicordo)
Automazione ed Elettronica (gustavo)
Direttive per la sicurezza (ErnestoCappelletti)
EYnfo dall'Alaska (mir)
Apriamo il quadro! (attilio)
H7-25 (asdf)
Passione Elettrica (massimob)
Elettroni a spasso (guidob)
Bloguerra (guerra)




