le pinze credo che misurino le DC solo tramite i fili annessi.
per me si deve usare un sensore hall.
saluti.
Rilevatore tensione continua senza contatto
21 messaggi
• Pagina 2 di 3 • 1, 2, 3
0
voti
-

lelerelele
4.899 3 7 9 - Master

- Messaggi: 5509
- Iscritto il: 8 giu 2011, 8:57
- Località: Reggio Emilia
0
voti
lelerelele ha scritto:per me si deve usare un sensore hall.
Ma l'OP vuole misurare una tensione continua senza contatto, non una corrente.
Se non c'è corrente non c'è campo magnetico.
Big fan of ⋮ƎlectroYou! Ausili per disabili e anziani su ⋮ƎlectroYou
Caratteri utili: À È É Ì Ò Ó Ù α β γ δ ε η θ λ μ π ρ σ τ φ ω Ω º ª ² ³ √ ∛ ∜ ₀ ₁ ₂ ₃ ₄ ₅ ₆ ∃ ∄ ∆ ∈ ∉ ± ∓ ∾ ≃ ≈ ≠ ≤ ≥
Caratteri utili: À È É Ì Ò Ó Ù α β γ δ ε η θ λ μ π ρ σ τ φ ω Ω º ª ² ³ √ ∛ ∜ ₀ ₁ ₂ ₃ ₄ ₅ ₆ ∃ ∄ ∆ ∈ ∉ ± ∓ ∾ ≃ ≈ ≠ ≤ ≥
0
voti
Original Poster
-

PietroBaima
90,7k 7 12 13 - G.Master EY

- Messaggi: 12207
- Iscritto il: 12 ago 2012, 1:20
- Località: Londra
0
voti
GuidoB ha scritto:lelerelele ha scritto:per me si deve usare un sensore hall.
Ma l'OP vuole misurare una tensione continua senza contatto, non una corrente.
Se non c'è corrente non c'è campo magnetico.
Misurare una tensione DC senza contatto! per me è impossibile, magari sono ignorante.
Se invece possiamo andare al leggere questa tensione in differenziale con elevate impedenze è un altro discorso.
saluti.
-

lelerelele
4.899 3 7 9 - Master

- Messaggi: 5509
- Iscritto il: 8 giu 2011, 8:57
- Località: Reggio Emilia
0
voti
..prendendo questo circuitino come esempio
https://www.youtube.com/watch?v=0hI3hVtiHKE
pensando che l' accoppiamento avvenga capacitivamente, nell' ordine del 1pF o meno,
mi sa che in corrente continua quella capacità si carichi quasi immediatamente
per le resistenze parassite, annullando la misura per tensioni così basse,
se non per un attimo brevissimo... (ma ci conterebbe anche la polarità)
..forse facendo oscillare il sensore molto rapidamente in modo da provocare variazioni di capacità
verso il conduttore sotto misura...
..io non ho mai provato!
..però mi chiedevo da inesperto se avvicinando una bacchetta elettrizzata, ad un diodo varicap,
parte di un oscillatore, tolta la tensione di controllo in continua dal PLL o dai potenziometri,
se la frequenza scivolasse avvicinando ed allontanando la bacchetta caricata
..tipo penna strofinata sulla lana ricordate... lo sa qualcuno?
https://www.youtube.com/watch?v=0hI3hVtiHKE
pensando che l' accoppiamento avvenga capacitivamente, nell' ordine del 1pF o meno,
mi sa che in corrente continua quella capacità si carichi quasi immediatamente
per le resistenze parassite, annullando la misura per tensioni così basse,
se non per un attimo brevissimo... (ma ci conterebbe anche la polarità)
..forse facendo oscillare il sensore molto rapidamente in modo da provocare variazioni di capacità
verso il conduttore sotto misura...
..io non ho mai provato!
..però mi chiedevo da inesperto se avvicinando una bacchetta elettrizzata, ad un diodo varicap,
parte di un oscillatore, tolta la tensione di controllo in continua dal PLL o dai potenziometri,
se la frequenza scivolasse avvicinando ed allontanando la bacchetta caricata
..tipo penna strofinata sulla lana ricordate... lo sa qualcuno?
0
voti
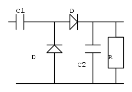
..non avendo più cose da saldare vorrei aggiungere una domanda riconducibile al tema..
facessi un semplice duplicatore tipo questo
https://lh3.googleusercontent.com/proxy ... -wsS5tjsG2
dando a C1 la capacità verso il cavo di minimo 5pF, per D1eD2 mettendo due diodi PIN da 0,5pF propri,
per C2 un valore es. da 1000 a 10000pF e come carico una resistenza es. da 1..10MHom
riuscirei, con appropriato montaggio e una volta tarato, misurando VU2 ai capi della resistenza,
risalire con una sufficiente precisione alle tensione su di una treccia (senza contatto se non capacitivo e l' altro attraverso il corpo a la terra), con l' altro capo a terra ...sotto tensione alternata di 50Hz
mettiamo da 20 a 100V ...!? o ci sarebbero in giro componenti più adatti?
facessi un semplice duplicatore tipo questo
https://lh3.googleusercontent.com/proxy ... -wsS5tjsG2
dando a C1 la capacità verso il cavo di minimo 5pF, per D1eD2 mettendo due diodi PIN da 0,5pF propri,
per C2 un valore es. da 1000 a 10000pF e come carico una resistenza es. da 1..10MHom
riuscirei, con appropriato montaggio e una volta tarato, misurando VU2 ai capi della resistenza,
risalire con una sufficiente precisione alle tensione su di una treccia (senza contatto se non capacitivo e l' altro attraverso il corpo a la terra), con l' altro capo a terra ...sotto tensione alternata di 50Hz
mettiamo da 20 a 100V ...!? o ci sarebbero in giro componenti più adatti?
0
voti
lo ripeto perché mi è stato chiuso il collegamento pertanto volendo potete cancellare anche il post precedente
..non avendo più cose da saldare vorrei aggiungere una domanda riconducibile al tema..
facessi un semplice duplicatore tipo questo
dando a C1 la capacità verso il cavo di minimo 5pF, per D1eD2 mettendo due diodi PIN da 0,5pF propri,
per C2 un valore es. da 1000 a 10000pF e come carico una resistenza es. da 1..10 Mohm
riuscirei, con appropriato montaggio e una volta tarato, misurando V2 ai capi della resistenza,
risalire con una sufficiente precisione alle tensione su di una treccia (senza contatto se non capacitivo e l' altro attraverso il corpo a la terra), con l' altro capo a terra ...sotto tensione alternata di 50Hz
mettiamo da 20 a 100V ...!? o ci sarebbero in giro componenti più adatti?
..non avendo più cose da saldare vorrei aggiungere una domanda riconducibile al tema..
facessi un semplice duplicatore tipo questo
dando a C1 la capacità verso il cavo di minimo 5pF, per D1eD2 mettendo due diodi PIN da 0,5pF propri,
per C2 un valore es. da 1000 a 10000pF e come carico una resistenza es. da 1..10 Mohm
riuscirei, con appropriato montaggio e una volta tarato, misurando V2 ai capi della resistenza,
risalire con una sufficiente precisione alle tensione su di una treccia (senza contatto se non capacitivo e l' altro attraverso il corpo a la terra), con l' altro capo a terra ...sotto tensione alternata di 50Hz
mettiamo da 20 a 100V ...!? o ci sarebbero in giro componenti più adatti?
0
voti
Scommetto che non hai effettiva necessità dello strumento, la discussione si sposta sul piano tecnoteorico. Però è sempre interessante/divertente...
Teoricamente si, ma guarda che una bacchetta strofinata ha un potenziale di qualche centinaio o migliaia di volt (per fortuna con una carica minima), tu avevi scritto di 50 V.
In linea di principio può funzionare, ma con 5 pF, con capacità parassita di 0,5+0,5 pF, caricare 1000 pF,,a lore volta caricati da 10 Mohm..
non sono certo..
Poi il tuo requisito era tensione continua non alternata 50 Hz.
Per i 50 Hz basta un amplificatore in AC sensibie che capta il ronzio (campo elettrico alternato)..
(salvo disturbi).

...se avvicinando una bacchetta elettrizzata, ad un diodo varicap,
parte di un oscillatore, tolta la tensione di controllo in continua dal PLL o dai potenziometri,
se la frequenza scivolasse avvicinando ed allontanando la bacchetta caricata
Teoricamente si, ma guarda che una bacchetta strofinata ha un potenziale di qualche centinaio o migliaia di volt (per fortuna con una carica minima), tu avevi scritto di 50 V.
dando a C1 la capacità verso il cavo di minimo 5pF, per D1eD2 mettendo due diodi PIN da 0,5pF propri,
per C2 un valore es. da 1000 a 10000pF e come carico una resistenza es. da 1..10 Mohm
.....con l' altro capo a terra ...sotto tensione alternata di 50Hz
In linea di principio può funzionare, ma con 5 pF, con capacità parassita di 0,5+0,5 pF, caricare 1000 pF,,a lore volta caricati da 10 Mohm..
non sono certo..
Poi il tuo requisito era tensione continua non alternata 50 Hz.
Per i 50 Hz basta un amplificatore in AC sensibie che capta il ronzio (campo elettrico alternato)..
(salvo disturbi).

21 messaggi
• Pagina 2 di 3 • 1, 2, 3
Chi c’è in linea
Visitano il forum: Nessuno e 9 ospiti

Elettrotecnica e non solo (admin)
Un gatto tra gli elettroni (IsidoroKZ)
Esperienza e simulazioni (g.schgor)
Moleskine di un idraulico (RenzoDF)
Il Blog di ElectroYou (webmaster)
Idee microcontrollate (TardoFreak)
PICcoli grandi PICMicro (Paolino)
Il blog elettrico di carloc (carloc)
DirtEYblooog (dirtydeeds)
Di tutto... un po' (jordan20)
AK47 (lillo)
Esperienze elettroniche (marco438)
Telecomunicazioni musicali (clavicordo)
Automazione ed Elettronica (gustavo)
Direttive per la sicurezza (ErnestoCappelletti)
EYnfo dall'Alaska (mir)
Apriamo il quadro! (attilio)
H7-25 (asdf)
Passione Elettrica (massimob)
Elettroni a spasso (guidob)
Bloguerra (guerra)


pigreco]=π


