Narcolex ha scritto:Però sia chiaro, se parto con sta cosa vi stresso fino a quando non la porto in fondo, quindi
preparatevi... ahahahahaha
Grazie di nuovo :)
Se non parti non impari; se hai voglia di imparare, noi siamo qui per questo.
Narcolex ha scritto:Però sia chiaro, se parto con sta cosa vi stresso fino a quando non la porto in fondo, quindi
preparatevi... ahahahahaha
Grazie di nuovo :)




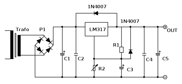
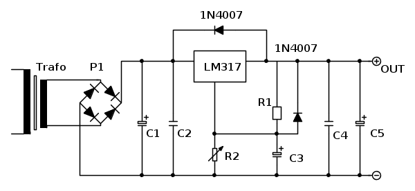
Narcolex ha scritto:intanto mi puoi dire quali di questi trasformatori potrebbe fare al caso mio?
Visitano il forum: Nessuno e 6 ospiti