Aiuto per utilizzo multimetro analogico.
0
voti
Più lo guardo quel potenziometro e più mi sorgono dubbi, e tu che non hai un altro multimetro con cui fare misure... Ma per ora dovrei aver capito cosa mi interessava, anche se è tutto strano.
-

Candy
32,5k 7 10 13 - CRU - Account cancellato su Richiesta utente
- Messaggi: 10123
- Iscritto il: 14 giu 2010, 22:54
0
voti
MMyers560 ha scritto:Il multimetro non sono riuscito a procurarmelo purtroppo. Dovrò chiedere ancora.

"Non farei mai parte di un club che accettasse la mia iscrizione" (G. Marx)
-

claudiocedrone
21,3k 4 7 9 - Master EY

- Messaggi: 15303
- Iscritto il: 18 gen 2012, 13:36
0
voti
Probabilmente Claudio non voleva dire di buttare il Pantec, ma di prendere un digitale da poco prezzo per poterlo riparare
Tanto, per certe misurazioni, avere due tester è molto utile.
Comunque non pensate anche voi che la prima cosa da fare sia la sostituzione del resistore bruciacchiato?
Comunque non pensate anche voi che la prima cosa da fare sia la sostituzione del resistore bruciacchiato?
-

FedericoSibona
5.022 3 5 8 - Master

- Messaggi: 3951
- Iscritto il: 19 mar 2013, 11:43
0
voti
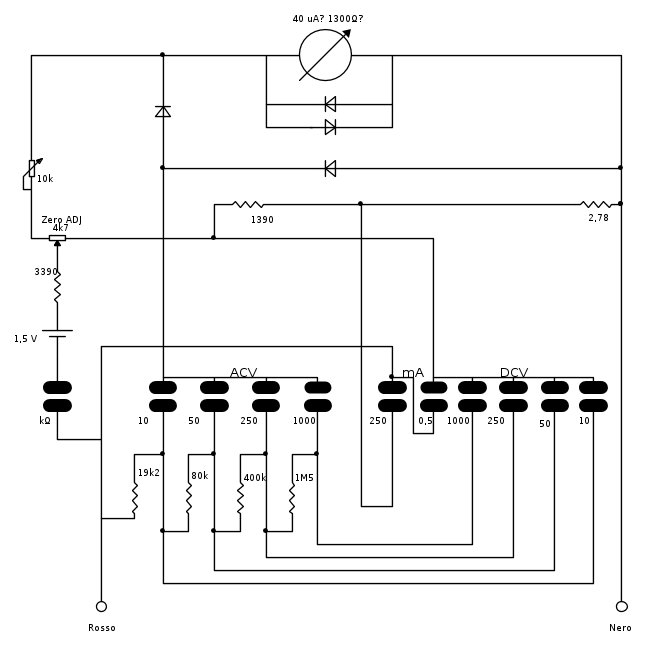
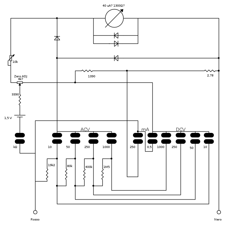
E' indubbiamente il primo componente da rimpiazzare. Ed è la resistenza che nello schema ha valore 274. Se è bruciata od alterata, altera il partitore di corrente e fa quindi aumentare la lettura come sta succedendo.
Il mio problema è che la cifra moltiplicatica non si legge affatto bene. Molti colori, in alcune foto, sono distorti. Se non si fanno foto a distanza ravvicinata, non si vedono bene.
Magari l'interessato può fare una foto della sola resistenza incriminata, a tutto schermo, per leggerne bene il valore?
Il mio problema è che la cifra moltiplicatica non si legge affatto bene. Molti colori, in alcune foto, sono distorti. Se non si fanno foto a distanza ravvicinata, non si vedono bene.
Magari l'interessato può fare una foto della sola resistenza incriminata, a tutto schermo, per leggerne bene il valore?
-

Candy
32,5k 7 10 13 - CRU - Account cancellato su Richiesta utente
- Messaggi: 10123
- Iscritto il: 14 giu 2010, 22:54
Chi c’è in linea
Visitano il forum: Nessuno e 12 ospiti

Elettrotecnica e non solo (admin)
Un gatto tra gli elettroni (IsidoroKZ)
Esperienza e simulazioni (g.schgor)
Moleskine di un idraulico (RenzoDF)
Il Blog di ElectroYou (webmaster)
Idee microcontrollate (TardoFreak)
PICcoli grandi PICMicro (Paolino)
Il blog elettrico di carloc (carloc)
DirtEYblooog (dirtydeeds)
Di tutto... un po' (jordan20)
AK47 (lillo)
Esperienze elettroniche (marco438)
Telecomunicazioni musicali (clavicordo)
Automazione ed Elettronica (gustavo)
Direttive per la sicurezza (ErnestoCappelletti)
EYnfo dall'Alaska (mir)
Apriamo il quadro! (attilio)
H7-25 (asdf)
Passione Elettrica (massimob)
Elettroni a spasso (guidob)
Bloguerra (guerra)



