stefanob70 ha scritto:GuidoB ha scritto:Se non metti condensatori di livellamento il valore efficace resta quello dell'alternata (meno la caduta sui diodi, diciamo tra 1,4 e 2 V).

no
Sì

Se non metti condensatori di livellamento, la tensione non viene livellata al valore di picco...
stefanob70 ha scritto:Piuttosto utilizzerei dei ponti raddr. da 25A con dissipatore incorporato e potrei metterli in parallelo
sfruttando la caduta di tensione dei 4 diodi...
Meglio non mettere due (o più) raddrizzatori in parallelo. Il diodo che si scalda di più riduce la sua caduta di tensione diretta e si becca sempre più corrente togliendola ai suoi compagni di parallelo, scaldandosi sempre più fino alla possibile distruzione.
stefanob70 ha scritto:preferisco usare una batteria...
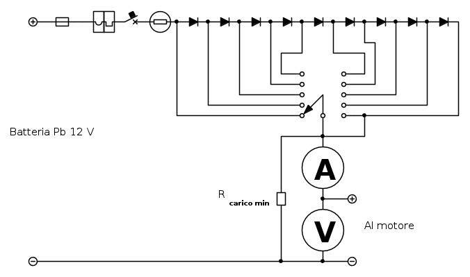
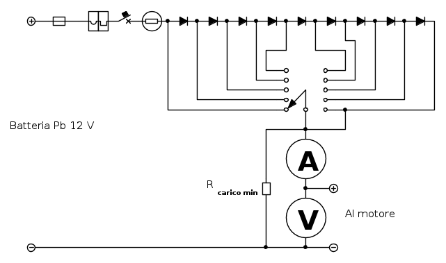
A questo proposito butto lì un circuito del genere:
Non ho raffigurato caricabatterie e batteria.
Dalla batteria troviamo nell'ordine un fusibile ritardato, un interruttore magnetotermico (o, meglio, solo magnetico), un termistore limitatore della corrente di spunto (es.
SL32 0R230) e tanti robusti diodi raddrizzatori (es.
VS-80EBU02), ciascuno dei quali aggiunge la sua caduta di tensione alla serie.
In pratica si riparte la dissipazione di potenza su tanti componenti e dovrebbe essere più semplice dissipare il calore generato.
Una resistenza di carico assicura che anche a motore non collegato si abbia caduta di tensione sui diodi e si possa avere un'idea leggendo il voltmetro di quella che sarà la tensione sotto carico.
Ho raffigurato un commutatore per selezionare la tensione. Non so se si trova e quanto costa un commutatore da 40 A. Eventualmente è sostituibile da interruttori che cortocircuitano 1, 2, 4 o più diodi della serie per impostare la tensione desiderata.
Non è un alimentatore stabilizzato, è un dinosauro appena più evoluto di un reostato, ma il circuito è semplice, relativamente economico e per collaudare motori potrebbe essere sufficiente.