Misuratore di ESR
Moderatore:
brabus
3
voti
[231] Re: Misuratore di ESR
Tutto il tempo che vuoi ... nel frattempo se sei piu comodo ad aprire i files direttamente con Eagle, te li ho caricati qui http://www.easybytez.com/3h58h07skpte
"Sopravvivere" e' attualmente l'unico lusso che la maggior parte dei Cittadini italiani,
sia pure a costo di enormi sacrifici, riesce ancora a permettersi.
sia pure a costo di enormi sacrifici, riesce ancora a permettersi.
-

Etemenanki
9.527 3 6 10 - Master

- Messaggi: 5951
- Iscritto il: 2 apr 2021, 23:42
- Località: Dalle parti di un grande lago ... :)
3
voti
[232] Re: Misuratore di ESR
Aspetta, mi sono appena accorto di averti allegato per errore la versione della schedina PIC senza buzzer (scusa, colpa mia
), quella con il buzzer aggiunto e' questa (sono comunque identiche come schema, a parte che in quella con il buzzer ho usato RA6 che nell'altra era inutilizzata)
http://www.easybytez.com/a8tm7t5u6z8h
http://www.easybytez.com/a8tm7t5u6z8h
"Sopravvivere" e' attualmente l'unico lusso che la maggior parte dei Cittadini italiani,
sia pure a costo di enormi sacrifici, riesce ancora a permettersi.
sia pure a costo di enormi sacrifici, riesce ancora a permettersi.
-

Etemenanki
9.527 3 6 10 - Master

- Messaggi: 5951
- Iscritto il: 2 apr 2021, 23:42
- Località: Dalle parti di un grande lago ... :)
1
voti
[233] Re: Misuratore di ESR
Controllerò di nuovo il tutto, ma penso che siamo molto prossimi a mandare i gerber a far preparare i PCB per fare qualche prova. Intanto, ho ricevuto i componenti passivi SMD che ho ordinato un po' di tempo fa, mandati i file in stampa faccio un ordine degli attivi e del PIC via Farnell.
Purtroppo il lavoro non mi lascia tregua, non posso guardare nulla almeno fino al weekend.
Purtroppo il lavoro non mi lascia tregua, non posso guardare nulla almeno fino al weekend.
Follow me on Mastodon: @davbucci@mastodon.sdf.org
-

DarwinNE
31,0k 7 11 13 - G.Master EY

- Messaggi: 4420
- Iscritto il: 18 apr 2010, 9:32
- Località: Grenoble - France
0
voti
[234] Re: Misuratore di ESR
Nessun problema, stiamo facendo qualcosa per divertirci, non abbiamo ne scadenze ne capoufficio dietro le spalle a darci il tormento 
( e beato te che il lavoro ce l'hai
)
( e beato te che il lavoro ce l'hai
"Sopravvivere" e' attualmente l'unico lusso che la maggior parte dei Cittadini italiani,
sia pure a costo di enormi sacrifici, riesce ancora a permettersi.
sia pure a costo di enormi sacrifici, riesce ancora a permettersi.
-

Etemenanki
9.527 3 6 10 - Master

- Messaggi: 5951
- Iscritto il: 2 apr 2021, 23:42
- Località: Dalle parti di un grande lago ... :)
5
voti
[235] Re: Misuratore di ESR
Piano piano sto procedendo anche io.
Come obbiettivi mi sono dato:
-Fare solo misura di esr con componente montato.
-Verifica componente in corto circuito DC.
-Utilizzo di soli componenti datati e non SMD.
In questo modo chi ha nel cassetto qualche operazionale tipo 741 Tl081 Tl082 CD4066 ADG441 può costruirsi uno strumentino utile senza comperare nulla per la parte analogica.
Per la parte microcontrollore io penso di farlo con Arduino magari Nano.
Per ora il "PCB" è in tecnica wire wrapp che si presta moltissimo per i prototipi un po' insidiosi.
Ho anche apportato qualche modifica a mio parere migliorativa.
In special modo il Mixer mi sembrava molto sensibile anche a minime derive e correnti in ingresso.
Detto in parole povere si metteva a fare il trigger.
Allora l'ho cambiato come da disegno.
Spero di non sconcertare nessuno.
Pensare che in questa tecnica ci facevano i primi computer.
Se a qualcuno può interessare il circuito con componenti Old Stile mi faccia sapere.
Nei prossimi giorni comincio con la parte digitale o almeno spero.
Ciao
Come obbiettivi mi sono dato:
-Fare solo misura di esr con componente montato.
-Verifica componente in corto circuito DC.
-Utilizzo di soli componenti datati e non SMD.
In questo modo chi ha nel cassetto qualche operazionale tipo 741 Tl081 Tl082 CD4066 ADG441 può costruirsi uno strumentino utile senza comperare nulla per la parte analogica.
Per la parte microcontrollore io penso di farlo con Arduino magari Nano.
Per ora il "PCB" è in tecnica wire wrapp che si presta moltissimo per i prototipi un po' insidiosi.
Ho anche apportato qualche modifica a mio parere migliorativa.
In special modo il Mixer mi sembrava molto sensibile anche a minime derive e correnti in ingresso.
Detto in parole povere si metteva a fare il trigger.
Allora l'ho cambiato come da disegno.
Spero di non sconcertare nessuno.
Pensare che in questa tecnica ci facevano i primi computer.
Se a qualcuno può interessare il circuito con componenti Old Stile mi faccia sapere.
Nei prossimi giorni comincio con la parte digitale o almeno spero.
Ciao
600 Elettra
0
voti
[236] Re: Misuratore di ESR
[OT]
Un mito!!!
[/OT]
stefanopc ha scritto:(...)
Per ora il "PCB" è in tecnica wire wrapp che si presta moltissimo per i prototipi un po' insidiosi.
(...)
Pensare che in questa tecnica ci facevano i primi computer.
(...)
Un mito!!!
[/OT]
Disapprovo quello che dite, ma difenderò fino alla morte il vostro diritto di dirlo [attribuita a Voltaire]
La gentilezza dovrebbe diventare lo stile naturale della vita, non l'eccezione [Siddhārtha Gautama]
La gentilezza dovrebbe diventare lo stile naturale della vita, non l'eccezione [Siddhārtha Gautama]
-

Max2433BO
18,6k 4 11 13 - G.Master EY

- Messaggi: 4724
- Iscritto il: 25 set 2013, 16:29
- Località: Universo - Via Lattea - Sistema Solare - Terzo pianeta...
0
voti
[237] Re: Misuratore di ESR
Bravissimo
stefanopc, è molto bello
Io da parte mia ho installato Eagle (che mi chiede di creare un account
) e sto guardando le schede preparate da
Etemenanki, non vedo nulla che mi faccia pensare ad ulteriori correzioni.
Ho giusto spostato il nome degli integrati fuori dal footprint, perché rimangano leggibili anche con i componenti montati ed aggiustato un po' la silkscreen.
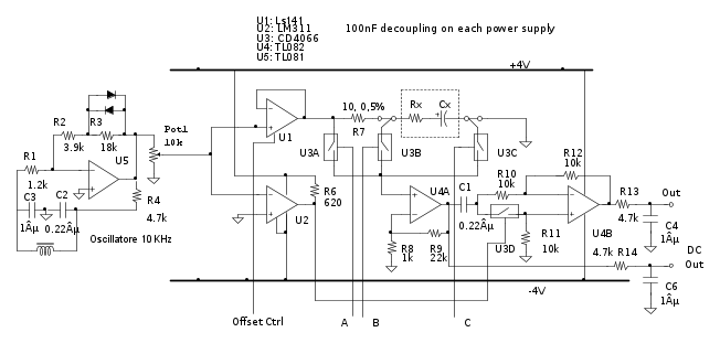
Ho fatto girare un ERC sullo schema della parte analogica, Eagle si lamenta che IC7 e IC2A hanno due uscite che sembrano poter andare in conflitto. Mi pare proprio che sia Eagle che si sbagli
Ho fatto un DRC sulla board analogica (senza configurare troppo le varie regole, a dire il vero), si lamenta per pezzi di pista aggiunti a mano qua e là, ma non mi pare che la scheda sia sbagliata.
Ho provato a creare i file Gerber, tutto è nel file testesmeter.zip in allegato. Se è tutto OK, provo a fare un ordine con PCBWay.
Sulla scheda PIC invece, facendo una verifica ERC ci sono degli errori "Close but not connected" e "Missing junction".
Etemenanki, ti spiace controllare se sullo stampato è tutto OK? Probabilmente ti viene più comodo a te, perché non sono più molto a mio agio con Eagle che è cambiato molto dalla versione di 14 anni fa che avevo l'abitudine di usare 
Io da parte mia ho installato Eagle (che mi chiede di creare un account
Ho giusto spostato il nome degli integrati fuori dal footprint, perché rimangano leggibili anche con i componenti montati ed aggiustato un po' la silkscreen.
Ho fatto girare un ERC sullo schema della parte analogica, Eagle si lamenta che IC7 e IC2A hanno due uscite che sembrano poter andare in conflitto. Mi pare proprio che sia Eagle che si sbagli
Ho fatto un DRC sulla board analogica (senza configurare troppo le varie regole, a dire il vero), si lamenta per pezzi di pista aggiunti a mano qua e là, ma non mi pare che la scheda sia sbagliata.
Ho provato a creare i file Gerber, tutto è nel file testesmeter.zip in allegato. Se è tutto OK, provo a fare un ordine con PCBWay.
Sulla scheda PIC invece, facendo una verifica ERC ci sono degli errori "Close but not connected" e "Missing junction".
- Allegati
-
testesrmeter.zip- (283.63 KiB) Scaricato 115 volte
Follow me on Mastodon: @davbucci@mastodon.sdf.org
-

DarwinNE
31,0k 7 11 13 - G.Master EY

- Messaggi: 4420
- Iscritto il: 18 apr 2010, 9:32
- Località: Grenoble - France
0
voti
[238] Re: Misuratore di ESR
Controllo subito, dammi qualche minuto ... ma che versione hai installato, per chiederti un'account ? ... la nuova di Autodesk e' spazzatura piena di bug, e non riesce neppure a caricare i files di versioni precedenti in modo corretto, serve usare la vecchia 7.7 di Cadsoftusa per poter lavorare senza problemi (se ti serve ce l'ho sia per Win che per Mac)
"Sopravvivere" e' attualmente l'unico lusso che la maggior parte dei Cittadini italiani,
sia pure a costo di enormi sacrifici, riesce ancora a permettersi.
sia pure a costo di enormi sacrifici, riesce ancora a permettersi.
-

Etemenanki
9.527 3 6 10 - Master

- Messaggi: 5951
- Iscritto il: 2 apr 2021, 23:42
- Località: Dalle parti di un grande lago ... :)
0
voti
[239] Re: Misuratore di ESR
Ho l'ultima versione. Quella che avevo già installata era credo del 2006 e non leggeva i tuoi file.
Comunque, non prevedo di usare Eagle per i miei progetti in futuro, userò sicuramente KiCad, a me basta che Eagle generi i file Gerber questa volta e mi pare che abbia funzionato correttamente.
Comunque, non prevedo di usare Eagle per i miei progetti in futuro, userò sicuramente KiCad, a me basta che Eagle generi i file Gerber questa volta e mi pare che abbia funzionato correttamente.
Follow me on Mastodon: @davbucci@mastodon.sdf.org
-

DarwinNE
31,0k 7 11 13 - G.Master EY

- Messaggi: 4420
- Iscritto il: 18 apr 2010, 9:32
- Località: Grenoble - France
0
voti
[240] Re: Misuratore di ESR
Vero, sullo stampato c'era la connessione ma sullo schema non risultava (il close but not connected, sarebbe risultato corretto lo stesso perche' avevo tirato comunque la pista, ma cosi almeno e' completo), i missing junction te li da quando dimentichi di disegnare i pallini ma la connessione c'e' lo stesso, corretti tutti, grazie.
Per quanto riguarda lo schema analogico, quando ho creato il componente ho indicato per errore uno dei pin come "out" invece che come "pas", per cui lui ti avverte che stai mandando insieme due uscite anche se non e' vero, corretto anche quello (comunque lo schema e lo stampato erano corretti, e' solo il controllo degli errori che ti avvisa perche' secondo lui i pin sono entrambi uscite, ed in effetti formalmente ha ragione anche se in pratica no).
http://www.easybytez.com/mmjxv0pcmtqp
Per quanto riguarda lo schema analogico, quando ho creato il componente ho indicato per errore uno dei pin come "out" invece che come "pas", per cui lui ti avverte che stai mandando insieme due uscite anche se non e' vero, corretto anche quello (comunque lo schema e lo stampato erano corretti, e' solo il controllo degli errori che ti avvisa perche' secondo lui i pin sono entrambi uscite, ed in effetti formalmente ha ragione anche se in pratica no).
http://www.easybytez.com/mmjxv0pcmtqp
"Sopravvivere" e' attualmente l'unico lusso che la maggior parte dei Cittadini italiani,
sia pure a costo di enormi sacrifici, riesce ancora a permettersi.
sia pure a costo di enormi sacrifici, riesce ancora a permettersi.
-

Etemenanki
9.527 3 6 10 - Master

- Messaggi: 5951
- Iscritto il: 2 apr 2021, 23:42
- Località: Dalle parti di un grande lago ... :)
Chi c’è in linea
Visitano il forum: Nessuno e 3 ospiti

Elettrotecnica e non solo (admin)
Un gatto tra gli elettroni (IsidoroKZ)
Esperienza e simulazioni (g.schgor)
Moleskine di un idraulico (RenzoDF)
Il Blog di ElectroYou (webmaster)
Idee microcontrollate (TardoFreak)
PICcoli grandi PICMicro (Paolino)
Il blog elettrico di carloc (carloc)
DirtEYblooog (dirtydeeds)
Di tutto... un po' (jordan20)
AK47 (lillo)
Esperienze elettroniche (marco438)
Telecomunicazioni musicali (clavicordo)
Automazione ed Elettronica (gustavo)
Direttive per la sicurezza (ErnestoCappelletti)
EYnfo dall'Alaska (mir)
Apriamo il quadro! (attilio)
H7-25 (asdf)
Passione Elettrica (massimob)
Elettroni a spasso (guidob)
Bloguerra (guerra)


