Cos'è ElectroYou | Login Iscriviti

ElectroYou - la comunità dei professionisti del mondo elettrico

TCA965 Clone

Progettazione collaborativa: dall'idea alla formazione del gruppo di lavoro per la realizzazione di un prodotto finito.

Moderatore: Foto Utentebrabus

1
voti

[31] Re: TCA965 Clone

Messaggioda Foto Utenteelfo » 28 giu 2019, 16:42

gianniniivo ha scritto:le resistenze che sullo schema sono senza indicazione della potenza da quanto s'intendono?
E i valori in Ohm devono essere selezionati o non ha importanza?

Prima di rispondere alla tue 2 domande - che dimostrano una tua immensa fiducia nelle mie capacita' :D - non so quanto ben riposta (vedi sotto punto 4) ) :( - vorrei rivolgerti cortesemente alcune domande (che fanno parte del mio metodo progettuale).

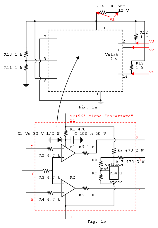
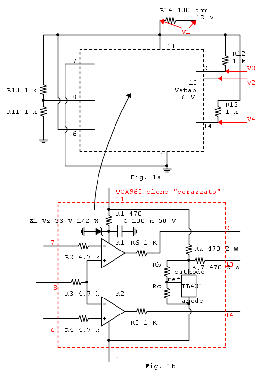
Guarda la figura qui sotto in cui:

- Fig. 1a e' il circuito di test (pubblicato nel post [145] dell'altro thread) che abbiamo utilizzato per testare i TCA965 "rotti".

- Fig. 1b e' il clone corazzato.

Il mio modo di procedere (lavorare) prevederebbe - prima di utilizzare il clone nel circuito di NE - di inserire il "corazzato" nel circuto di test per verificarne la funzionalita' in un ambito "semplificato".

Domande:

0) Qual e' il "fatto" che "certifica" - senza possibilita' di smentita - che il clone "funziona"?

1) Qualora facendo questo test (inserimento del clone nel circuito di test) non si ottenessero i risultati aspettati, quale potrebbe essere - a tuo giudizio - il motivo piu' probabile?

a) il circuito di Fig. 1b e' sbagliato

b) il circuito di Fig. 1a e' sbagliato e/o non adatto a testare il ciruito di Fig. 1b

c) il tutto (Fig. 1a + Fig. 1b) "funziona" ma il calcolo dei valori attesi e' errato mentre quelli misurati sono "giusti" (il circuito ha sempre ragione cit.).

d) la differenza tra i valori attesi e quelli misurati e' "fisiologica', ma non viene riconosciuta tale (cioe' troppo grossa/piccola rispetto a quella prevista)

e) i componenti utilizzati erano "rotti" all'origine

f) il circuito di Fig. 1b e' stato montato "male"

g) il circuito di Fig. 1b e' stato inserito "male" nel circuito di Fig. 1a

h) la strumentazione utilizata per le misure non e' "adeguata" alle misure e prove che vogliamo fare

i)...

j)....

k)...

2) Quali sono gli altri potenziali motivi (oltre a quelli elencati qui sopra) che potrebbero portare "a non far funzionare il tutto"?

3) Cosa proponi per ovviare ai potenziali problemi dei punti da a) a h)?

4) Ritieni che io abbia capacita' divinatorie cosi sviluppate da poter risolvere i problemi a distanza - dopo che il mio fallimento nella diagnosi sulla causa della rottura del TCA965 nell'altro thread ha conclamato che "'un ce l'ho" (le capacita' divinatorie)?

P.S
Tieni presente che lo snocciolamento da parte mia - con grande sicumera :( - di tutti i punti da a) a h) deriva dal fatto che questi errori li ho gia' commessi tutti (and counting).
Avatar utente
Foto Utenteelfo
6.819 4 5 7
G.Master EY
G.Master EY
 
Messaggi: 2828
Iscritto il: 15 lug 2016, 13:27

0
voti

[32] Re: TCA965 Clone

Messaggioda Foto Utentegianniniivo » 28 giu 2019, 17:33

Scusa Foto Utenteelfo ma ho capito soltanto l’italiano di ciò che hai scritto ma il concetto purtroppo no.
In altri termini, non riesco a correlare il senso del tuo ultimo post con il mio precedente.
Avatar utente
Foto Utentegianniniivo
9.045 7 11 13
No Rank
 
Messaggi: 2875
Iscritto il: 5 feb 2019, 23:50

1
voti

[33] Re: TCA965 Clone

Messaggioda Foto Utenteelfo » 28 giu 2019, 18:33

Nel mio post precedente [31] mancava una premessa:
Se al momento tutto ti sembrera' astruso, non temere - lo e' - ma sara' chiaro alla fine (spero) :mrgreen: .

Partiamo:
Capisco che il problema che ho posto e' complesso ma cerchero' di renderlo solubile.

Supponiamo di inserire il circuito di Fig. 1b in quello di Fig. 1a per testare 1b (i riferimenti sono quello del post [31])

Domanda:

Ritieni che quanto detto qui sopra sia una pratica utile / corretta / raccomandabile?

Oppure ti e' indifferente?
Avatar utente
Foto Utenteelfo
6.819 4 5 7
G.Master EY
G.Master EY
 
Messaggi: 2828
Iscritto il: 15 lug 2016, 13:27

0
voti

[34] Re: TCA965 Clone

Messaggioda Foto Utentegianniniivo » 28 giu 2019, 18:41

Credo che sia utile. Io non so cosa potrei personalmente rilevare ma visto che il tester lo hai progettato tu sono sicuro che tu saprai interpretare le letture.
Avatar utente
Foto Utentegianniniivo
9.045 7 11 13
No Rank
 
Messaggi: 2875
Iscritto il: 5 feb 2019, 23:50

1
voti

[35] Re: TCA965 Clone

Messaggioda Foto Utenteelfo » 28 giu 2019, 18:49

gianniniivo ha scritto:Io non so cosa potrei personalmente rilevare [cut] visto che il tester lo hai progettato tu

OK posizione legittima.

Ripropongo allora la domanda 0) e la riformulo in vari modi sperando di essere piu' chiaro.

0) Qual e' il "fatto" che "certifica" - senza possibilita' di smentita - che il clone "funziona"?

Cioe', se non utilizzi il tester di Fig. 1a, quale altro modo proponi per verificare che il clone funziona?

Ovvero - detto in un terzo modo - quali sono le cose da controllare e in quali condizioni per certificare che il clone (progetto + realizzazione) funziona?

Tieni presente che l'utilizzatore sei te e quindi sei l'unica persona legittimata a sentenziare funzia / non funzia (il caricabatteria)
Avatar utente
Foto Utenteelfo
6.819 4 5 7
G.Master EY
G.Master EY
 
Messaggi: 2828
Iscritto il: 15 lug 2016, 13:27

1
voti

[36] Re: TCA965 Clone

Messaggioda Foto Utentesetteali » 28 giu 2019, 19:06

Intanto ho tirato giù un PCB, che se non hai la possibilità di svilupparlo,puoi seguire le orme per copiarlo su millefori, ho preso come ingombro quella di 7x3.
Ho ricontrollato alcune volte e non mi pare di aver fatto errori ( ma si può sempre sperare :-) )
Alex
Allegati
PCB 965.png
Alex
https://www.facebook.com/Elettronicaeelettrotecnica

<< vedi di pigliare arditamente in mano, il dizionario che ti suona in bocca,
se non altro è schietto e paesano.
(Giuseppe Giusti) <<
Avatar utente
Foto Utentesetteali
11,9k 5 5 9
Master
Master
 
Messaggi: 5921
Iscritto il: 15 dic 2013, 21:09

0
voti

[37] Re: TCA965 Clone

Messaggioda Foto Utentegianniniivo » 28 giu 2019, 23:31

Beh, Foto Utenteelfo, io so procedere soltanto per vie semplici, primitive.

Collegherei nuovamente, ma in modo volante, il relay Finder, inserirei il clone nello zoccolo, collegherei un alimentatore alle pinze e tenterei di fare la taratura per vedere se avviene lo scatto e se si accende LED1.

Però continuo a non capire il senso di queste domande. Lo sai che sono un dilettante dell’elettronica...

Grazie a Foto Utentesetteali per la progettazione della PCB, utilizzabile anche con mille fori e piste a filo. Era più o meno quello che intendevo fare con Eagle. La differenza consiste nell’avere la necessità di fare coincidere le connessioni per l’integrato a 14 pin con 2 segmenti da 7 pin affiancati, come un vero integrato a 14 pin ma ritagliati da una striscia di intestazione a perno rotondo, maschio/maschio, come descritto al punto 24. Tuttavia avrei messo la doppia fila di pin, per emulare l'integrato da 14, nel centro della basetta. Inoltre avrei tentato di realizzare anch'io la versione "corazzata".
Ultima modifica di Foto Utentegianniniivo il 28 giu 2019, 23:49, modificato 1 volta in totale.
Avatar utente
Foto Utentegianniniivo
9.045 7 11 13
No Rank
 
Messaggi: 2875
Iscritto il: 5 feb 2019, 23:50

1
voti

[38] Re: TCA965 Clone

Messaggioda Foto Utentesetteali » 28 giu 2019, 23:48

Ciao,
se hai uno zoccolo a 14 pin ( tondi )nella parte superiore ci inserisci 8 fili e li saldi gli altri capi li saldi sul PCB seguendo la loro disposizione e così lo zoccolo lo inserisci al posto del TCA.
Alex
Alex
https://www.facebook.com/Elettronicaeelettrotecnica

<< vedi di pigliare arditamente in mano, il dizionario che ti suona in bocca,
se non altro è schietto e paesano.
(Giuseppe Giusti) <<
Avatar utente
Foto Utentesetteali
11,9k 5 5 9
Master
Master
 
Messaggi: 5921
Iscritto il: 15 dic 2013, 21:09

0
voti

[39] Re: TCA965 Clone

Messaggioda Foto Utentegianniniivo » 28 giu 2019, 23:51

Si è vero, si potrebbe fare anche così. Non so cosa succederebbe alla plastica dello zoccolo a seguito della saldatura...
Avatar utente
Foto Utentegianniniivo
9.045 7 11 13
No Rank
 
Messaggi: 2875
Iscritto il: 5 feb 2019, 23:50

1
voti

[40] Re: TCA965 Clone

Messaggioda Foto Utentesetteali » 28 giu 2019, 23:54

se non insisti troppo con il saldatore ed usi dei fili che si saldano bene non succede niente è una plastica molto dura.
Alex
Alex
https://www.facebook.com/Elettronicaeelettrotecnica

<< vedi di pigliare arditamente in mano, il dizionario che ti suona in bocca,
se non altro è schietto e paesano.
(Giuseppe Giusti) <<
Avatar utente
Foto Utentesetteali
11,9k 5 5 9
Master
Master
 
Messaggi: 5921
Iscritto il: 15 dic 2013, 21:09

PrecedenteProssimo

Torna a Crowd Design

Chi c’è in linea

Visitano il forum: Nessuno e 6 ospiti