Alimentatore a controllo digitale
Moderatore:
brabus
0
voti
Microchip Library for Application.
"La follia sta nel fare sempre la stessa cosa aspettandosi risultati diversi".
"Parla soltanto quando sei sicuro che quello che dirai è più bello del silenzio".
Rispondere è cortesia, ma lasciare l'ultima parola ai cretini è arte.
"Parla soltanto quando sei sicuro che quello che dirai è più bello del silenzio".
Rispondere è cortesia, ma lasciare l'ultima parola ai cretini è arte.
-

TardoFreak
73,9k 8 12 13 - -EY Legend-

- Messaggi: 15754
- Iscritto il: 16 dic 2009, 11:10
- Località: Torino - 3° pianeta del Sistema Solare
0
voti
Grazie..
Non ho capito il modulo grafico,ci riferiamo sempre al controller HD44780?
Se fosse cosi basterebbe riadattare il codice secondo le righe e colonne del display da utilizzare..sempre se
ho capito bene..
Non ho capito il modulo grafico,ci riferiamo sempre al controller HD44780?
Se fosse cosi basterebbe riadattare il codice secondo le righe e colonne del display da utilizzare..sempre se
ho capito bene..
⋮ƎlectroYou
-

stefanob70
14,1k 5 11 13 - Master EY

- Messaggi: 3190
- Iscritto il: 14 lug 2012, 13:14
- Località: Roma
0
voti
Il 44780 non è grafico e le funzioni sono già disponibili in uno dei miei articoli.
Per il resto suggerisco con vivamente e vibratamente di scaricarsi la MLA dal sito della Microchip e spenderci un po' di tempo per guardare e provare cosa c'è dentro.
C'è di tutto.
Dal filesystem alle librerie grafiche. E ci sono applicazioni per tutto, una vera miniera d'oro per chi vuole lavorare con i PIC.
Per il resto suggerisco con vivamente e vibratamente di scaricarsi la MLA dal sito della Microchip e spenderci un po' di tempo per guardare e provare cosa c'è dentro.
C'è di tutto.
Dal filesystem alle librerie grafiche. E ci sono applicazioni per tutto, una vera miniera d'oro per chi vuole lavorare con i PIC.
"La follia sta nel fare sempre la stessa cosa aspettandosi risultati diversi".
"Parla soltanto quando sei sicuro che quello che dirai è più bello del silenzio".
Rispondere è cortesia, ma lasciare l'ultima parola ai cretini è arte.
"Parla soltanto quando sei sicuro che quello che dirai è più bello del silenzio".
Rispondere è cortesia, ma lasciare l'ultima parola ai cretini è arte.
-

TardoFreak
73,9k 8 12 13 - -EY Legend-

- Messaggi: 15754
- Iscritto il: 16 dic 2009, 11:10
- Località: Torino - 3° pianeta del Sistema Solare
0
voti
Sarebbe molto interessante,ma il tempo e' tiranno...
comunque credo che a noi basti una classica visualizzazione della tensione(V) e corrente(I) e regolazione della tensione di uscita(Vo),almeno rendiamo il codice piu' leggero.
Per il codice puo' aiutarci qualcuno
TardoFreak ?ovviamente senza il minimo impegno,e libera partecipazione...
comunque credo che a noi basti una classica visualizzazione della tensione(V) e corrente(I) e regolazione della tensione di uscita(Vo),almeno rendiamo il codice piu' leggero.
Per il codice puo' aiutarci qualcuno
⋮ƎlectroYou
-

stefanob70
14,1k 5 11 13 - Master EY

- Messaggi: 3190
- Iscritto il: 14 lug 2012, 13:14
- Località: Roma
0
voti
Io purtroppo da qui in avanti non sarò in grado di seguire nessun nuovo progetto, purtroppo anche progetti che riguardano il mio lavoro. 
"La follia sta nel fare sempre la stessa cosa aspettandosi risultati diversi".
"Parla soltanto quando sei sicuro che quello che dirai è più bello del silenzio".
Rispondere è cortesia, ma lasciare l'ultima parola ai cretini è arte.
"Parla soltanto quando sei sicuro che quello che dirai è più bello del silenzio".
Rispondere è cortesia, ma lasciare l'ultima parola ai cretini è arte.
-

TardoFreak
73,9k 8 12 13 - -EY Legend-

- Messaggi: 15754
- Iscritto il: 16 dic 2009, 11:10
- Località: Torino - 3° pianeta del Sistema Solare
1
voti
Dovrei riuscire a fare qualcosa io. Almeno ci povo.
"Houston, Tranquillity Base here. The Eagle has landed." - Neil A.Armstrong
-------------------------------------------------------------
PIC Experience - http://www.picexperience.it
-------------------------------------------------------------
PIC Experience - http://www.picexperience.it
-

Paolino
32,6k 8 12 13 - G.Master EY

- Messaggi: 4226
- Iscritto il: 20 gen 2006, 11:42
- Località: Vigevano (PV)
0
voti
Non preoccuparti
TardoFreak so quello che stai passando...
Per
Paolino grazie per la disponibilita',se pensi di contribuire al progetto ben venga e senza impegno ovviamente.. 
Per

⋮ƎlectroYou
-

stefanob70
14,1k 5 11 13 - Master EY

- Messaggi: 3190
- Iscritto il: 14 lug 2012, 13:14
- Località: Roma
1
voti
Ciao ragazzi qualcuno ha voglia e tempo di riesumare il progetto?


⋮ƎlectroYou
-

stefanob70
14,1k 5 11 13 - Master EY

- Messaggi: 3190
- Iscritto il: 14 lug 2012, 13:14
- Località: Roma
0
voti
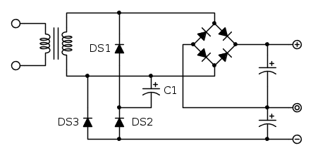
brabus ha scritto:Se invece vogliamo scendere fino a zero, dobbiamo generarci in qualche modo i -5V: trasformatore con un secondario ausiliario o un convertitore switching di servizio.
Ci sarebbe anche il circuito raddoppiatore di tensione, che collegato opportunamente permette di ottenere una tensione negativa, ovviamente con poca corrente, ma che una volta stabilizzata può servire per scendere fino a 0 V:
Il diodo DS3 è utile in casi eccezionali per proteggere il condensatore C1 da inversioni di polarità.
È un raddoppiatore a singola semionda. Si potrebbe anche fare a doppia semionda, ma non credo che ne valga la pena.
Big fan of ⋮ƎlectroYou! Ausili per disabili e anziani su ⋮ƎlectroYou
Caratteri utili: À È É Ì Ò Ó Ù α β γ δ ε η θ λ μ π ρ σ τ φ ω Ω º ª ² ³ √ ∛ ∜ ₀ ₁ ₂ ₃ ₄ ₅ ₆ ∃ ∄ ∆ ∈ ∉ ± ∓ ∾ ≃ ≈ ≠ ≤ ≥
Caratteri utili: À È É Ì Ò Ó Ù α β γ δ ε η θ λ μ π ρ σ τ φ ω Ω º ª ² ³ √ ∛ ∜ ₀ ₁ ₂ ₃ ₄ ₅ ₆ ∃ ∄ ∆ ∈ ∉ ± ∓ ∾ ≃ ≈ ≠ ≤ ≥
1
voti
stefanob70 ha scritto:Ciao ragazzi qualcuno ha voglia e tempo di riesumare il progetto?
Domani, se trovo il tempo, recupero lo schema che avevo già provato e che funzionava molto bene.

"La follia sta nel fare sempre la stessa cosa aspettandosi risultati diversi".
"Parla soltanto quando sei sicuro che quello che dirai è più bello del silenzio".
Rispondere è cortesia, ma lasciare l'ultima parola ai cretini è arte.
"Parla soltanto quando sei sicuro che quello che dirai è più bello del silenzio".
Rispondere è cortesia, ma lasciare l'ultima parola ai cretini è arte.
-

TardoFreak
73,9k 8 12 13 - -EY Legend-

- Messaggi: 15754
- Iscritto il: 16 dic 2009, 11:10
- Località: Torino - 3° pianeta del Sistema Solare
Chi c’è in linea
Visitano il forum: Nessuno e 14 ospiti

Elettrotecnica e non solo (admin)
Un gatto tra gli elettroni (IsidoroKZ)
Esperienza e simulazioni (g.schgor)
Moleskine di un idraulico (RenzoDF)
Il Blog di ElectroYou (webmaster)
Idee microcontrollate (TardoFreak)
PICcoli grandi PICMicro (Paolino)
Il blog elettrico di carloc (carloc)
DirtEYblooog (dirtydeeds)
Di tutto... un po' (jordan20)
AK47 (lillo)
Esperienze elettroniche (marco438)
Telecomunicazioni musicali (clavicordo)
Automazione ed Elettronica (gustavo)
Direttive per la sicurezza (ErnestoCappelletti)
EYnfo dall'Alaska (mir)
Apriamo il quadro! (attilio)
H7-25 (asdf)
Passione Elettrica (massimob)
Elettroni a spasso (guidob)
Bloguerra (guerra)
