Grazie..
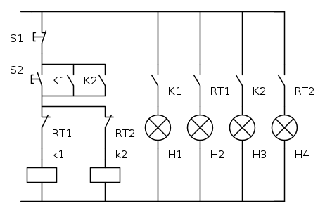
Schema FidocadJ con lib. elettrotecnica.
0
voti
cinque ha scritto:se lo disegnavi a mano e poi lo scannerizzavi, avresti fatto prima
disegnarlo-scannerizzarlo-alegare l'immagine al topic...mmh...è di gran lunga molto meglio fidocaj, ed il problema non è certo del software che non funziona, sono io che non so utilizzarlo come si dovrebbe...
0
voti
Puoi usare l' opzione di fare il copia-incolla senza riferimenti alle librerie.
Il sorgente diventa piu' lungo e difficoltoso da modificare ma ... almeno si vede.
Il sorgente diventa piu' lungo e difficoltoso da modificare ma ... almeno si vede.
"La follia sta nel fare sempre la stessa cosa aspettandosi risultati diversi".
"Parla soltanto quando sei sicuro che quello che dirai è più bello del silenzio".
Rispondere è cortesia, ma lasciare l'ultima parola ai cretini è arte.
"Parla soltanto quando sei sicuro che quello che dirai è più bello del silenzio".
Rispondere è cortesia, ma lasciare l'ultima parola ai cretini è arte.
-

TardoFreak
73,9k 8 12 13 - -EY Legend-

- Messaggi: 15754
- Iscritto il: 16 dic 2009, 11:10
- Località: Torino - 3° pianeta del Sistema Solare
0
voti
TardoFreak ha scritto:Puoi usare l' opzione di fare il copia-incolla senza riferimenti alle librerie.
la libreria ch eho specificato si riferisce alla parte di componenti che non si vedono, per il disegno ho utilizzato copia/incolla del codice sorgente del disegno stesso, senza riferimenti a nessuna libreria, anche se non saprei come fare quest'ultima operazione..
0
voti
Vai in vista -> opzioni -> Estensioni FidocadJ e spunti la casella "Suddividere le macro non standard durante il copia/incolla".
"La follia sta nel fare sempre la stessa cosa aspettandosi risultati diversi".
"Parla soltanto quando sei sicuro che quello che dirai è più bello del silenzio".
Rispondere è cortesia, ma lasciare l'ultima parola ai cretini è arte.
"Parla soltanto quando sei sicuro che quello che dirai è più bello del silenzio".
Rispondere è cortesia, ma lasciare l'ultima parola ai cretini è arte.
-

TardoFreak
73,9k 8 12 13 - -EY Legend-

- Messaggi: 15754
- Iscritto il: 16 dic 2009, 11:10
- Località: Torino - 3° pianeta del Sistema Solare
0
voti
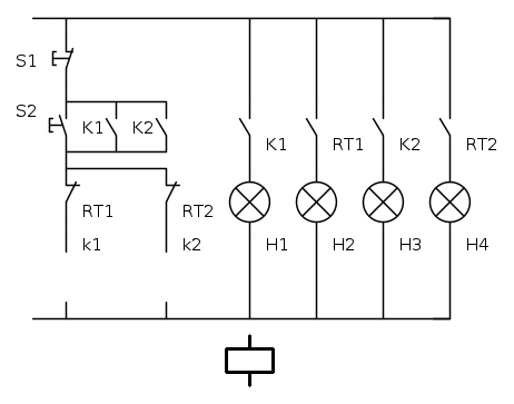
Ho provato, come hai indicato, e guarda un po':
0
voti
TardoFreak ha scritto:Vai in vista -> opzioni -> Estensioni FidocadJ e spunti la casella "Suddividere le macro non standard durante il copia/incolla".
Esattamente. Aggiungo una breve spiegazione di cosa succede. Una libreria FidoCad/FidoCadJ è una collezione di simboli che non sono altro che dei disegni FidoCadJ messi uno di fila all'altro.
Mentre fai il disegno, conviene considerare un interruttore come un interruttore... e non come un insieme di linee.
La libreria chiamata "Libreria standard" è quella originale di FidoCad e pertanto ereditata da FidoCadJ. La distribuzione di FidoCad per Windows include anche "PCB footprints" ed a queste due FidoCadJ vi aggiunge anche la bellissima "IHRAM 3.0". Dato che ElectroYou utilizza FidoCadJ per ottenere l'immagine a partire dal codice, i disegni che utilizzano simboli presenti in queste tre librerie saranno resi correttamente.
Si possono poi aggiungere altre librerie, come hai fatto tu con quella relativa all'elettrotecnica, ma bisonga ricordarsi che non faranno parte della distribuzione di base.
Quando le opzioni "Suddividere le macro non standard..." sono attivate, il programma suddivide TUTTI i simboli che NON appartengono alla collezione "Libreria standard" negli elementi che li compongono. Non è più possibile trattarli come un simbolo unico, ma il codice ottenuto (seppure un po' più ingombrante) sarà compatibile anche con chi non avrà installate le librerie aggiuntive. A seconda dei casi, potrebbe essere utile suddividere le macro durante il copia/incolla (per esempio per inserire quanto disegnato qui su ElectroYou), oppure durante il salvataggio (per passare il file ad un collega). Per questa ragione, FidoCadJ distingue fra le due operazioni.
A proposito, ricordo il sitarello dove ho raccolto quelle che sono riuscito, con il permesso degli autori:
http://davbucci.chez-alice.fr/index.php ... e=Italiano
Ne approfitto: che ne pensate della libreria elettrotecnica.fcl? La trovate ben fatta?
Follow me on Mastodon: @davbucci@mastodon.sdf.org
-

DarwinNE
31,0k 7 11 13 - G.Master EY

- Messaggi: 4420
- Iscritto il: 18 apr 2010, 9:32
- Località: Grenoble - France
0
voti
Salve Darwin e grazie per la spiegazione,
la libreria senz'altro è utile, e ben impostata, anche se più che Elettrotecnica, la chiamerei Impianti Elettrici, con l'aggiunta di qualche importante componente che manca..
DarwinNE ha scritto:Ne approfitto: che ne pensate della libreria elettrotecnica.fcl? La trovate ben fatta?
la libreria senz'altro è utile, e ben impostata, anche se più che Elettrotecnica, la chiamerei Impianti Elettrici, con l'aggiunta di qualche importante componente che manca..
0
voti
mir ha scritto:la libreria senz'altro è utile, e ben impostata, anche se più che Elettrotecnica, la chiamerei Impianti Elettrici, con l'aggiunta di qualche importante componente che manca..
Ottimo. In realtà, stavo accarezzando l'idea di includerla fra le librerie interne di FidoCadJ, ma non occupandomi di impianti, non saprei giudicarne l'effettivo valore. Cosa manca secondo te? Devo infatti tradurla tutta in inglese, casomai decidessi di includerla e sarebbe meglio fare questo lavoro su un file completo
Per chi fosse interessato, ecco la corrispondenza che ho avuto con Maurizio, l'autore della libreria:
https://sourceforge.net/projects/fidoca ... ic/4081566
https://sourceforge.net/projects/fidoca ... ic/4377718
Follow me on Mastodon: @davbucci@mastodon.sdf.org
-

DarwinNE
31,0k 7 11 13 - G.Master EY

- Messaggi: 4420
- Iscritto il: 18 apr 2010, 9:32
- Località: Grenoble - France
Chi c’è in linea
Visitano il forum: Nessuno e 7 ospiti

Elettrotecnica e non solo (admin)
Un gatto tra gli elettroni (IsidoroKZ)
Esperienza e simulazioni (g.schgor)
Moleskine di un idraulico (RenzoDF)
Il Blog di ElectroYou (webmaster)
Idee microcontrollate (TardoFreak)
PICcoli grandi PICMicro (Paolino)
Il blog elettrico di carloc (carloc)
DirtEYblooog (dirtydeeds)
Di tutto... un po' (jordan20)
AK47 (lillo)
Esperienze elettroniche (marco438)
Telecomunicazioni musicali (clavicordo)
Automazione ed Elettronica (gustavo)
Direttive per la sicurezza (ErnestoCappelletti)
EYnfo dall'Alaska (mir)
Apriamo il quadro! (attilio)
H7-25 (asdf)
Passione Elettrica (massimob)
Elettroni a spasso (guidob)
Bloguerra (guerra)

