Non c'entrano le librerie.
Devi invertire l'operazione che fai.
1)disegni lo schema su fidocad
2)Lo selezioni
3)fai copia
4)ora fai incolla nella finestra wiki
5)Seleziona il codice che hai incollato
6)clicca ora sul pulsante fidocad
Schemi con FidoCadJ nel blog
23 messaggi
• Pagina 2 di 3 • 1, 2, 3
0
voti
Igor
-

elettrodomus
10,1k 6 11 13 - G.Master EY

- Messaggi: 2607
- Iscritto il: 28 gen 2011, 22:38
- Località: Bassa Bresciana
0
voti
@
elettrodomus
visto che hai risolto, il supporto di
admin non manca mai..
contraccambio con piacere il Saluto .
visto che hai risolto, il supporto di
contraccambio con piacere il Saluto .

0
voti
elettrodomus ha scritto:Faccio così:
clicco su
Quindi copio fra i tag il codice dello schema, avevo il dubbio sulle librerie o sul layer....
Come ti ha detto Admin c'e' un bug che impedisce di visualizzare lo schema.
Io avevo lo stesso problema e lo ha risolto cosi':
evidenziare lo schema
copiare lo schema
incollare lo schema sull'articolo
evidenziarlo
cliccare su fcd.

P.S. vedo che gli articoli si sono sovrapposti.
marco
-

elettrodomus
10,1k 6 11 13 - G.Master EY

- Messaggi: 2607
- Iscritto il: 28 gen 2011, 22:38
- Località: Bassa Bresciana
2
voti
jormay ha scritto:Ma e' a pagamento? No! Scusate ancora la mia inesperienza.
Come ti han già detto gli altri, il sistema è gratuito e tale resterà anche in futuro!
http://www.electroyou.it/darwinne/wiki/ ... idoCadJ.3F
Follow me on Mastodon: @davbucci@mastodon.sdf.org
-

DarwinNE
31,0k 7 11 13 - G.Master EY

- Messaggi: 4420
- Iscritto il: 18 apr 2010, 9:32
- Località: Grenoble - France
0
voti
Beh insomma e' una meraviglia .. io lo uso da qui http://davbucci.chez-alice.fr/index.php?argument=elettronica/fidoreadj/fidocadj_applet.inc&language=Italiano quindi dall'applet
Questa versione magari ... ma non vedo motivi per non farne una commerciale. Nel senso che se vendi devi anche assistere e quindi e' giusto che chi ha fatto lo sforzo e lo mantiene venga ripagato. O no?
Va che roba:
E' un ... + 1 ma ci vorrebbe l'opzione Ki (si usa solo due volte nella vita) e la reputation aggiunta e' 10 E+6
ad entrambi
webmaster a
DarwinNE.
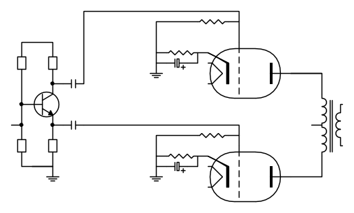
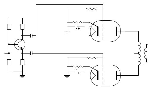
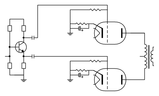
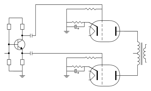
Addirittura la valvole e i blocchi BJT (non so come mai qui non si vede il secondario del trafo push-pull ???)

Questa versione magari ... ma non vedo motivi per non farne una commerciale. Nel senso che se vendi devi anche assistere e quindi e' giusto che chi ha fatto lo sforzo e lo mantiene venga ripagato. O no?
Va che roba:
E' un ... + 1 ma ci vorrebbe l'opzione Ki (si usa solo due volte nella vita) e la reputation aggiunta e' 10 E+6

ad entrambi
Addirittura la valvole e i blocchi BJT (non so come mai qui non si vede il secondario del trafo push-pull ???)

0
voti
Probabilmente, quando hai selezionato lo schema, hai lasciato fuori la parte mancante che, come vedi, ora e' tornata!

marco
23 messaggi
• Pagina 2 di 3 • 1, 2, 3
Chi c’è in linea
Visitano il forum: Nessuno e 5 ospiti

Elettrotecnica e non solo (admin)
Un gatto tra gli elettroni (IsidoroKZ)
Esperienza e simulazioni (g.schgor)
Moleskine di un idraulico (RenzoDF)
Il Blog di ElectroYou (webmaster)
Idee microcontrollate (TardoFreak)
PICcoli grandi PICMicro (Paolino)
Il blog elettrico di carloc (carloc)
DirtEYblooog (dirtydeeds)
Di tutto... un po' (jordan20)
AK47 (lillo)
Esperienze elettroniche (marco438)
Telecomunicazioni musicali (clavicordo)
Automazione ed Elettronica (gustavo)
Direttive per la sicurezza (ErnestoCappelletti)
EYnfo dall'Alaska (mir)
Apriamo il quadro! (attilio)
H7-25 (asdf)
Passione Elettrica (massimob)
Elettroni a spasso (guidob)
Bloguerra (guerra)







