Visto che lo smonta/rimonta è così rognoso, perché non sostituire tutto il gruppo interruttori con degli switch come si deve?
Certo, la spesa lieviterebbe ma se il resto della cappa è in buone condizioni (dalle foto pare sia così) due conti si possono fare
Cappa Whirlpool - Problema con la massima velocita'
30 messaggi
• Pagina 2 di 3 • 1, 2, 3
0
voti
Metallo ha scritto:Questo secondo me, rende la prova che suggerisci, praticamente inutile perché gli interruttori sono tutti uguali.
Non sono d'accordo, la prova che consigliavo io era per escludere altre cose, come ad esempio un mancato contatto sul connettore bianco dove passano tutti i fili della pulsantiera, in modo da essere sicuri che il problema sia sull'interruttore (al 99% è lì, ma prima di iniziare a forare o sostituire pezzi), poi, vedi tu.
Se preferisci la prova è equivalente a mettere in contatto il filo marrone con quello nero per vedere se effettivamente il motore si avvia alla terza velocità.
Metallo ha scritto:uno switch del genere in Cina costa non più di € 1.00
L'unica cosa che ti raccomando è attenzione, non è uno switch per pilotare un led a 12V, ma vai a comandare un motore (anche se piccolo) a 120 V AC da 1.2 A nominali, la corrente di spunto potrebbe arrivare anche a 4 volte tanto, se sostituisci anche quelli delle altre velocità calcola che il carico visto sarà di tipo capacitivo.
0
voti
@Nicsergio: Va bene, proverò a fare il test da te suggerito per tagliare la testa al toro.
@Alev: Si la cappa e' come nuova, anche il motore e' pulitissimo, ma tu hai idea dove potrei trovare degli interruttori del genere online? Sai, bene o male, lo switch attuale ha durato 10 anni, se ne compro un altro schifoso cosi' probabilmente dura lo stesso tempo, forse non vale la pensa mettersi a lavorarci sopra per un altro switch, mi sa che le modifiche da fare siano diverse, a meno che tu non stessi pensando a pulsanti individuali da collegare ognuno individualmente, tipo: 4 fori 4 mini interruttori.
Alessandro
@Alev: Si la cappa e' come nuova, anche il motore e' pulitissimo, ma tu hai idea dove potrei trovare degli interruttori del genere online? Sai, bene o male, lo switch attuale ha durato 10 anni, se ne compro un altro schifoso cosi' probabilmente dura lo stesso tempo, forse non vale la pensa mettersi a lavorarci sopra per un altro switch, mi sa che le modifiche da fare siano diverse, a meno che tu non stessi pensando a pulsanti individuali da collegare ognuno individualmente, tipo: 4 fori 4 mini interruttori.
Alessandro
-

Metallo
26 2 - Utente disattivato per decisione dell'amministrazione proprietaria del sito
- Messaggi: 36
- Iscritto il: 28 feb 2013, 4:15
- Località: Canada
0
voti
Metallo ha scritto:@Alev: Si la cappa e' come nuova, anche il motore e' pulitissimo, ma tu hai idea dove potrei trovare degli interruttori del genere online? Sai, bene o male, lo switch attuale ha durato 10 anni, se ne compro un altro schifoso cosi' probabilmente dura lo stesso tempo
Online, esistono diversi siti dove fare acquisti del genere (mouser, digikey, distrelec), ne esistono altri ma spesso richiedono la partita IVA
Io userei un commutatore rotativo, se metti le specifiche del motore, posso darti una mano nella ricerca
0
voti
Propongo un ripiego ( mi riferisco allo schema elettrico del post 4):
Cortocircuita il condensatore da 15 uF.
Premendo il pulsante R avrai la massima velocità (visto che il pulsante BK pare guasto).
Perderai la velocità minima, ma forse non è importante.

Cortocircuita il condensatore da 15 uF.
Premendo il pulsante R avrai la massima velocità (visto che il pulsante BK pare guasto).
Perderai la velocità minima, ma forse non è importante.

0
voti
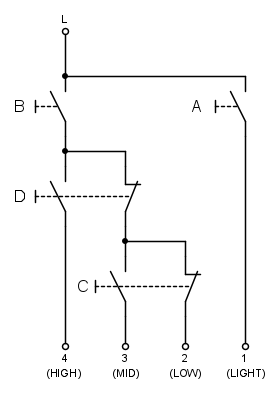
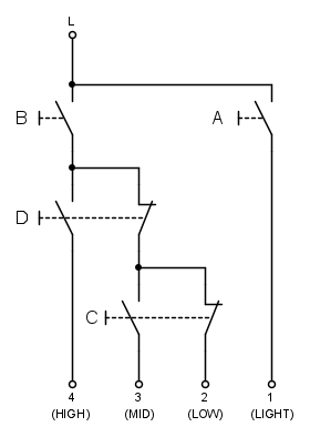
Lo schema che avevo riportato al post 4 era semplificato per mostrare il principio di funzionamento, il commutatore della cappa è un po' più articolato da quello che si vede nella foto e dovrebbe essere così:
La mia proposta di prova, ovvero usare l'interruttore C per l'alta velocità e rinunciare alla media, lasciando inutilizzato l'interruttore D che sembra non funzionare (almeno per quanto riguarda il contatto NO) potrebbe essere considerata un ripiego equivalente a quanto proposto da
MarcoD.
La mia proposta di prova, ovvero usare l'interruttore C per l'alta velocità e rinunciare alla media, lasciando inutilizzato l'interruttore D che sembra non funzionare (almeno per quanto riguarda il contatto NO) potrebbe essere considerata un ripiego equivalente a quanto proposto da
0
voti
È articolato, ma dovrebbe comunque essere sostituibile con un commutatore rotativo
-

SediciAmpere
4.187 5 5 8 - Master

- Messaggi: 4848
- Iscritto il: 31 ott 2013, 15:00
0
voti
Se il rotativo a 4 posizioni non si trova, può essere sostituito con uno da 3 posizioni con l'aggiunta di un interruttore per lo spegnimento
0
voti
Se preferisci la prova è equivalente a mettere in contatto il filo marrone con quello nero per vedere se effettivamente il motore si avvia alla terza velocità.
@Nicsergio: Intendi sullo switch immagino?
Quindi disconnettere il nero dal 4 e connetterlo insieme al marrone L?
I due sono già connessi nella morsettiera:
Quindi penso sia nello switch per provare che il numero 4 e' il problema?
Quindi premendo il 1°pulsante sulla sinistra (I+L) dovrebbe andare alla massima velocità, oltre ad accendere la luce.
E se invece il motore non parte lo stesso?
Me lo confermi prima che faccia una stupidaggine?
Grazie!
Alessandro
-

Metallo
26 2 - Utente disattivato per decisione dell'amministrazione proprietaria del sito
- Messaggi: 36
- Iscritto il: 28 feb 2013, 4:15
- Località: Canada
30 messaggi
• Pagina 2 di 3 • 1, 2, 3
Torna a Costruzione, riparazione, riutilizzo
Chi c’è in linea
Visitano il forum: Google [Bot] e 29 ospiti

Elettrotecnica e non solo (admin)
Un gatto tra gli elettroni (IsidoroKZ)
Esperienza e simulazioni (g.schgor)
Moleskine di un idraulico (RenzoDF)
Il Blog di ElectroYou (webmaster)
Idee microcontrollate (TardoFreak)
PICcoli grandi PICMicro (Paolino)
Il blog elettrico di carloc (carloc)
DirtEYblooog (dirtydeeds)
Di tutto... un po' (jordan20)
AK47 (lillo)
Esperienze elettroniche (marco438)
Telecomunicazioni musicali (clavicordo)
Automazione ed Elettronica (gustavo)
Direttive per la sicurezza (ErnestoCappelletti)
EYnfo dall'Alaska (mir)
Apriamo il quadro! (attilio)
H7-25 (asdf)
Passione Elettrica (massimob)
Elettroni a spasso (guidob)
Bloguerra (guerra)



