Cos'è ElectroYou | Login Iscriviti

ElectroYou - la comunità dei professionisti del mondo elettrico

Alimentatore da autocostruirsi.

Tecniche per la costruzione e la riparazione di apparecchiature elettriche e non. Ricerca guasti. Adattamenti e riutilizzazioni
0
voti

[151] Re: Alimentatore da autocostruirsi.

Messaggioda Foto Utenteedgar » 19 ago 2020, 23:51

edgar ha scritto:
setteali ha scritto:guarderò se richiedertelo o meno

Ho una mezza idea su come aggiungere la funzione di cui si parlava

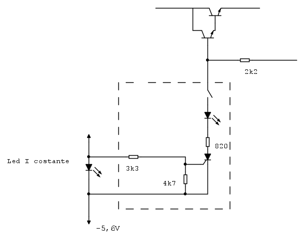
Foto Utentesetteali, la mezza idea è diventata un circuito :ok:

Ho sfruttato il led che indica l'intervento della limitazione di corrente. Il funzionamento è elementare: quando l'interruttore è aperto il funzionamento è classico a caratteristica rettangolare, Chiudendo l'interruttore, all'accensione del LED di limitazione della corrente, si innesca l'SCR, che tira giù la base della catena di transistor serie, portando la tensione di uscita a zero (o quasi) e accendendo il relativo LED. Per resettare il circuito basta aprire momentaneamente l'interruttore. Ho usato un SCR in TO5 di caratteristiche sconosciute che avevo in giro, se lo costruisci potrebbe essere necessario ritoccare il valore delle resistenze.
Buone prove
Avatar utente
Foto Utenteedgar
10,0k 4 5 8
Master
Master
 
Messaggi: 5230
Iscritto il: 15 set 2012, 22:59

0
voti

[152] Re: Alimentatore da autocostruirsi.

Messaggioda Foto Utenteelfo » 20 ago 2020, 8:21

Riporto lo schema semplificato della sezione di crowbar di un alimentatore italiano di ottima qualita' "old school" (anni' 70).

Lo schema e' classico ma con alcune "chicche".
(per togliere ogni obiezione iniziale Q1 e' un triplo darlington doppio).

L'alimentatore eroga 0 - 6 V, 0 - 5 A.

In uscita e' presente un condensatore da 2200 uF che ha sufficiente energia da "sfondare" molti carichi.

E' per questa presenza che il crowbar (SCR 10 A) e' posto sull'uscita in modo da cortocircuitare anche il condensatore.

Per limitare la corrente di picco dovuta alla scarica del condensatore e' posta - in serie all'SCR - una resistenza da 0.05 ohm 5 W (presumo a filo in modo da poter reggere la potenza di picco di circa 1 kW).
Da questa resistenza e' derivata anche la tensione per la funzione descritta nel paragrafo seguente.

La resistenza R2 collegata al pin invertente dell'OP-Amp deputato alla regolazione della corrente forza - quando interviene il crowbar - il circuito di regolazione della corrente a spengere il transistor di regolazione Q1 in modo da limitare la dissipazione sullo stesso quando l'uscita e' in corto circuito per intervento del crowbar.
Avatar utente
Foto Utenteelfo
6.819 4 5 7
G.Master EY
G.Master EY
 
Messaggi: 2828
Iscritto il: 15 lug 2016, 13:27

0
voti

[153] Re: Alimentatore da autocostruirsi.

Messaggioda Foto Utentesetteali » 20 ago 2020, 8:53

Buongiorno,
Foto Utenteedgar, grazie anche per questo circuito interessante e semplice da provare, stamani guardo di trovare 1/2 ora di tempo da stare in laboratorio e lo inserisco nell'alimentatore.
Meno male che l'ho realizzato sin da subito con stadi ben distinti e posizionati da essere pratici a lavorarci e fare modifiche, già anche il coperchio non crea perdite di tempo :-) Appena posso farò qualche foto e metterò le mie impressioni su questo alimentatore.
Sono già diversi giorni che è finito ed in uso, non molto frequentemente per causa ferie, ma ha già cominciato ed essere utile.
Foto Utenteelfo, è interessante anche il tuo circuito di crowbar che l'ho già messo assieme allo schema di @edgar per aver modo di provarlo, anche se mi rimane un po' più difficile da inserirlo sull'alimentatore, ma comunque grazie e a rileggerci.
Alex
https://www.facebook.com/Elettronicaeelettrotecnica

<< vedi di pigliare arditamente in mano, il dizionario che ti suona in bocca,
se non altro è schietto e paesano.
(Giuseppe Giusti) <<
Avatar utente
Foto Utentesetteali
11,9k 5 5 9
Master
Master
 
Messaggi: 5922
Iscritto il: 15 dic 2013, 21:09

0
voti

[154] Re: Alimentatore da autocostruirsi.

Messaggioda Foto Utentesetteali » 20 ago 2020, 19:02

Ho provato il circuito e funziona perfettamente, come SCR ho usato un BT169D che ha una corrente di 0.8A e una tensione massima di 400 V cose che non sono nemmeno vicine all'utilizzo, ma è un case TO92 , quindi ha anche bisogno di poco spazio.
Alex
https://www.facebook.com/Elettronicaeelettrotecnica

<< vedi di pigliare arditamente in mano, il dizionario che ti suona in bocca,
se non altro è schietto e paesano.
(Giuseppe Giusti) <<
Avatar utente
Foto Utentesetteali
11,9k 5 5 9
Master
Master
 
Messaggi: 5922
Iscritto il: 15 dic 2013, 21:09

0
voti

[155] Re: Alimentatore da autocostruirsi.

Messaggioda Foto Utenteedgar » 20 ago 2020, 21:09

:ok: :ok: :ok:
Avatar utente
Foto Utenteedgar
10,0k 4 5 8
Master
Master
 
Messaggi: 5230
Iscritto il: 15 set 2012, 22:59

1
voti

[156] Re: Alimentatore da autocostruirsi.

Messaggioda Foto Utentesetteali » 21 ago 2020, 15:49

Stamani ancora per una volta ho fatto alcune prove e modifiche sull'alimentatore , Ho sostituito la resistenza di sense che era da 0,17 ohm ( 6 x 1ohm ) e ne ho messa una da 0,1 4 W( 2 serie parallelo per avere più potenza) e sono arrivato ad avere 10 A a 16 V, cosa più che sufficiente per l'uso.
Ho anche provato ad alimentare un transceiver V-UHF da 50 W e non ha avuto problemi, questa prova volevo farla perché LM723 a detta di molti ha sempre avuto problemi con la RF, ma forse era questione di schermature o cablaggi strani.

Ho provato il crowbar e lo trovo interessante abbinato a questo alimentatore, forse non è necessario e si può utilizzare l'alimentatore protetto senza crowbar, ma usando proprio l'alimentatore con la regolazione di corrente come ho sempre fatto ed avere la possibilità di inserirci il crowbar , mi è piaciuto :ok:
Allego alcune foto anche se non è un'opera d'arte, sono partito con l'idea di farlo grezzo e ampliarlo nel tempo, per ora ho finito questa parte con 45 V e poco più di 3 A a tensione massima, un circuito a tensione fissa per provare i led dei TV ed un'altra tensione fissa da 5 V 1 A.
All'interno c'è già un trasformatore con ponte e condensatori e finali Con un po' meno corrente, ma più tensione che sarà finito in un secondo tempo.

Le misure sono: 33 x 26,5 x 12,5 cm
Allegati
11as2aa.jpg
Il frontale , dove si vede il led bianco per l'intervento del crowbar
1aas1.jpg
L'interno dove si vedono i componenti per il secondo alimentatore
Alex
https://www.facebook.com/Elettronicaeelettrotecnica

<< vedi di pigliare arditamente in mano, il dizionario che ti suona in bocca,
se non altro è schietto e paesano.
(Giuseppe Giusti) <<
Avatar utente
Foto Utentesetteali
11,9k 5 5 9
Master
Master
 
Messaggi: 5922
Iscritto il: 15 dic 2013, 21:09

1
voti

[157] Re: Alimentatore da autocostruirsi.

Messaggioda Foto Utenteedgar » 21 ago 2020, 15:58

setteali ha scritto:anche se non è un'opera d'arte...


Non importa se il gatto è nero o bianco: finché catturerà i topi, sarà un buon gatto (cit.)
Avatar utente
Foto Utenteedgar
10,0k 4 5 8
Master
Master
 
Messaggi: 5230
Iscritto il: 15 set 2012, 22:59

0
voti

[158] Re: Alimentatore da autocostruirsi.

Messaggioda Foto Utentesetteali » 21 ago 2020, 16:30

Sembra proprio che sia un buon gatto e molta è opera tua :ok: :ok:
Alex
https://www.facebook.com/Elettronicaeelettrotecnica

<< vedi di pigliare arditamente in mano, il dizionario che ti suona in bocca,
se non altro è schietto e paesano.
(Giuseppe Giusti) <<
Avatar utente
Foto Utentesetteali
11,9k 5 5 9
Master
Master
 
Messaggi: 5922
Iscritto il: 15 dic 2013, 21:09

0
voti

[159] Re: Alimentatore da autocostruirsi.

Messaggioda Foto Utentegianniniivo » 21 ago 2020, 17:13

Bello ma il frontale lo lasci così o hai un modo per completarlo graficamente?
Avatar utente
Foto Utentegianniniivo
9.070 7 11 13
No Rank
 
Messaggi: 2875
Iscritto il: 5 feb 2019, 23:50

0
voti

[160] Re: Alimentatore da autocostruirsi.

Messaggioda Foto Utenteedgar » 21 ago 2020, 18:02

setteali ha scritto:molta è opera tua :ok: :ok:

E' opera di B&O ed Elektor, io mi sono limitato a fare un collage con le alimentazioni ausiliarie e poco più :mrgreen: E' uno schema che ho usato varie volte, che permette adattamenti di tensioni e correnti senza dover riprogettare tutto.
Sono contento che ti soddisfi :ok:
Avatar utente
Foto Utenteedgar
10,0k 4 5 8
Master
Master
 
Messaggi: 5230
Iscritto il: 15 set 2012, 22:59

PrecedenteProssimo

Torna a Costruzione, riparazione, riutilizzo

Chi c’è in linea

Visitano il forum: Nessuno e 12 ospiti