dallo schema alla millefori
42 messaggi
• Pagina 3 di 5 • 1, 2, 3, 4, 5
0
voti
vedo che ci sono ancora 2 c6.
Ultima modifica di
mir il 20 set 2014, 18:06, modificato 1 volta in totale.
Motivazione: eliminato quote inutile. utilizzare il tasto rispondi per rispondere e non il tasto cita. Grazie
Motivazione: eliminato quote inutile. utilizzare il tasto rispondi per rispondere e non il tasto cita. Grazie
0
voti
ho seguito lo schema e non mi sono reso conto dei due condensatori egualmente nominati con C6, essendo di capacità diversa vien da se che uno dei due sarà un C8, pertanto l'importante è rispettare le capacità secondo lo schema, sarà poi arbitrio di
dadduni nominare uno dei due C8 oppure verificare dove ha prelevato lo schema la corretta identificazione.
quindi
dadduni è avvisato, occhio alle capacità di C6 in fase di installazione. 
quindi
0
voti
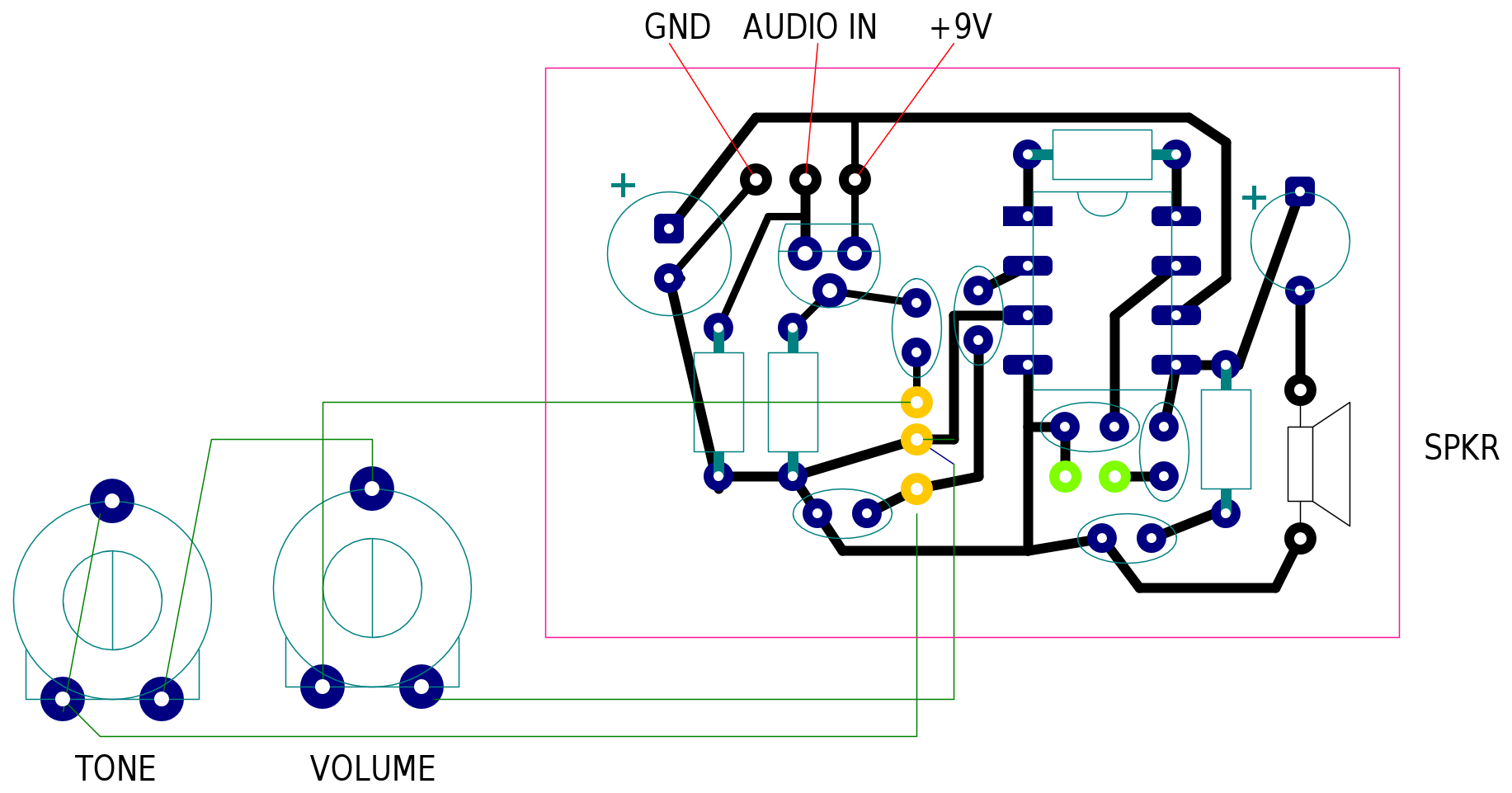
E no
mir! Me lo potevi dire prima e mi risparmiavo mezz'ora di lavoro!!!!
Va beh, ormai l'ho fatto e lo posto, poi l'OP scegliera' quale fare.
Le piazzole in giallo e quelle in verde sono due connettori, rispettivamente per le connessioni ai due potenziometri e all'interruttore.
P.S. Qualcuno dia una controllata, l'ho fatto in fretta.
Va beh, ormai l'ho fatto e lo posto, poi l'OP scegliera' quale fare.
Le piazzole in giallo e quelle in verde sono due connettori, rispettivamente per le connessioni ai due potenziometri e all'interruttore.
P.S. Qualcuno dia una controllata, l'ho fatto in fretta.
marco
0
voti
dadduni ha scritto:1) comviene davvero inserire i potenziometri come se fossero trimmer? perché così si occupa una sacco di spazio sulla millefori e usciranno da li ben 6 fili invece nell'esempio che avevo postato io avevo appositamente fatto in modo che ne uscissero solo due così che i collegamenti "sullo chassis" fossero completamente a parte enon disturbassero la millefori.
Io preferisco portarli fuori dalla basetta e cosi' li ho disegnati; pero' due fili non bastano, ce ne vogliono tre.
dadduni ha scritto:2) essendo un prototipo filato, non passano un po troppi fili sotto l'integrato? se fosse stato uno stampato le piste possono essere anche sottilissime e va bene tutto ma onestamente non me la sento con le capacità che ho a saldare ben tre fili telefonici sotto quell'integratino. che ne pensate?
In effetti tre fili non ci passano, al massimo due; comunque nell'ultimo schema il problema non si pone.
Lo ho disegnato come un PCB ma puoi benissimo seguire lo schema montandolo su millefori.

marco
1
voti
vi ringrazio tutti per la disponibilità =) allora vi faccio ancora alcune domande:
1) ho ovviamente fatto cosi per aprire il file in fidocad ma mi da errore.
2)
mir di solito si fanno passare cosi tanti fili sotto un solo integrato? lo chiedo perché io non sono in grado ma almeno se è una pratica comune voglio imparare.
3) mi spiegate più o meno con quale criterio avete modificato lo schema? cioè, è palese al mondo che il vostro è più ordinato del mio ma non capisco dove sta "lo scatto in più": io ho cercato di copiare lo schema solo nel minor spazio possibile e senza far sovrapporre i fili e cercando di non creare giri assurdi di fili o cose strane voi come fate? potete spiegarmi un pochettino? =)
vi ringrazio =)
1) ho ovviamente fatto cosi per aprire il file in fidocad ma mi da errore.
2)
3) mi spiegate più o meno con quale criterio avete modificato lo schema? cioè, è palese al mondo che il vostro è più ordinato del mio ma non capisco dove sta "lo scatto in più": io ho cercato di copiare lo schema solo nel minor spazio possibile e senza far sovrapporre i fili e cercando di non creare giri assurdi di fili o cose strane voi come fate? potete spiegarmi un pochettino? =)
vi ringrazio =)
42 messaggi
• Pagina 3 di 5 • 1, 2, 3, 4, 5
Torna a Costruzione, riparazione, riutilizzo
Chi c’è in linea
Visitano il forum: Nessuno e 40 ospiti

Elettrotecnica e non solo (admin)
Un gatto tra gli elettroni (IsidoroKZ)
Esperienza e simulazioni (g.schgor)
Moleskine di un idraulico (RenzoDF)
Il Blog di ElectroYou (webmaster)
Idee microcontrollate (TardoFreak)
PICcoli grandi PICMicro (Paolino)
Il blog elettrico di carloc (carloc)
DirtEYblooog (dirtydeeds)
Di tutto... un po' (jordan20)
AK47 (lillo)
Esperienze elettroniche (marco438)
Telecomunicazioni musicali (clavicordo)
Automazione ed Elettronica (gustavo)
Direttive per la sicurezza (ErnestoCappelletti)
EYnfo dall'Alaska (mir)
Apriamo il quadro! (attilio)
H7-25 (asdf)
Passione Elettrica (massimob)
Elettroni a spasso (guidob)
Bloguerra (guerra)






