Di quanti volt dovrebbe essere la caduta, e quanti ampere assorbirebbe il circuito ?
TDA7294 va isolato?
1
voti
Se vuoi contemporaneamente scaldare anche l'ambiente, si 
Di quanti volt dovrebbe essere la caduta, e quanti ampere assorbirebbe il circuito ?
Di quanti volt dovrebbe essere la caduta, e quanti ampere assorbirebbe il circuito ?
"Sopravvivere" e' attualmente l'unico lusso che la maggior parte dei Cittadini italiani,
sia pure a costo di enormi sacrifici, riesce ancora a permettersi.
sia pure a costo di enormi sacrifici, riesce ancora a permettersi.
-

Etemenanki
9.527 3 6 10 - Master

- Messaggi: 5951
- Iscritto il: 2 apr 2021, 23:42
- Località: Dalle parti di un grande lago ... :)
0
voti
Ti potresti accontentare di 50 W di uscita?
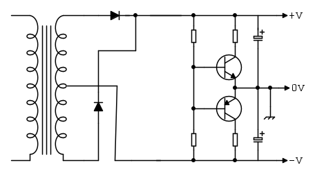
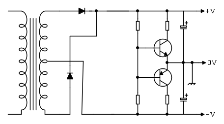
Se il trasformatore è a presa centrale puoi fare un raddrizzatore a doppia semionda coi classici due diodi e ottieni 43 V.
Li dividi come fa la Quad nel modello 606
Avrai meno potenza ma il lavoro è minimo e il riciclo totale
Se il trasformatore è a presa centrale puoi fare un raddrizzatore a doppia semionda coi classici due diodi e ottieni 43 V.
Li dividi come fa la Quad nel modello 606
Avrai meno potenza ma il lavoro è minimo e il riciclo totale
0
voti
Pero' a me' viene da fare una considerazione "malvagia" (relativamente parlando) ... stai facendo tutto questo per non fare 15 saldature, ma sai, vero, che la maggior parte di queste soluzioni, alla fine probabilmente comportera' ancora piu saldature ? 
Ci potrebbe essere un'altra possibilita' per ridurre un po la tensione dei secondari, ma siccome e' abbastanza orrenda, la posto solo se mi firmate un documento in cui vi impegnate a non torturarmi in alcun modo
Ci potrebbe essere un'altra possibilita' per ridurre un po la tensione dei secondari, ma siccome e' abbastanza orrenda, la posto solo se mi firmate un documento in cui vi impegnate a non torturarmi in alcun modo
"Sopravvivere" e' attualmente l'unico lusso che la maggior parte dei Cittadini italiani,
sia pure a costo di enormi sacrifici, riesce ancora a permettersi.
sia pure a costo di enormi sacrifici, riesce ancora a permettersi.
-

Etemenanki
9.527 3 6 10 - Master

- Messaggi: 5951
- Iscritto il: 2 apr 2021, 23:42
- Località: Dalle parti di un grande lago ... :)
0
voti
Il trasformatore ha due secondari da 30 V separati, la presa centrale è ottenuta unendo un capo dell'uno con un capo dell'altro.
"Non farei mai parte di un club che accettasse la mia iscrizione" (G. Marx)
-

claudiocedrone
21,3k 4 7 9 - Master EY

- Messaggi: 15303
- Iscritto il: 18 gen 2012, 13:36
0
voti
Aggiungere un trasformatore attaccato al primario di quello esistente per esempio mi appesantirebbbe il tutto...
"Non farei mai parte di un club che accettasse la mia iscrizione" (G. Marx)
-

claudiocedrone
21,3k 4 7 9 - Master EY

- Messaggi: 15303
- Iscritto il: 18 gen 2012, 13:36
0
voti
No, non un altro trasformatore, ma quando hai detto che il trasformatore e' del tipo aperto, mi e' venuta un'idea piuttosto perfida (e forse perfino funzionante)
Ti servirebbe trovare del filo smaltato di sezione uguale a quella del secondario, aggiungere alcune spire (in due avvolgimenti uguali) all'esterno del rocchetto (lavoro che probabilmente ti fara' bestemmiare un po, dato che credo il trasformatore non sia facilmente smontabile), e poi collegarli in serie ai due secondari, ma in controfase ... lo so, e' poco professionale e non so quale efficenza possa raggiungere, ma in teoria la tensione degli avvolgimenti aggiunti dovrebbe venire sottratta da quella dei secondari (sempre che non si cuocia qualcosa, e che ci sia fisicamente lo spazio fra rocchetto e lamelle per avvolgerci il filo)
Ora che l'ho scritto pero' mi tocca fuggire, prima che arrivino gli altri con torce e forconi
Ma a quel punto potresti pure provare a collegare in serie al primario un vecchio reattore da neon (se lo trovi di potenza adeguata) che occuperebbe meno spazio
Ti servirebbe trovare del filo smaltato di sezione uguale a quella del secondario, aggiungere alcune spire (in due avvolgimenti uguali) all'esterno del rocchetto (lavoro che probabilmente ti fara' bestemmiare un po, dato che credo il trasformatore non sia facilmente smontabile), e poi collegarli in serie ai due secondari, ma in controfase ... lo so, e' poco professionale e non so quale efficenza possa raggiungere, ma in teoria la tensione degli avvolgimenti aggiunti dovrebbe venire sottratta da quella dei secondari (sempre che non si cuocia qualcosa, e che ci sia fisicamente lo spazio fra rocchetto e lamelle per avvolgerci il filo)
Ora che l'ho scritto pero' mi tocca fuggire, prima che arrivino gli altri con torce e forconi
claudiocedrone ha scritto:... Aggiungere un trasformatore attaccato al primario di quello esistente per esempio mi appesantirebbbe il tutto...
Ma a quel punto potresti pure provare a collegare in serie al primario un vecchio reattore da neon (se lo trovi di potenza adeguata) che occuperebbe meno spazio
"Sopravvivere" e' attualmente l'unico lusso che la maggior parte dei Cittadini italiani,
sia pure a costo di enormi sacrifici, riesce ancora a permettersi.
sia pure a costo di enormi sacrifici, riesce ancora a permettersi.
-

Etemenanki
9.527 3 6 10 - Master

- Messaggi: 5951
- Iscritto il: 2 apr 2021, 23:42
- Località: Dalle parti di un grande lago ... :)
0
voti
L'idea di fare altri due secondari aggiuntivi da mettere in controfase era venuta anche a me
la sezione del filo non dovrebbe necessariamente essere uguale potrebbe benissimo essere maggiore... se non ci fosse spazio sufficiente potrei limare le lamelle tanto non lo saprebbe nessuno 
"Non farei mai parte di un club che accettasse la mia iscrizione" (G. Marx)
-

claudiocedrone
21,3k 4 7 9 - Master EY

- Messaggi: 15303
- Iscritto il: 18 gen 2012, 13:36
0
voti
Immagino non si possa fare coi mosfet al posto dei BJT vero?
Ma un paio di transistor penso di riuscire a procurarmeli...
"Non farei mai parte di un club che accettasse la mia iscrizione" (G. Marx)
-

claudiocedrone
21,3k 4 7 9 - Master EY

- Messaggi: 15303
- Iscritto il: 18 gen 2012, 13:36
0
voti
Sembrava così facile
prendo il moduletto in classe D, espianto trasformatore e alimentazione del finale, metto lo switching esterno, collego pre e speaker... fatto.
Invece
prendo il moduletto in classe D, espianto trasformatore e alimentazione del finale, metto lo switching esterno, collego pre e speaker... fatto.Invece
"Non farei mai parte di un club che accettasse la mia iscrizione" (G. Marx)
-

claudiocedrone
21,3k 4 7 9 - Master EY

- Messaggi: 15303
- Iscritto il: 18 gen 2012, 13:36
0
voti
http://quadrevisionspot.blogspot.com/2009/12/quad-306-monoblock-virtual-earth.html
o anche
http://2.bp.blogspot.com/_yc3hhZdhOVw/SxfZzxE1j3I/AAAAAAAAAz8/CWJc2HTfPRE/s1600-h/306+PSU.bmp
Qui c'è una discussione in merito.
Basta cercare lo schema del Quad 306 o 606
La cosa che lascia un po' straniti è che non servano transistor mostruosi, in pratica qualcosa tipo BD139/140.
L'ho provato, funziona
o anche
http://2.bp.blogspot.com/_yc3hhZdhOVw/SxfZzxE1j3I/AAAAAAAAAz8/CWJc2HTfPRE/s1600-h/306+PSU.bmp
Qui c'è una discussione in merito.
Basta cercare lo schema del Quad 306 o 606
La cosa che lascia un po' straniti è che non servano transistor mostruosi, in pratica qualcosa tipo BD139/140.
L'ho provato, funziona
Torna a Costruzione, riparazione, riutilizzo
Chi c’è in linea
Visitano il forum: Nessuno e 60 ospiti

Elettrotecnica e non solo (admin)
Un gatto tra gli elettroni (IsidoroKZ)
Esperienza e simulazioni (g.schgor)
Moleskine di un idraulico (RenzoDF)
Il Blog di ElectroYou (webmaster)
Idee microcontrollate (TardoFreak)
PICcoli grandi PICMicro (Paolino)
Il blog elettrico di carloc (carloc)
DirtEYblooog (dirtydeeds)
Di tutto... un po' (jordan20)
AK47 (lillo)
Esperienze elettroniche (marco438)
Telecomunicazioni musicali (clavicordo)
Automazione ed Elettronica (gustavo)
Direttive per la sicurezza (ErnestoCappelletti)
EYnfo dall'Alaska (mir)
Apriamo il quadro! (attilio)
H7-25 (asdf)
Passione Elettrica (massimob)
Elettroni a spasso (guidob)
Bloguerra (guerra)
