Ma consiglierei di fare un passo per volta
Caricabatterie auto guasto.
0
voti
Ci sarebbe anche la possibilità che qualche faston si sia ossidato e non conduca più bene, e lì sarebbero da sconnettere tutti, "irrorarli" con spray disossidante per contatti elettrici e rimetterli al loro posto.
Ma consiglierei di fare un passo per volta
Ma consiglierei di fare un passo per volta
-

FedericoSibona
5.022 3 5 8 - Master

- Messaggi: 3951
- Iscritto il: 19 mar 2013, 11:43
0
voti
Dato che questo pomeriggio ero in città non ho potuto metterci mano ma ne ho approfittato per acquistare dei faston nuovi che sostituirò dopo aver pulito per bene i capi dell'avvolgimento.
0
voti
ora è possibile che già sia stata fatta questa verifica, ma la tensione fra morsetto negativo ed a monte dell'amperometro e poi a valle dello stesso è stata eseguita ?
ovviamente, misura a vuoto e sotto carico.
ovviamente, misura a vuoto e sotto carico.
0
voti
Ci sono novità!
Per prima cosa ho sostituito i faston del secondario dopo aver rimosso per bene la lacca nei capi; ho misurato la tensione sui faston e dava 13 volt esatti.
Ho poi misurato la tensione prima e dopo l'amperometro e questo è il risultato:
Ho messo in carica la batteria e la tensione misurata sui morsetti è passata gradualmente da 13.26 volt a 14.50 volt, con una corrente assorbita che è passata da 1 ampere a 0.5 ampere attuali.
Come si vede dalla foto ho aggiunto un led che però naturalmente si accende non appena collego la batteria alle pinze anche se il caricabatteria è scollegato dalla rete; come posso fare in modo che si accenda solo quando parte la carica? Ho pensato ad un diodo prima della resistenza. Secondo voi?
Per prima cosa ho sostituito i faston del secondario dopo aver rimosso per bene la lacca nei capi; ho misurato la tensione sui faston e dava 13 volt esatti.
Ho poi misurato la tensione prima e dopo l'amperometro e questo è il risultato:
Ho messo in carica la batteria e la tensione misurata sui morsetti è passata gradualmente da 13.26 volt a 14.50 volt, con una corrente assorbita che è passata da 1 ampere a 0.5 ampere attuali.
Come si vede dalla foto ho aggiunto un led che però naturalmente si accende non appena collego la batteria alle pinze anche se il caricabatteria è scollegato dalla rete; come posso fare in modo che si accenda solo quando parte la carica? Ho pensato ad un diodo prima della resistenza. Secondo voi?
0
voti
Bene, allora tutto risolto; in pratica si trattava di falsi contatti.
Per il diodo, fai uno schema di come lo hai collegato e vediamo di trovare una soluzione perche' si accenda solo al momento dell'accensione del caricatore.
Per il diodo, fai uno schema di come lo hai collegato e vediamo di trovare una soluzione perche' si accenda solo al momento dell'accensione del caricatore.
marco
0
voti
Io pensavo di posizionarlo prima del resistore, ma forse sto dicendo una enorme fesseria.
0
voti
No, messo cosi' non serve a nulla e il led continuera' ad accendersi anche quando colleghi la batteria a caricatore spento.
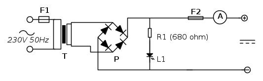
Il diodo dovrebbe essere inserito cosi':
ma, se mettiamo un diodo comune, a quelle correnti, porterebbe una caduta di circa 1V (anche piu') di tensione che andrebbe ad influire sulla ricarica. Proverei a mettere un diodo schottky da 7/8A.
Questo, per esempio, dovrebbe dare una caduta inferiore a 0.50V a 6/7A.
Il diodo dovrebbe essere inserito cosi':
ma, se mettiamo un diodo comune, a quelle correnti, porterebbe una caduta di circa 1V (anche piu') di tensione che andrebbe ad influire sulla ricarica. Proverei a mettere un diodo schottky da 7/8A.
Questo, per esempio, dovrebbe dare una caduta inferiore a 0.50V a 6/7A.
marco
0
voti
MMyers560 ha scritto:Come andrebbe inserito il diodo Schottky?
Mi correggo, pensavo ti riferissi ad uno di quei diodi con tre reofori. Comunque controllo, penso di averne recuperato qualcuno tempo fa.
Torna a Costruzione, riparazione, riutilizzo
Chi c’è in linea
Visitano il forum: Nessuno e 19 ospiti

Elettrotecnica e non solo (admin)
Un gatto tra gli elettroni (IsidoroKZ)
Esperienza e simulazioni (g.schgor)
Moleskine di un idraulico (RenzoDF)
Il Blog di ElectroYou (webmaster)
Idee microcontrollate (TardoFreak)
PICcoli grandi PICMicro (Paolino)
Il blog elettrico di carloc (carloc)
DirtEYblooog (dirtydeeds)
Di tutto... un po' (jordan20)
AK47 (lillo)
Esperienze elettroniche (marco438)
Telecomunicazioni musicali (clavicordo)
Automazione ed Elettronica (gustavo)
Direttive per la sicurezza (ErnestoCappelletti)
EYnfo dall'Alaska (mir)
Apriamo il quadro! (attilio)
H7-25 (asdf)
Passione Elettrica (massimob)
Elettroni a spasso (guidob)
Bloguerra (guerra)








