Cos'è ElectroYou | Login Iscriviti

ElectroYou - la comunità dei professionisti del mondo elettrico

Collegamento relè

Tecniche per la costruzione e la riparazione di apparecchiature elettriche e non. Ricerca guasti. Adattamenti e riutilizzazioni
0
voti

[1] Collegamento relè

Messaggioda Foto Utenteilluminor » 28 apr 2014, 19:14

Salve O_/
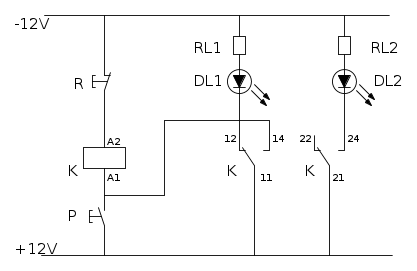
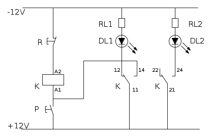
vorrei chiedere se lo lo schema allegato può avere vita o è tutto errato?
Vorrei far si che all accensione di un led si spegnesse laltro e viceversa
Avatar utente
Foto Utenteilluminor
42 1 4 7
Sostenitore
Sostenitore
 
Messaggi: 508
Iscritto il: 10 mag 2012, 17:54

0
voti

[2] Re: Collegamento relè

Messaggioda Foto Utentemir » 28 apr 2014, 19:47

così come hai realizzato lo schema, ad ongi pressione del pulsante P si eccita il relè fintanto che rimane il pulsante P pigiato,e si spengeranno entrambi i diodi led (collegati con contatto NC in serie all'alimentazione),ed al rilascio del pulsante P il relè torna nella sua condizione di riposo e di contatti anche chiudendo il circuito di alimentazione dei due diodi che si accenderanno nuovamente:
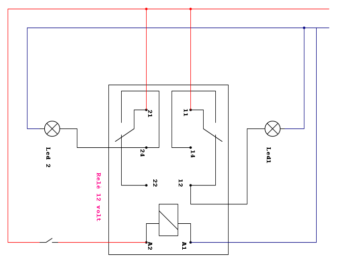
il tuo schema in versione più comoda ...


in sostanza, manca la ritenuta del relè, che consente a questi di rimanere eccitato ogni qualvolta si pigia il pulsante P (NO), e ritornare alla condizione di riposo quando si pigia il pulsante di reset R (NC):
così, DL1 è acceso, premendo P cambio accendendo DL2, e premendo R ritorno nella condizione iniziale...
Avatar utente
Foto Utentemir
66,0k 9 12 13
G.Master EY
G.Master EY
 
Messaggi: 21870
Iscritto il: 19 ago 2004, 21:10

0
voti

[3] Re: Collegamento relè

Messaggioda Foto UtenteMavKtr » 28 apr 2014, 20:16

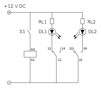
Se non ho preso fischi per fiaschi, a me sembra che Foto Utenteilluminor volesse fare una cosa di questo tipo:

Se S1 è un normale interruttore, finché questo è aperto il relè non sarà eccitato, il LED 1 sarà acceso e il LED 2 spento. Chiudendo S1, si ecciterà il relè, si spegnerà il LED 1 e si accenderà il LED 2.

Certo... dipende dal tipo di relè.
Avatar utente
Foto UtenteMavKtr
855 1 4 6
Expert
Expert
 
Messaggi: 734
Iscritto il: 3 mar 2012, 7:23

0
voti

[4] Re: Collegamento relè

Messaggioda Foto Utentemir » 28 apr 2014, 21:11

MavKtr ha scritto:a me sembra che...

è possibile,come è possibile che io abbia capito male :D , ma non capisco l'utilità di utilizzare un relè (tipo?) per cambiare lo stato dei due diodi led,salvo particolari necessità con un deviatore si otterrebbe la condizione più semplicemente.
Avatar utente
Foto Utentemir
66,0k 9 12 13
G.Master EY
G.Master EY
 
Messaggi: 21870
Iscritto il: 19 ago 2004, 21:10

0
voti

[5] Re: Collegamento relè

Messaggioda Foto UtenteMavKtr » 28 apr 2014, 22:16

mir ha scritto:...ma non capisco l'utilità di utilizzare un relè...

Su questo direi che solo Foto Utenteilluminor ci può illuminare! :D
Avatar utente
Foto UtenteMavKtr
855 1 4 6
Expert
Expert
 
Messaggi: 734
Iscritto il: 3 mar 2012, 7:23


Torna a Costruzione, riparazione, riutilizzo

Chi c’è in linea

Visitano il forum: Nessuno e 38 ospiti