Cos'è ElectroYou | Login Iscriviti

ElectroYou - la comunità dei professionisti del mondo elettrico

Crepuscolare

Progetti, interfacciamento, discussioni varie su questa piattaforma.

Moderatori: Foto UtenteWALTERmwp, Foto Utentexyz

0
voti

[31] Re: Crepuscolare

Messaggioda Foto Utenteelfo » 16 mar 2021, 18:58

illuminor ha scritto:Ho Letto i vari post, ma ora come si procede?

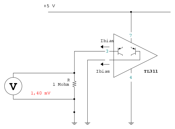
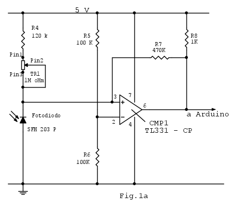
elfo ha scritto:Visto che hai gia' misurato la corrente di buio del fotodiodo dovresti misurare la corrente di bias del comparatore utilizzando lo schema qui sotto (TL311 alimentato a + 5V e fotodiodo scollegato):

- un ingresso - uno dei due a piacere - collegato a massa
- l'altro collegato a massa tramite la resistenza da 1 Mohm

Misura la tensione sulla resistenza da 1 Mohm.

A misura fatta entreremo nel modo "filosofia di progetto" :D

Avatar utente
Foto Utenteelfo
6.819 4 5 7
G.Master EY
G.Master EY
 
Messaggi: 2828
Iscritto il: 15 lug 2016, 13:27

0
voti

[32] Re: Crepuscolare

Messaggioda Foto Utenteilluminor » 16 mar 2021, 21:15

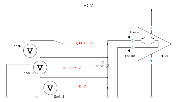
Non so se sia corretto le modalità con cui ho preso le misure ma il valore rilevato è praticamente 0

Avatar utente
Foto Utenteilluminor
42 1 4 7
Sostenitore
Sostenitore
 
Messaggi: 508
Iscritto il: 10 mag 2012, 17:54

0
voti

[33] Re: Crepuscolare

Messaggioda Foto Utenteelfo » 16 mar 2021, 21:52

Grazie per la misura.

Devo solo farti una 1/2 "rampogna" :D perche' misurando "praticamente 0" potevi usare la portata "mV" del tuo UNI-T UT61E come avevi fatto nel post [23] "Da coperto segna, 0,03 a 0,00 mV ". In questo modo "guadagnavi" una ulteriore cifra nella misura.

Allora possiamo dire che la corrente di bias del TL311 vale

Ibias= \frac{1.2 mV}{ 1 Mohm }= 1.2 nA

che e' circa in accordo con i 3.5 nA del datasheet

La corrente che genera il fotodiodo al livello di luce di scatto vale 50 nA (post[29])
Siamo \frac{ 50}{1.2} \sim 40 volte "sopra" il "rumore".

Prima pero' di proseguire in modo "filosofia di progetto" (nel prox post) vorrei fare due chiose:
______________________________________
***** 1)
Nel 2014 avevi realizzato con l'aiuto di Foto Utenteg.schgor un crepuscolare utilizzando gli stessi componenti (Fotodiodo e Comparatore) che stai utilizzando adesso.

Perche non copi quello schema e l'uscita la colleghi ad un ingresso di Arduino?

viewtopic.php?f=1&t=26356&start=80#p494028
______________________________________
***** 2)
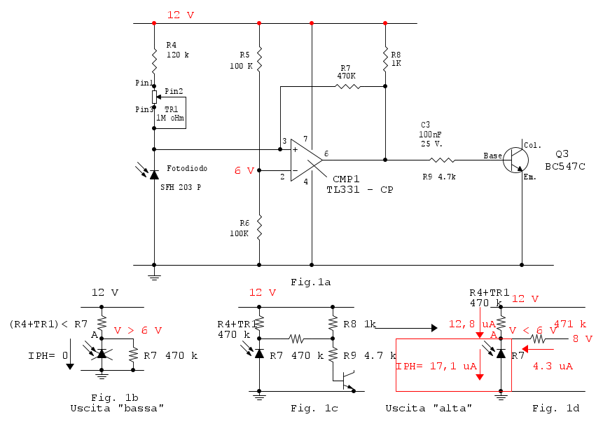
Nel progetto del 2014 avevi utilizzato lo stesso fotodiodo

viewtopic.php?f=1&t=26356&start=80#p494028

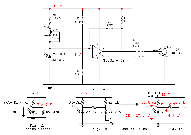
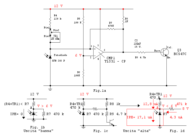
Nello schema che segue (preso dal progetto del 2014) viene calcolata (by inspection) la corrente del fotodiodo al valore di scatto del crepuscolare.

La corrente e' circa 17 uA.

Nello schema di oggi hai misurato una corrente di circa 50 nA

E' evidente che la differenza e' molto grande \frac{17u}{50n} \sim 340

Qual e' il valore (piu') giusto?
Avatar utente
Foto Utenteelfo
6.819 4 5 7
G.Master EY
G.Master EY
 
Messaggi: 2828
Iscritto il: 15 lug 2016, 13:27

0
voti

[34] Re: Crepuscolare

Messaggioda Foto Utentestefanopc » 16 mar 2021, 22:03

Non voglio creare confusione ma perché non mettere il potenziometro sul ramo invertente?
Mi sembra che in questo modo potresti usare un trimmer di valore più basso e forse anche l'isteresi sarebbe uniforme.
Ciao e complimenti a entrambi.
600 Elettra
Avatar utente
Foto Utentestefanopc
13,3k 5 9 13
Master EY
Master EY
 
Messaggi: 5567
Iscritto il: 4 ago 2020, 9:11

0
voti

[35] Re: Crepuscolare

Messaggioda Foto Utenteilluminor » 16 mar 2021, 22:31

Ci avevo già pensato Elfo a ciò che mi hai detto a proposito di prendere il circuito gia precedentemente fatto con g.schgor e lo sono andato anche a rivedere il fatto è che uno è alimentato a 12 volt e l'altro a 5volt di conseguenza ho pensato che tutto il circuito non potesse andar bene, poi ulteriore problema era come collegarlo ad arduino.
Cosi partendo da zero credevo fosse piu corretto arrivarci a fare ttutto il circuito adattato per poi collegarlo ad arduino.
Avatar utente
Foto Utenteilluminor
42 1 4 7
Sostenitore
Sostenitore
 
Messaggi: 508
Iscritto il: 10 mag 2012, 17:54

0
voti

[36] Re: Crepuscolare

Messaggioda Foto Utenteilluminor » 16 mar 2021, 22:43

illuminor ha scritto:Non so se sia corretto le modalità con cui ho preso le misure ma il valore rilevato è praticamente 0


TY 291 122 4 3 0 0 3 * 2

[/fcd]
Ultima modifica di Foto Utenteilluminor il 16 mar 2021, 22:47, modificato 1 volta in totale.
Avatar utente
Foto Utenteilluminor
42 1 4 7
Sostenitore
Sostenitore
 
Messaggi: 508
Iscritto il: 10 mag 2012, 17:54

0
voti

[37] Re: Crepuscolare

Messaggioda Foto Utenteelfo » 16 mar 2021, 22:46

illuminor ha scritto:uno è alimentato a 12 volt e l'altro a 5volt

Il circuito e' (quasi) tensione di alimentazione indipendente. In ogni caso il potenziomentro ti da ampia liberta' di regolazione (gli altri component non hanno necessita' di essere variati).
illuminor ha scritto:poi ulteriore problema era come collegarlo ad arduino

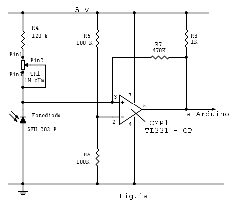
Lo schema Fig. 1a del post [33] e' gia' modificato per essere interfacciato con Arduino. (freccia a Arduino)
illuminor ha scritto:Cosi partendo da zero credevo fosse piu corretto arrivarci a fare ttutto il circuito adattato per poi collegarlo ad arduino.

I due circuiti, quello del 2104 e quello odierno danno due correnti di fotodiodo diverse di un fattore 340.

Questo porta a due strategie - e complessita' circuitali - completamente diverse e - come ho scritto in altra occasione - NON ti piaceranno :(

Per non fare doppio lavoro (progetto) occorre decidere preventivamente quale corrente e' quella (piu') giusta: 50 nA o 17 uA?
Avatar utente
Foto Utenteelfo
6.819 4 5 7
G.Master EY
G.Master EY
 
Messaggi: 2828
Iscritto il: 15 lug 2016, 13:27

0
voti

[38] Re: Crepuscolare

Messaggioda Foto Utenteelfo » 16 mar 2021, 22:54

Grazie per la misura con "un decimale in piu'"

Mi ero permesso di scherzare con "rampogna" perche' ero sicuro che avresti capito il tono.

Ti rivelo un segreto: molte volte quando uno si mette al tavolo per analizzare i risultati di una giornata di misure si accorge - per quanto abbia pianificato "tutto" prima - quanti errori, anche di metodo, quante "cappelle" e quanti dettagli abbia trascurato e non si capacita come abbia potuto fare tanti sbagli tutti insieme :(
Avatar utente
Foto Utenteelfo
6.819 4 5 7
G.Master EY
G.Master EY
 
Messaggi: 2828
Iscritto il: 15 lug 2016, 13:27

0
voti

[39] Re: Crepuscolare

Messaggioda Foto Utenteilluminor » 16 mar 2021, 23:03

Elfo tranquillo che non me la prendo anzi una " bachettata" nelle mani ci stà :D .
Pero ora mi piacerebbe capire qualè il ramo dove escono i 50 nA o 17 uA sullo schema.
Avatar utente
Foto Utenteilluminor
42 1 4 7
Sostenitore
Sostenitore
 
Messaggi: 508
Iscritto il: 10 mag 2012, 17:54

0
voti

[40] Re: Crepuscolare

Messaggioda Foto Utenteelfo » 16 mar 2021, 23:23

illuminor ha scritto:ora mi piacerebbe capire qualè il ramo dove escono i 50 nA o 17 uA sullo schema.


Post [26]
illuminor ha scritto:FD scoperto e luce ambiente ( la luce che ho nella stanza) mi segna 0,0500 volt
[cut]
per far scattare il crepuscolare, potrebbe bastare la luce che ora ho nella stanza.

I = \frac{50 mV}{1 Mohm} = 50 nA


Schema del 2014 guarda il valore in rosso 17.1 uA in basso a dx nello schema - nel riquadro rosso).

Se ti interessa sapere come lo ho ricavato, chiedi (il processo non e' complicato ma un po' lungo - occorre passare per circuiti equivalenti).

Sarebbe interessante anche se tu potessi fare una misura diretta sulla tua realizzazione.
Avatar utente
Foto Utenteelfo
6.819 4 5 7
G.Master EY
G.Master EY
 
Messaggi: 2828
Iscritto il: 15 lug 2016, 13:27

PrecedenteProssimo

Torna a Arduino

Chi c’è in linea

Visitano il forum: Nessuno e 4 ospiti