Si usa LDO interno del NANO/UNO R3 per generare i 5V.
Le resistenze sono omettibili dato che sono presenti nel uC ma io le preferisco esterne del valore di circa 10kohm


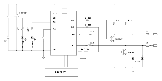
GuidoB ha scritto:djnz ha scritto:... vedo la possibilità di un corto.
Qui il corto non c'è più, il circuito risulta più simmetrico e risparmi anche un transistor.


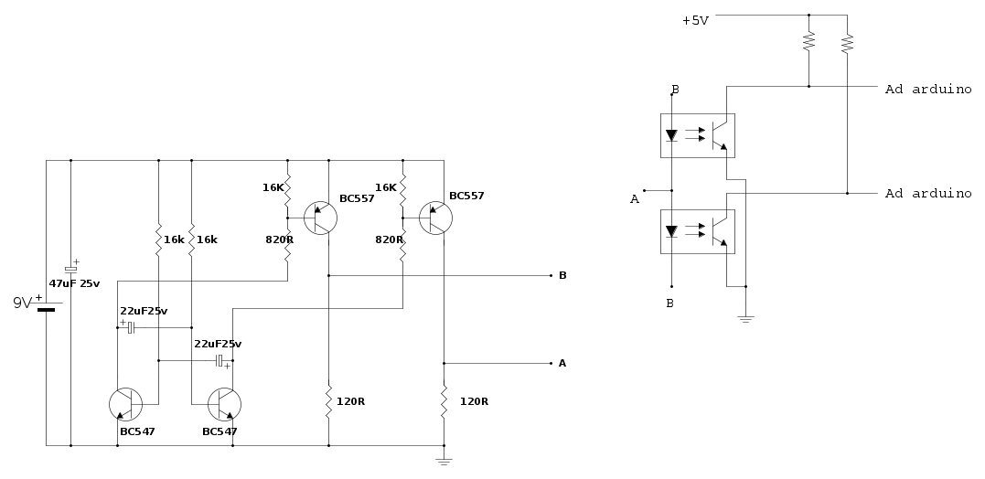
Anche se non capisco nulla anche a te va un ringraziamento per i tentativi di risolvere l'arcano, spero che ccosì si possa fare un programmino, io continuerò a guardare il display, ogni tanto faccio qualche regalo a giovani in modo da fargli prendere la voglia di avventurarsi nell'elettronica, aspettando in un risvolto positivo ti mando un caloroso saluto. AntonioThEnGi ha scritto:A sto punto farei così dato che il circuito full arducoso non lo si vuole:
Si usa LDO interno del NANO/UNO R3 per generare i 5V.
Le resistenze sono omettibili dato che sono presenti nel uC ma io le preferisco esterne del valore di circa 10kohm


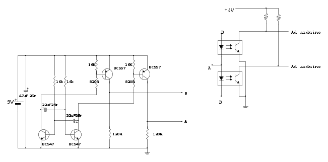
stefanopc ha scritto:Giusto per curiosita una ulteriore versione.![]()
Potrebbe funzionare sulla carta ma sarebbe da verificare su prima breadboard.
Ciao Antonio


aspetto con gioia, Grazie per l'aiuto.stefanopc ha scritto:Si potrebbe utilizzare la versione diGuidoB con i transistor finali NPN comandati da Arduino (al posto dell'oscillatore).
Se alimenti tutto a 5V stabilizzati potresti alimentarci anche arduino.
Più tardi provo a disegnare lo schema modificato.
Ciao Antonio.


Visitano il forum: Nessuno e 12 ospiti