Tecnicamente siamo entrati in un loop seza condizione di uscita.
Quindi blocco la discussione in attesa che qualcun altro eventualmente la riapra.
Protezione firmware Amega328P-PU (Arduino)
0
voti
"La follia sta nel fare sempre la stessa cosa aspettandosi risultati diversi".
"Parla soltanto quando sei sicuro che quello che dirai è più bello del silenzio".
Rispondere è cortesia, ma lasciare l'ultima parola ai cretini è arte.
"Parla soltanto quando sei sicuro che quello che dirai è più bello del silenzio".
Rispondere è cortesia, ma lasciare l'ultima parola ai cretini è arte.
-

TardoFreak
73,9k 8 12 13 - -EY Legend-

- Messaggi: 15754
- Iscritto il: 16 dic 2009, 11:10
- Località: Torino - 3° pianeta del Sistema Solare
1
voti
Scusami Stefano ma voglio dare il beneficio all' OP del dubbio.
Capisco la voglia di imparare e capisco il caos iniziale che ne consegue.
FedericoDIP rimetti insieme le idee, studia un po' più a fondo l'argomento e per cortesia fai domande più concrete, poiché chiedere come proteggere un micro senza sapere nemmeno come funziona mi sembra un po' prematuro.
Partiamo magari dalle basi
Capisco la voglia di imparare e capisco il caos iniziale che ne consegue.
Partiamo magari dalle basi
MCSA Windows Server 2012 R2
Cisco CCNA R&S - Cisco CCNA Security - Cisco CCNA Cyber Ops
CompTia A+ - CompTia Linux+ - CompTIA Systems Support Specialist CSSS
CompTia Pentest+ LPIC-1 - VCP VMware - Cisco CCNP Enterprise
Cisco CCNA R&S - Cisco CCNA Security - Cisco CCNA Cyber Ops
CompTia A+ - CompTia Linux+ - CompTIA Systems Support Specialist CSSS
CompTia Pentest+ LPIC-1 - VCP VMware - Cisco CCNP Enterprise
1
voti
Se magari provasse a filare quei cavolo di sei fili al micro si risolverebbe tutto.
Non e' difficile, sono sei fili.
Non serve una laurea.
Non e' difficile, sono sei fili.
Non serve una laurea.
"La follia sta nel fare sempre la stessa cosa aspettandosi risultati diversi".
"Parla soltanto quando sei sicuro che quello che dirai è più bello del silenzio".
Rispondere è cortesia, ma lasciare l'ultima parola ai cretini è arte.
"Parla soltanto quando sei sicuro che quello che dirai è più bello del silenzio".
Rispondere è cortesia, ma lasciare l'ultima parola ai cretini è arte.
-

TardoFreak
73,9k 8 12 13 - -EY Legend-

- Messaggi: 15754
- Iscritto il: 16 dic 2009, 11:10
- Località: Torino - 3° pianeta del Sistema Solare
1
voti
Come darti torto
Speriamo lo faccia e ci esprima i risultati ottenuti
Speriamo lo faccia e ci esprima i risultati ottenuti
MCSA Windows Server 2012 R2
Cisco CCNA R&S - Cisco CCNA Security - Cisco CCNA Cyber Ops
CompTia A+ - CompTia Linux+ - CompTIA Systems Support Specialist CSSS
CompTia Pentest+ LPIC-1 - VCP VMware - Cisco CCNP Enterprise
Cisco CCNA R&S - Cisco CCNA Security - Cisco CCNA Cyber Ops
CompTia A+ - CompTia Linux+ - CompTIA Systems Support Specialist CSSS
CompTia Pentest+ LPIC-1 - VCP VMware - Cisco CCNP Enterprise
1
voti
Chi vive di speranza muore disperato! 
"La follia sta nel fare sempre la stessa cosa aspettandosi risultati diversi".
"Parla soltanto quando sei sicuro che quello che dirai è più bello del silenzio".
Rispondere è cortesia, ma lasciare l'ultima parola ai cretini è arte.
"Parla soltanto quando sei sicuro che quello che dirai è più bello del silenzio".
Rispondere è cortesia, ma lasciare l'ultima parola ai cretini è arte.
-

TardoFreak
73,9k 8 12 13 - -EY Legend-

- Messaggi: 15754
- Iscritto il: 16 dic 2009, 11:10
- Località: Torino - 3° pianeta del Sistema Solare
0
voti
me la ricordavo diversa ... 
MCSA Windows Server 2012 R2
Cisco CCNA R&S - Cisco CCNA Security - Cisco CCNA Cyber Ops
CompTia A+ - CompTia Linux+ - CompTIA Systems Support Specialist CSSS
CompTia Pentest+ LPIC-1 - VCP VMware - Cisco CCNP Enterprise
Cisco CCNA R&S - Cisco CCNA Security - Cisco CCNA Cyber Ops
CompTia A+ - CompTia Linux+ - CompTIA Systems Support Specialist CSSS
CompTia Pentest+ LPIC-1 - VCP VMware - Cisco CCNP Enterprise
0
voti
Ciao Massimo B, ciao TardoFreak.
Per me il tema "programmazione...protezione..." è nuovo, è da pochi giorni che mi ci sto applicando leggendo i datasheet e leggendo i vostri consigli/commenti.
Ma sono entrato in confusione, un po per le molteplici modalità di programmazione, un po per le diverse tipologie di collegamenti (SPI, JTAG, HVPP, HVSP), un po per le diverse tipologie di programmi che si possono utilizzare (AVRdude, AVR studio...)
Sono arrivato alla seguente conclusione: per provare ad applicare le protezioni e fare le dovute verifiche, è indispensabile avere gia l'hardware correttamente collegato.
Quindi per il momento lasciamo perdere i LOCK, i FUSE...
Concentriamoci sul programmatore AVR Dragon.
Leggendo sul datasheet e vedendo qualche schema trovato in rete, mi sono imbattuto a molteplici possibili collegamenti e cioè:
A) AVR Dragon "USB" ISP → Arduino "USB" ICSP (Atmega a bordo Arduino alimentato a 12V)
B) AVR Dragon "USB" ISP → Arduino "USB" ICSP (Atmega a bordo Arduino)
C) AVR Dragon "USB" ISP → PCB millefori ICSP (Atmega a bordo PCB)
D) AVR Dragon "USB" JTAG → (Atmega a bordo AVR Dragon)
E) AVR Dragon "USB" SPI Programming and debugWIRE Debugging → (Atmega a bordo AVR Dragon)
F) AVR Dragon "USB" Parallel Programming → (Atmega a bordo AVR Dragon)
Quello che mi necessita sapere innanzitutto è:
tra questi schemi (A, B, C, D, E, F), quale devo utilizzare per poter programmare/proteggere/ripristinare in HV l'Atmega?
NOTA: gli unici 2 schemi esistenti sul datasheet di AVR Dragon sono quelli che ho gia allegato nel post [78] e cioè:
SPI Programming and debugWIRE Debugging
Parallel Programming
PREMESSA: l'Atmega che successivamente dovrò programmare e proteggere, dovrà funzionare con un quarzo esterno da 16 MHz (come Arduino Uno R3, ma in standalone).
Mi fermo qui per non creare confusione, vediamo prima di risolvere questo primo passo e poi andiamo avanti.
Grazie ragazzi
Per me il tema "programmazione...protezione..." è nuovo, è da pochi giorni che mi ci sto applicando leggendo i datasheet e leggendo i vostri consigli/commenti.
Ma sono entrato in confusione, un po per le molteplici modalità di programmazione, un po per le diverse tipologie di collegamenti (SPI, JTAG, HVPP, HVSP), un po per le diverse tipologie di programmi che si possono utilizzare (AVRdude, AVR studio...)
Sono arrivato alla seguente conclusione: per provare ad applicare le protezioni e fare le dovute verifiche, è indispensabile avere gia l'hardware correttamente collegato.
Quindi per il momento lasciamo perdere i LOCK, i FUSE...
Concentriamoci sul programmatore AVR Dragon.
Leggendo sul datasheet e vedendo qualche schema trovato in rete, mi sono imbattuto a molteplici possibili collegamenti e cioè:
A) AVR Dragon "USB" ISP → Arduino "USB" ICSP (Atmega a bordo Arduino alimentato a 12V)
B) AVR Dragon "USB" ISP → Arduino "USB" ICSP (Atmega a bordo Arduino)
C) AVR Dragon "USB" ISP → PCB millefori ICSP (Atmega a bordo PCB)
D) AVR Dragon "USB" JTAG → (Atmega a bordo AVR Dragon)
E) AVR Dragon "USB" SPI Programming and debugWIRE Debugging → (Atmega a bordo AVR Dragon)
F) AVR Dragon "USB" Parallel Programming → (Atmega a bordo AVR Dragon)
Quello che mi necessita sapere innanzitutto è:
tra questi schemi (A, B, C, D, E, F), quale devo utilizzare per poter programmare/proteggere/ripristinare in HV l'Atmega?
NOTA: gli unici 2 schemi esistenti sul datasheet di AVR Dragon sono quelli che ho gia allegato nel post [78] e cioè:
SPI Programming and debugWIRE Debugging
Parallel Programming
PREMESSA: l'Atmega che successivamente dovrò programmare e proteggere, dovrà funzionare con un quarzo esterno da 16 MHz (come Arduino Uno R3, ma in standalone).
Mi fermo qui per non creare confusione, vediamo prima di risolvere questo primo passo e poi andiamo avanti.
Grazie ragazzi
-

FedericoDIP
7 4 - New entry

- Messaggi: 56
- Iscritto il: 18 set 2017, 15:03
0
voti
Col microcontrollore ATmega328p l'unico modo per scrivere i fuse è con bus ISP, quindi se leggi JTAG non è possibile perché è assente (è presente in altri microcontrollori della stessa famiglia).
I pin per ISP, come credo scritto in precedenza in altri post, sono 6: VCC, GND, RESET, SCK, MISO, e MOSI.
Come ultimo aiuto ti faccio vedere come collegare due Arduino di cui uno è un programmatore ISP (non HV) con un opportuno firmware e l'altro è il microcontrollore da programmare:
https://www.arduino.cc/en/Tutorial/ArduinoISP
I pin per ISP, come credo scritto in precedenza in altri post, sono 6: VCC, GND, RESET, SCK, MISO, e MOSI.
Come ultimo aiuto ti faccio vedere come collegare due Arduino di cui uno è un programmatore ISP (non HV) con un opportuno firmware e l'altro è il microcontrollore da programmare:
https://www.arduino.cc/en/Tutorial/ArduinoISP
2
voti
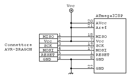
Questo e' il connettore del DRAGON che devi usare
E questo e' il particolare di come inserire il connettore
E questa e' la numerazione del connettore
"La follia sta nel fare sempre la stessa cosa aspettandosi risultati diversi".
"Parla soltanto quando sei sicuro che quello che dirai è più bello del silenzio".
Rispondere è cortesia, ma lasciare l'ultima parola ai cretini è arte.
"Parla soltanto quando sei sicuro che quello che dirai è più bello del silenzio".
Rispondere è cortesia, ma lasciare l'ultima parola ai cretini è arte.
-

TardoFreak
73,9k 8 12 13 - -EY Legend-

- Messaggi: 15754
- Iscritto il: 16 dic 2009, 11:10
- Località: Torino - 3° pianeta del Sistema Solare
0
voti
me la ricordavo diversa ...
MassimoB se c'è di mezzo un gabinetto è quella che ricordo anche io
FedericoDIP se hai dei dubbi anche dopo gli ultimi due messaggi preparati a mettere mano al portafoglio
Tardofreak o xyz verranno direttamente a casa tua.
-

luxinterior
4.311 3 4 9 - Master EY

- Messaggi: 2690
- Iscritto il: 6 gen 2016, 17:48
Chi c’è in linea
Visitano il forum: Nessuno e 20 ospiti

Elettrotecnica e non solo (admin)
Un gatto tra gli elettroni (IsidoroKZ)
Esperienza e simulazioni (g.schgor)
Moleskine di un idraulico (RenzoDF)
Il Blog di ElectroYou (webmaster)
Idee microcontrollate (TardoFreak)
PICcoli grandi PICMicro (Paolino)
Il blog elettrico di carloc (carloc)
DirtEYblooog (dirtydeeds)
Di tutto... un po' (jordan20)
AK47 (lillo)
Esperienze elettroniche (marco438)
Telecomunicazioni musicali (clavicordo)
Automazione ed Elettronica (gustavo)
Direttive per la sicurezza (ErnestoCappelletti)
EYnfo dall'Alaska (mir)
Apriamo il quadro! (attilio)
H7-25 (asdf)
Passione Elettrica (massimob)
Elettroni a spasso (guidob)
Bloguerra (guerra)

