Eccitare e diseccitare un'uscita con un pulsante
Moderatori:
dimaios,
carlomariamanenti
19 messaggi
• Pagina 1 di 2 • 1, 2
0
voti
Salve ragazzi! Ho da porvi una domanda. Devo realizzare questa piccola cosa: Devo abilitare un uscita con lo stesso ingresso cioè con lo stesso tasto devo eccitare e diseccitare un uscita. A dirlo sembra una stupidagine ma mi trovo in seria difficoltà. Grazie anticipatamente.
-

Sapgnaboy85
35 1 4 - New entry

- Messaggi: 72
- Iscritto il: 28 mag 2010, 9:41
0
voti
[2] Re: problema!
Dovrebbe bastare un flip flop tipo T.
Che cosa devi comandare?
Che cosa devi comandare?
"Computers, operating systems, networks are a hot mess. They're barely manageable, even if you know a decent amount about what you're doing. Nine out of ten software engineers agree: it's a miracle anything works at all."
@fasterthanlime
@fasterthanlime
0
voti
[3] Re: problema!
Sto realizzando un software con un PLC S7200 e mi serve comanadare dallo stesso ingresso un uscita. Es. relè interruttore.
-

Sapgnaboy85
35 1 4 - New entry

- Messaggi: 72
- Iscritto il: 28 mag 2010, 9:41
0
voti
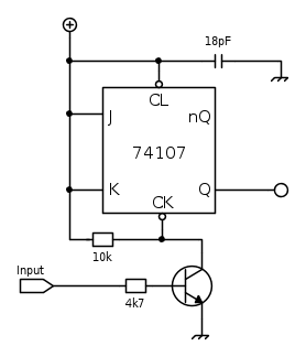
[4] Re: problema!
Una possibile soluzione può essere questa:
Manca però la parte di potenza per controllare relè e quant'altro
Manca però la parte di potenza per controllare relè e quant'altro
"Computers, operating systems, networks are a hot mess. They're barely manageable, even if you know a decent amount about what you're doing. Nine out of ten software engineers agree: it's a miracle anything works at all."
@fasterthanlime
@fasterthanlime
0
voti
[5] Re: problema!
Beh? Che è successo a Fidocad?
Ultima modifica di
DonJ il 28 set 2010, 20:07, modificato 3 volte in totale.
"Computers, operating systems, networks are a hot mess. They're barely manageable, even if you know a decent amount about what you're doing. Nine out of ten software engineers agree: it's a miracle anything works at all."
@fasterthanlime
@fasterthanlime
0
voti
[7] Re: problema!
Ah, grazie, non me ne ero accorto.
Ma come ho fatto a disattivarlo?
Ma come ho fatto a disattivarlo?
"Computers, operating systems, networks are a hot mess. They're barely manageable, even if you know a decent amount about what you're doing. Nine out of ten software engineers agree: it's a miracle anything works at all."
@fasterthanlime
@fasterthanlime
0
voti
[8] Re: problema!
Se devi programmare in Ladder diagram, ho disponibile
un dimostrativo in TRILOGI 6-2, che risolve il problema.
Per notizie su questo programma vedi articolo.
Se ti va si mando lo schema.
un dimostrativo in TRILOGI 6-2, che risolve il problema.
Per notizie su questo programma vedi articolo.
Se ti va si mando lo schema.
0
voti
Ok con un flip flop, ma il mio problema è riproddure la cosa in ladder sullo step 7. A me serve riprodurre la cosa con un s7200 sullo step7.
-

Sapgnaboy85
35 1 4 - New entry

- Messaggi: 72
- Iscritto il: 28 mag 2010, 9:41
19 messaggi
• Pagina 1 di 2 • 1, 2
Torna a Automazione industriale ed azionamenti
Chi c’è in linea
Visitano il forum: Nessuno e 6 ospiti

Elettrotecnica e non solo (admin)
Un gatto tra gli elettroni (IsidoroKZ)
Esperienza e simulazioni (g.schgor)
Moleskine di un idraulico (RenzoDF)
Il Blog di ElectroYou (webmaster)
Idee microcontrollate (TardoFreak)
PICcoli grandi PICMicro (Paolino)
Il blog elettrico di carloc (carloc)
DirtEYblooog (dirtydeeds)
Di tutto... un po' (jordan20)
AK47 (lillo)
Esperienze elettroniche (marco438)
Telecomunicazioni musicali (clavicordo)
Automazione ed Elettronica (gustavo)
Direttive per la sicurezza (ErnestoCappelletti)
EYnfo dall'Alaska (mir)
Apriamo il quadro! (attilio)
H7-25 (asdf)
Passione Elettrica (massimob)
Elettroni a spasso (guidob)
Bloguerra (guerra)





